Contents
PVG 100 sectional drawing.............................................................................................................................................3
Installation and plug orientation..................................................................................................................................4
Installation and identication........................................................................................................................................5
Maximum ow setting .................................................................................................................................................6-7
Connections .........................................................................................................................................................................8
Tightening torques............................................................................................................................................................8
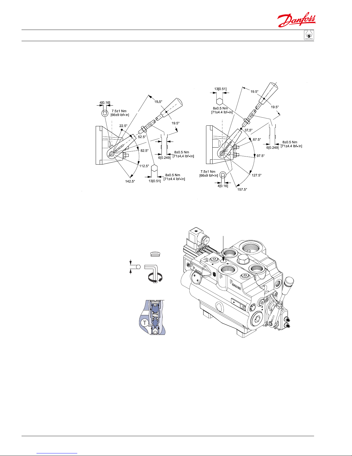
Installation of lever ............................................................................................................................................................9
Pressure setting, PVP.........................................................................................................................................................9
Adjustment of PVE.......................................................................................................................................................... 10
Installation and technical data for PVPP................................................................................................................. 11
Pilot drain connection ................................................................................................................................................... 11
PVMR disassembly .......................................................................................................................................................... 12
PVMR/F assembly............................................................................................................................................................ 13
Tightening torques and widths across ats........................................................................................................... 13
Main spool assembly for PVMR .................................................................................................................................. 14
Float spool assembly for PVMF................................................................................................................................... 15
PVPF, open center pump side module ..............................................................................................................16-17
PVPE, PVPD and Pilot Shut O..............................................................................................................................18-19
PVPV - closed center pump side module..........................................................................................................20-21
PVPV - closed center pump side module with integrated priority function........................................22-23
PVB, PVBZ, PVLA, and PVLP....................................................................................................................................24-25
PVSI, PVT, and PVTI ...................................................................................................................................................26-27
PVAS assembly kit for PVP with PVSI/PVT.........................................................................................................28-29
PVAS assembly kit for PVP with PVTI..................................................................................................................30-31
PVBS, main spool.......................................................................................................................................................32-33
PVM, mechanical activation ..................................................................................................................................34-35
PVM, PVMD, PVH, PVMR, and PVMF cover........................................................................................................36-37
Electrical activation with Hirschmann connector .........................................................................................38-39
Electrical activation with AMP connector ........................................................................................................40-41
Seal kits for PVG 100....................................................................................................................................................... 42
Function
Service parts
Installation