
NS-32 STOP RE TAINE R
NS-22 ESCUTCHEON SCREWS (2 REQ)
NS-28 KNOB SET SCREW
NS-29 KNOB PLUG BUTTON
NS-3 KNOB
4-420-TRM ESCUTCHEON (4-420, 4-427, 4-428)
NS-2 CAP
NS-4 PUSH ROD WITH SNAP RING
NS-5 GUIDE NUT
NS-25 GUIDE NUT LARGE O-RING
NS-27 CAP LARGE O-RING
NS-24 GUIDE NUT SMALL O-RING
NS-14 GUIDE NUT WASHER
NS-26 CAP SMALL O-RING
L-25-NSF O-Ring
NS-7 RE TAINER
NS-9 WASHER SCREW
NS-11 SHU T-OFF WASHER
NS-15 PISTON O-RING
NS-8 PISTON
NS-13 PISTON SPRING
NS-16 CONTROL ROD
NS-6 CYLINDER
NS-18 INTEGRAL STOP UNIT
PS-4A ESCUTCHEON (4-427R & 4-428R)
PS-4E THREADED ROD (4-427R & 4-428R)
PS-4H HORSESHOE BRACKET (4-427R & 4-428R)
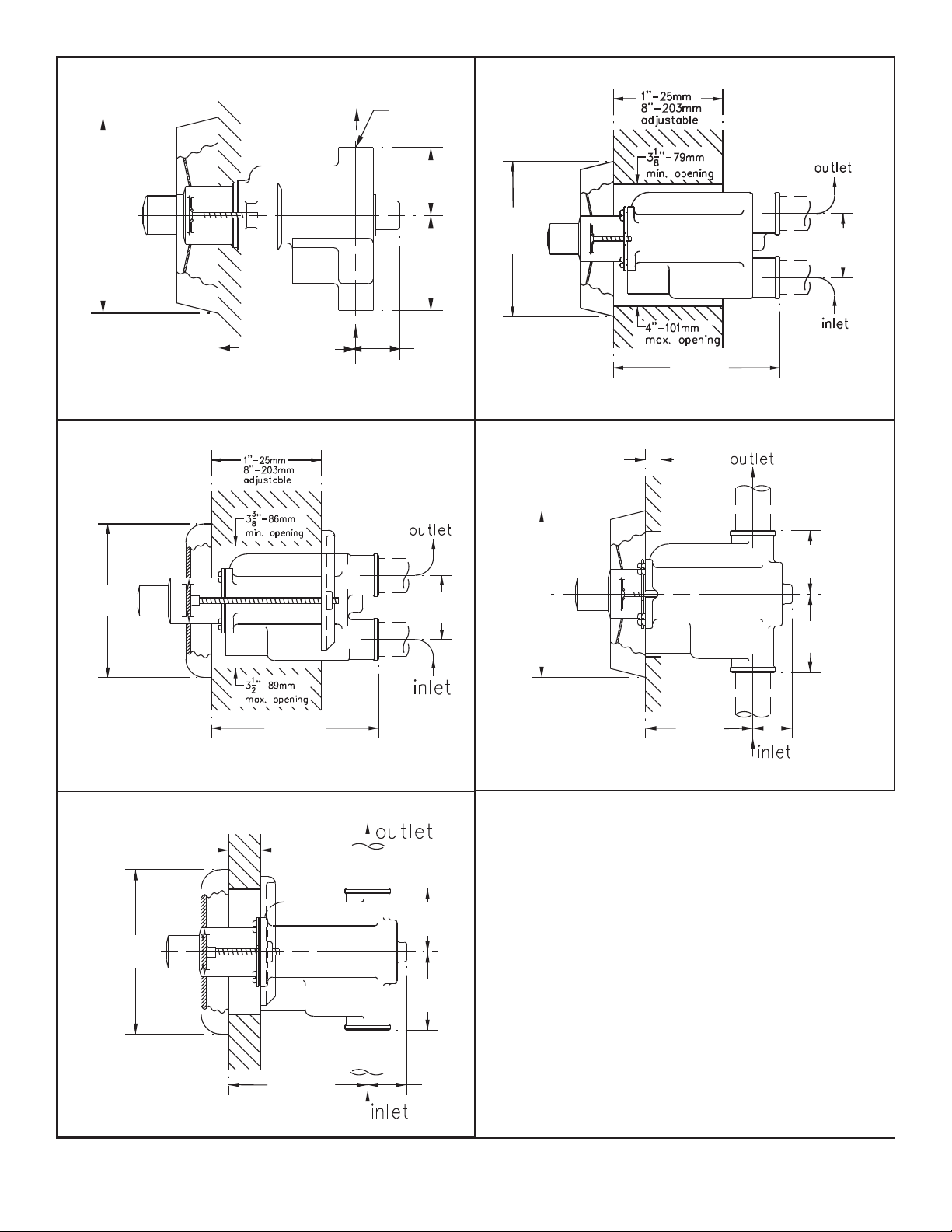
Parts Assembly Showe roff Shower Limiting Valve, 4-420
NOTE: (1) 4-420 valve shown with 1/ 2" sweat connections
include the Symmons Showero valve shown above
Timing Instructions:
1 ) Loosen Allen set screw (NS-28) on side of knob (NS-3).
2 ) Pop-out plug-button (NS-29) with sharp pointed tool.
3 ) Insert thin blade screw driver in center hole of knob
(NS-3) and into the slot of the push-rod (NS-4).
4 ) Turn knob (NS-3) clockwise while holding screw driver
5 ) Tighten Allen set screw (NS-28). To increase time cycle,
turn knob (NS-3) counter-clockwise in step 4.
Service:
NS-13R - Washer & Gasket Repair Kit ,includes piston
unit, control rod sleeve, sleeve, retainer and all necessary
washers and gaskets.
NS-1 - Complete Replacement Unit, includes the
complete working unit of the valve assembled and tested)
New installations, before turning on the water supply,
line. Replace cartridge and turn on supply. If supply is not
Long idle periods - If the valve has a long idle period
between installation and use, or is used seasonally, disassemble
the cartridge unit and lightly lubricate all moving parts.
®
Automatic Shower limiting V alve
Installation and Service
For California Residents
WARNING:
chemicals known to the State of
California to cause cancer, birth
defects, or other reproductive harm.
plug-button (NS-29)