
July 1994 4
Philips Semiconductors Product specification
1 W BTL mono audio amplifier with DC
volume control TDA7052A/AT
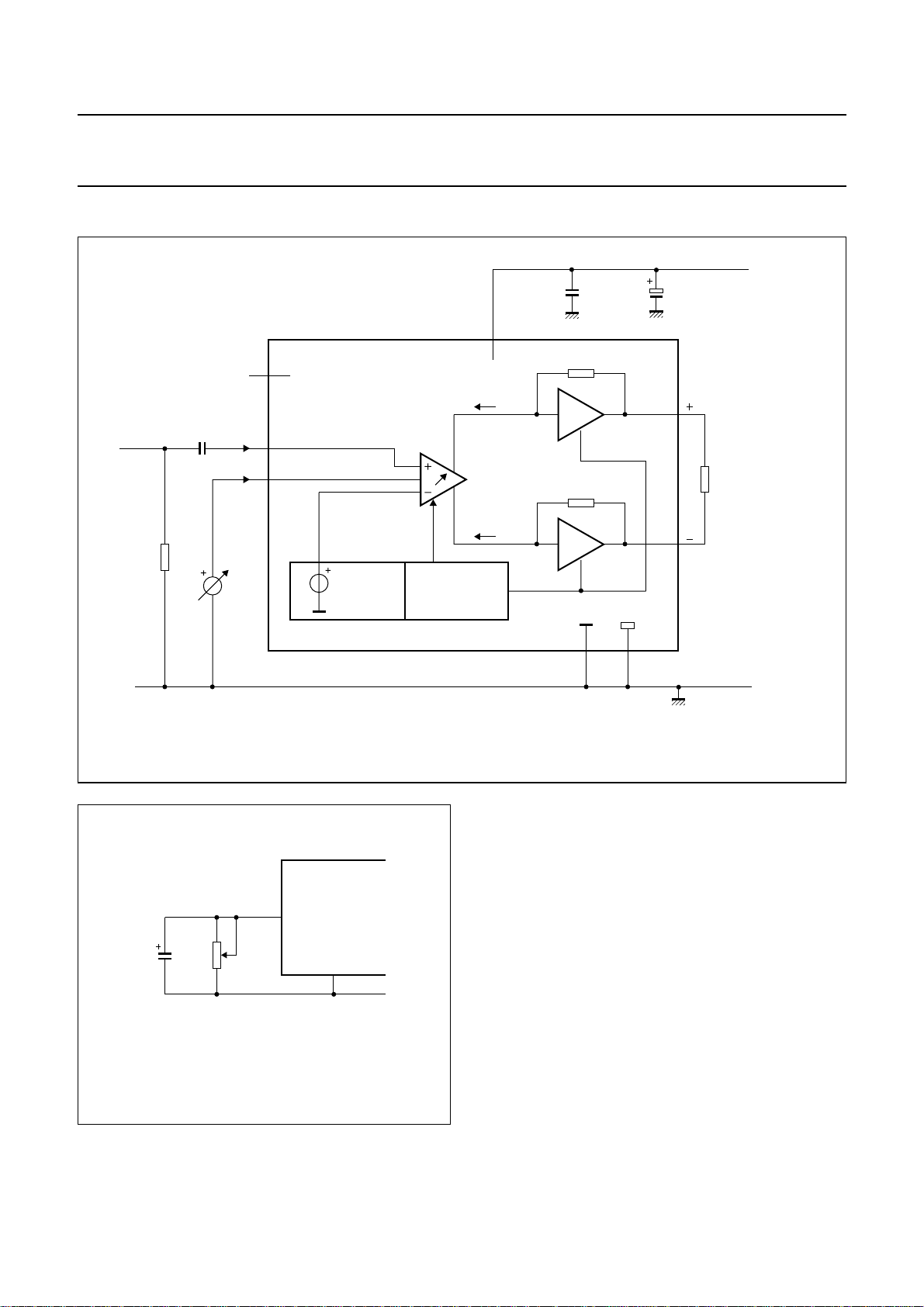
FUNCTIONAL DESCRIPTION
The TDA7052A/AT are mono BTL output amplifiers with
DC volume control, designed for use in TV and monitors
but also suitable for battery fed portable recorders and
radios.
In conventional DC volume circuits the control or input
stage is AC coupled to the output stage via external
capacitors to keep the offset voltage low.
In the TDA7052A/AT the DC volume control stage is
integrated into the input stage so that no coupling
capacitors are required and yet a low offset voltage is
maintained.Atthesametimetheminimumsupplyremains
low.
The BTL principle offers the following advantages:
•Lower peak value of the supply current
•Thefrequencyoftherippleonthesupplyvoltageistwice
the signal frequency.
Thus a reduced power supply with smaller capacitors can
be used which results in cost savings.
For portable applications there is a trend to decrease the
supply voltage, resulting in a reduction of output power at
conventional output stages. Using the BTL principle
increases the output power.
The maximum gain of the amplifier is fixed at 35.5 dB. The
DC volume control stage has a logarithmic control
characteristic.
The total gain can be controlled from 35.5 dB to −44 dB. If
the DC volume control voltage is below 0.3 V, the device
switches to the mute mode.
The amplifier is short-circuit proof to ground, VPand
across the load. Also a thermal protection circuit is
implemented. If the crystal temperature rises above
+150 °C the gain will be reduced, so the output power is
reduced.
Special attention is given to switch on and off clicks, low
HF radiation and a good overall stability.
LIMITING VALUES
In accordance with the Absolute Maximum System (IEC 134)
SYMBOL PARAMETER CONDITIONS MIN. MAX. UNIT
VPsupply voltage range −18 V
IORM repetitive peak output current −1.25 A
IOSM non-repetitive peak output current −1.5 A
Ptot total power dissipation Tamb ≤25%
TDA7052A −1.25 W
TDA7052AT −0.8 W
Tamb operating ambient temperature range −40 +85 °C
Tstg storage temperature range −55 +150 °C
Tvj virtual junction temperature −+150 °C
Tsc short-circuit time −1hr
V
2input voltage pin 2 −8V
V
4input voltage pin 4 −8V