2818/828 Series 150# and 300# Flanged 2" - 8" Two-Piece Ball Valves WCAIM2020
Flow Control Division
Worcester Controls
D. REBUILDING
aWARNING: BALL VALVES CAN TRAP PRESSURIZED FLUIDS IN
BALL CAVITY WHEN CLOSED.
If the valve has been used to control hazardous media, it must be
decontaminated before disassembly. It is recommended that the
following steps be taken for safe removal and disassembly:
• Relieve the line pressure. Operate the valve prior to attempting
removal from line.
• Place valve in half-open position and flush the line to remove any
hazardous material from valve.
• All persons involved in the removal and disassembly of the valve
should wear the proper protective clothing such as face shield,
gloves, apron, etc.
CAUTION: If the seats and seals installed differ from those
removed, the valve nameplate or stop must be replaced or
remarked to indicate the altered materials and ratings or valve
tagged to so indicate.
1. A standard repair kit may be ordered for the valve. Specify the
size, series, material of seats and body seal and R# (revision
number) of valve, or for non-standard valves, the “P” number, “T”
number, “C” number, or similar number, as found on the
nameplate. Some series, such as AF and FZ have their own repair
kits, which are ordered by the prefix. (Use Series 818 or 828
designation.)
Examples:
P, T, C
or
Valve Prefix similar
Size (if required) RK Series Material Rev. # #
3" AF RK 818 TZ R3 —
2" RK 828 T R3 —
4" RK 818 RZ — T0914
2. Special handling and cleaning procedures are necessary for
oxygen and vacuum service valves. Refer to industry practices
when overhauling these units.
3. To Disassemble 2"-8" Two-Piece Valves:
a. Valve should be placed with the end connector (smaller body
section) uppermost and on a clean surface, the valve
preferably clamped or bolted down. To disassemble end
connector from body, remove body stud nuts from mid-
flange.
b. Strike end connector with mallet and close the valve. The
mid-flange connection should break open. Repeat if not
successful at first try. The end connector should now be lifted
vertically from the body and placed on the clean surface with
mid-flange end uppermost.
c. With the valve still in the closed position the ball may now be
lifted from the body cavity, and the seats and body seal are
now exposed in either body or end connector. These should
now be removed. Care must be taken to avoid scratching the
machined faces on which they make contact with valve body
and end connector.
General Note: Depending on the valve size and whether a
standard, AF or FZ Series valve is being disassembled, stem
seals may be seven-piece, six-piece, five-piece, two-piece or
one-piece. Also, the 818/828 Series valves have one metal
stem washer under the stem seal(s).
d. Remove handle assembly (if any) by loosening handle screw.
Locking plates, if installed, do not need to be removed.
e. Remove retaining nut. Prevent stem from rotating by holding
stem with wrench.
f. Remove and retain stop (round spacer on 8" valves). Remove
and retain the follower.
g. Push stem into body cavity and remove. Remove and discard
stem seal(s) and thrust bearing. Remove and retain stem
washer.
4. Visual Inspection:
a. The ball and the surfaces against which the seats are installed
should be undamaged, clean and free of pit marks and
scratches. Light marring from the action of the ball against
the seats is normal and will not affect the operation of the
valve. Flaws which can be seen but barely detected with
fingertips are acceptable.
b. The stem and body surfaces that the thrust bearing(s) and
stem seal(s) contact, must be undamaged, clean and free of
pit marks and scratches.
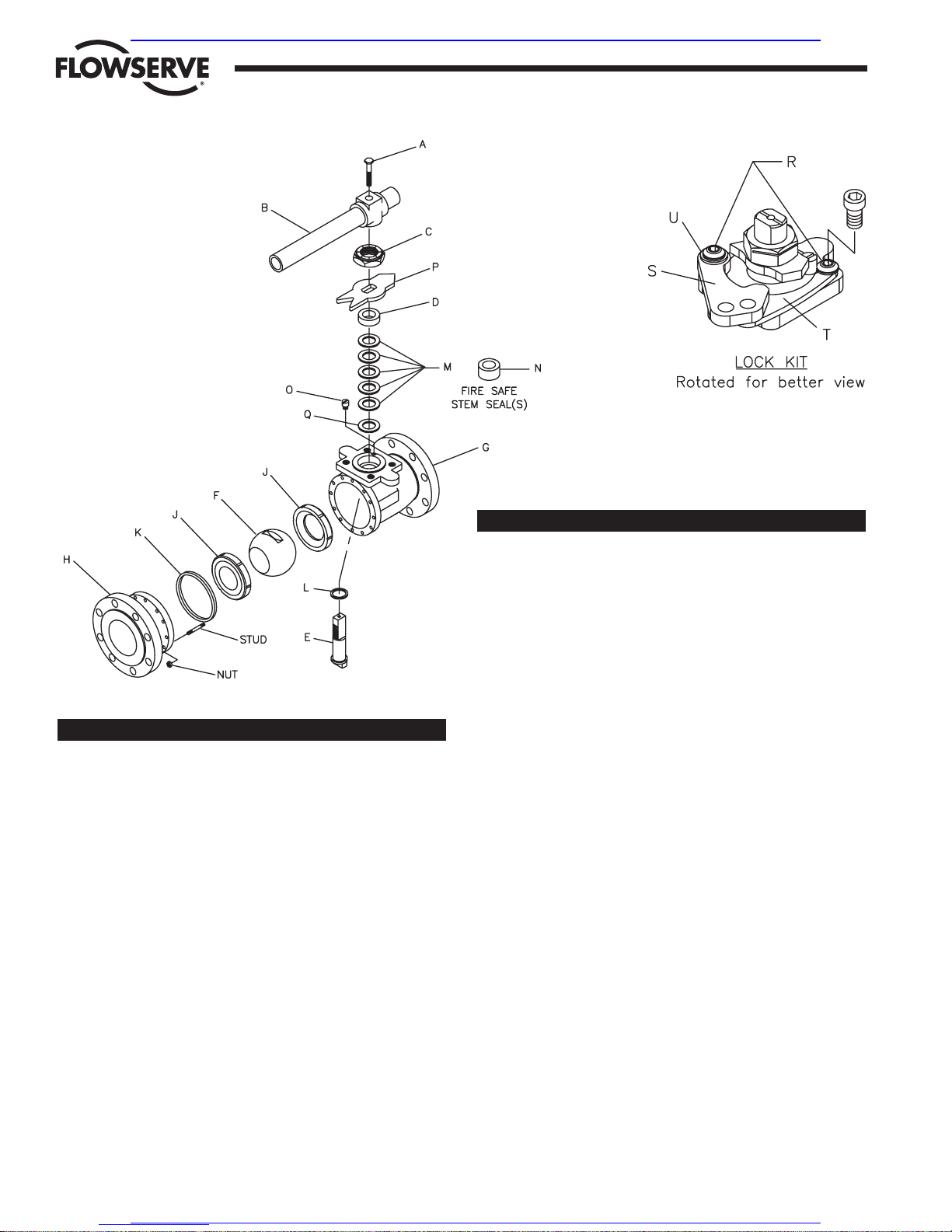
5. Reassembly: Refer to exploded view illustration on page 4 for
proper reassembly.
NOTE: Care must be used when handling graphite stem seals,
thrust bearings, and body seals. These parts can be easily
damaged by squeezing the O.D. of the seal. Parts are to be
handled on the flat surfaces rather than the O.D. These parts will
not work if they are cracked or broken. Light flaking of the
material is acceptable. If resistance is encountered when
installing stem seals over the stem, use follower to gently push
the stem seal down. Metal stem washer furnished on valve must
be reused.
Valves with a pressure relief hole in the ball (V3) must be
reassembled and installed with the hole upstream (end connector
side) to ensure that cavity relief is upstream when valve is closed.
Any valve with the V3 option will have an arrow on the body