Installation instructions
Preparing for installation
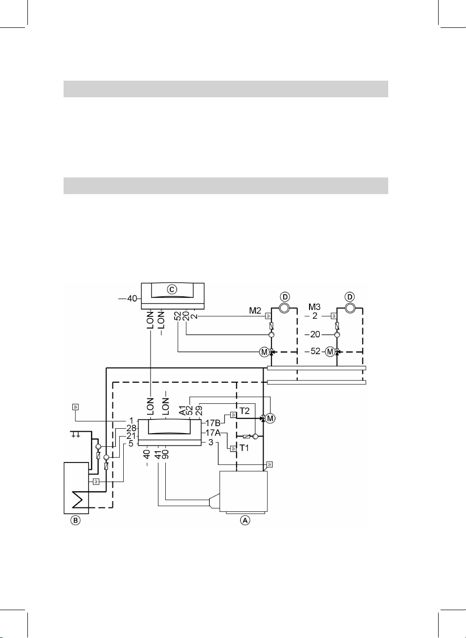
System version 1 ........................................................................................ 6
System version 2 ........................................................................................ 7
System version 3 ........................................................................................ 8
System version 4 ........................................................................................ 10
System extension ....................................................................................... 11
Installation sequence
Overview of electrical connections .............................................................. 15
Inserting cables and applying strain relief.................................................... 16
Inserting the boiler coding card ................................................................... 18
Changing the high limit safety cut-out setting (if required) ............................ 18
Changing the control thermostat setting (if required).................................... 20
Connecting sensors.................................................................................... 21
Connecting pumps...................................................................................... 22
Connecting servomotors ............................................................................. 25
External connections at plug aBÖ................................................................ 25
External connections at plug aVD................................................................ 28
External connections at plug aVH................................................................ 29
Connecting central fault messaging to plug gÖ ............................................ 30
Connecting an AC burner............................................................................ 30
Connecting a three-phase burner ................................................................ 32
Power supply.............................................................................................. 35
Fitting the control unit front.......................................................................... 37
Opening the control unit .............................................................................. 38
Service instructions
Commissioning
Display and control elements ...................................................................... 39
Changing the language............................................................................... 40
Testing the high limit safety cut-out ............................................................. 40
Matching the coding addresses to the system version ................................. 40
Checking outputs (actuators) and sensors................................................... 42
Adjusting the heating curves ....................................................................... 43
Integrating a control unit into the LON ......................................................... 47
Service scans
Service level summary ............................................................................... 50
Temperatures, boiler coding card and brief scans ........................................ 51
Operating conditions................................................................................... 53
Display "Service" ........................................................................................ 55