
-3-
ANALYSIS OFTHE BLOCK DIAGRAM
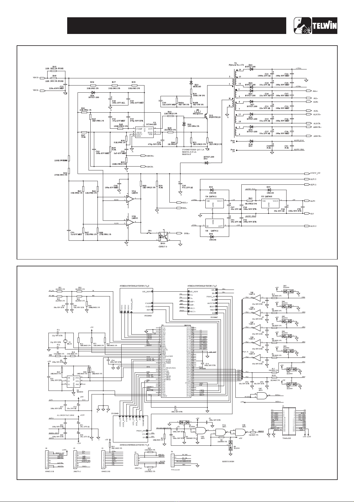
Block 1
Block 2
Block 4
Block 5
Block 6
Block 7
NOTE:Unless indicated otherwise, it should be assumed that
thecomponentsareassembledontheweldingmachine.
Consistingof:C3,C8,C9,L1 .
Preventsnoisefromthemachine frombeingtransmittedalong
themainpowerlineandviceversa.
Consistingof:D3,D5 .
Convertsthe mains alternating voltageinto continuous pulsed
voltage.
Consistingof:C2,C4,C5,C6,C7 .
Converts the pulsed voltage from the rectifier bridge into
continuousvoltage.
Consistingof:Q1,Q2 .
Converts the continuous voltage from the filter into a high
frequency square wave capable of piloting the power
transformer.
Regulates the power according to the required welding
current/voltage.
Consistingof:T2.
TheC.T.isusedtomeasurethecurrentcirculatinginthepower
transformer primary and transmit the information to block 14
(primarycurrentreaderandlimiter).
Consistingof:T1 .
Adjusts the voltage and current to values required for the
welding procedure. Also forms galvanic separation of the
primary from the secondary (welding circuit from the power
supplyline).
EMC Filter
Rectifier bridge
Filter
Chopper
Current transformer
Power transformer
(primaryboard)
(primaryboard)
Consistingof:K1,K2,R1(primaryboard).
Prevents the formation of high transient currents that could
damage the main switch, the rectifier bridge and the
electrolyticcapacitors.
When the power source is switched on relays K1 and K2 are
de-energised, capacitors C2, C4, C5, C6, C7 are therefore
charged via R1. When the capacitors are charged the relays
willbeenergised.
(primaryboard)
(primaryboard)
(primaryboard)
Consisting of: D1, D2, D3, D4, D5, D6, D7, D8, D9, D10
(secondaryboard)
D1, D2 convert the current circulating in the positive OUT of
the power transformer to a single direction, preventing
saturationofthenucleus.
D3, D4, D5 recirculate the inductance output current (block 9)
during the time when the IGBT's are not conducting,
bypassingthepowertransformer(block7).
Block 3
Block 8
Pre-charge
Secondary diodes
Positivepolaritydiodesinthecircuit:
Negativepolaritydiodesinthecircuit:
D9, D10 convert the current circulating in the negative OUT of
the power transformer to a single direction, preventing
saturationofthenucleus.
D6, D7, D8 recirculate the inductance output current (block 9)
duringthetimewhentheIGBT'sarenotconducting,bypassing
thepowertransformer(block7).
The positive polarity diodes in the circuit are
involved. The positive and negative polarity diodes in the
circuitareinvolvedalternately.
Consistingof:SCR(secondaryboard)
The SCR module is piloted by block 18 (microcontroller) and
block 27 (SCR driver), transforming the secondary output
currentfromDCtoACwhenTIGACweldingisrequired.
Consistingof:L1,R2,(secondaryboard)
The inductance levels the output current from the secondary
board diodes making it practically direct.The shunt detects
the current circulating in the secondary and sends a voltage
signal to block 25 (shunt amplifier), which will process it.
(primaryboard)
(primaryboard)
Consistingof:D16,R81,R82,R83,R84,R85(controlboard).
Detectsandlimitsthesignal from block6 (current transformer)
and, via trimmer R85, adjusts the maximum allowable primary
current. The signal is also redimensioned so that it can be
processedandcomparedinblock16(dutycyclemaker).
Consistingof:U14(controlboard).
Processes the information arriving from block 17 (adder) and
block 15 (primary current reader and limiter), producing a
square wave with variable duty cycle, limiting in any case the
primarycurrenttoamaximumpresetvalue.
DC Operation:
AC Operation
Block 9
Block 10
Block 15
Block 16
Primary current reader and limiter
Duty cycle maker
AC/DC current converter
Inductance and Shunt
Secondary EMC Filter
HF Transformer
Flyback power supply
IGBT Driver
Block 11
Block 12
Block 13
Block 14
Consistingof: CY1.
Prevents noise from the power source from being transmitted
throughtheweldingcablesandviceversa.
Consistingof:T2.
The HF transformer boosts the signal from block 34 (hf power
source), raising the voltage impulse in the secondary at the
instantwhenarcstrikeisgenerated.
Italsoisolatestheweldingcircuitfromtheprimarycircuit
Consistingof:T2,U2 .
Uses switching methods to transform and stabilise the voltage
obtained from block 4 (filter) and supplies auxiliary voltage to
powerblock14(driver)andthecontrolboardcorrectly.
Consistingof:ISO1,ISO2 ..
Takes the signal from block 13 (flyback power supply) and,
controlled by block 16 (duty cycle maker), makes the signal
suitableforpilotingblock6(chopper).
TECHNOLOGY TIG 172 AC/DC