
KMS-2/Exia Transmitter
Installation and Operating Manual
ATEX
Page 8 of 13
KMS-2/Exia IOM Rev C 14/06/2018
Adjustment and Configuration:
(See also Flowchart Page 10)
The unit is normally set at the factory to the required specification:
•
Range adjustment and output inversion (To customer requirements)
•
Low Level Alarm Select (off)
•
Fault Current Output (22mA)
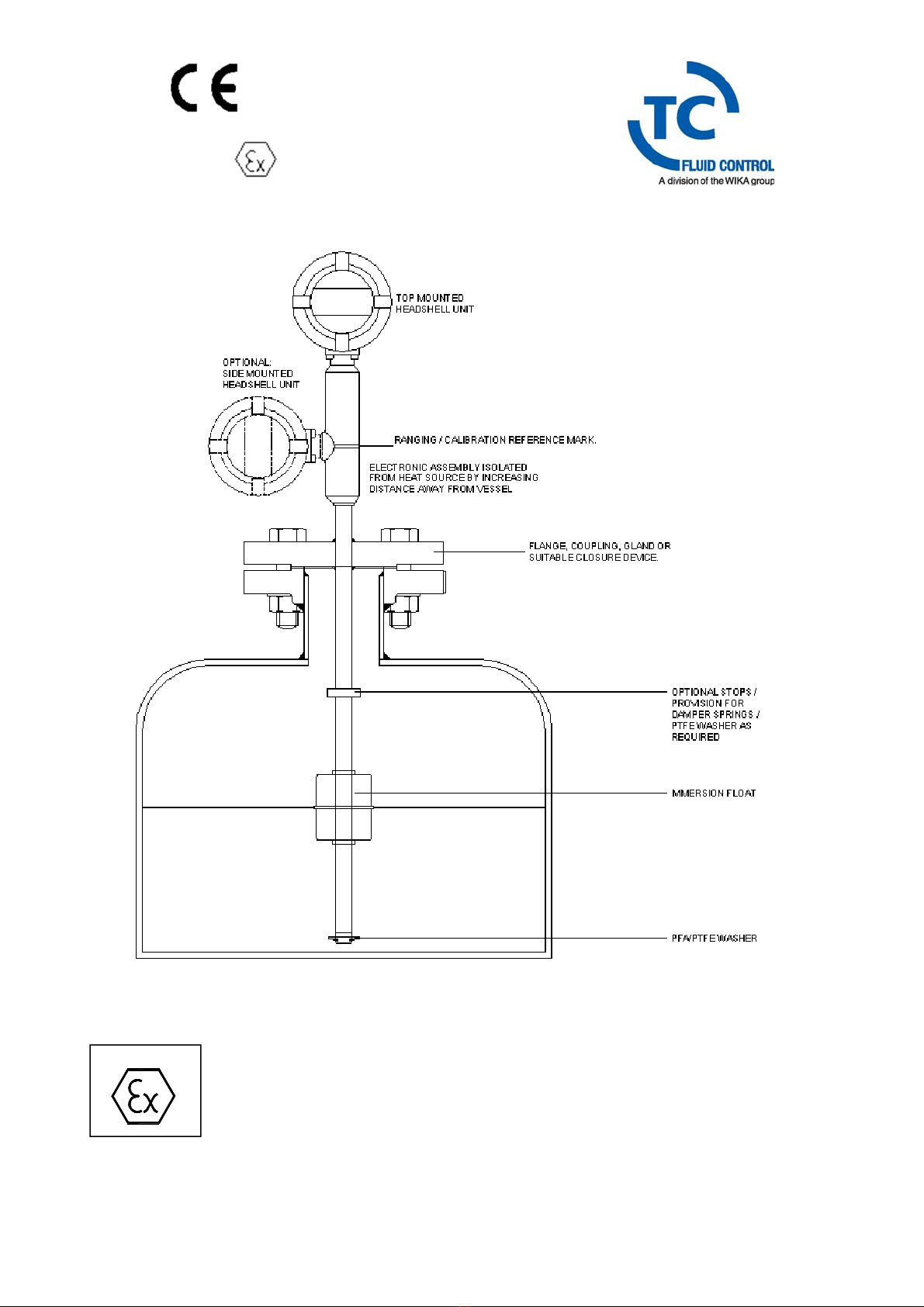
Fig 5
Internal layout of case showing
Local Display and calibration switches
Range Adjustment
The measuring range of the unit is set at the factory.
If the default range is unsuitable or adjustment is required the following procedure should be followed. With
reference to Fig. 5
1. Set the float to the minimum level
2. Press the ‘Span’ and ‘Zero’ buttons until both LED,s flash alternatively (output 12mA)
3. Release buttons
4. Press the ‘Zero’ button until the ‘Zero’ LED stays on
5. Wait until the ‘Zero’ LED extinguishes. (output 4mA)
6. Set the float to the maximum level.
7. Press the ‘Span’ and ‘Zero’ buttons until both LED,s flash alternatively (output 12mA)
8. Release buttons
9. Press the ‘Span’ button until the ‘Span’ LED stays on
10. Wait until the ‘Span’ LED extinguishes. (output 20mA)
If the optional LCD is fitted the display will read ‘CAL’ during the setting process.
The measuring range can be set within the factory limits with a maximum turndown of 50%,
If an error is detected during the ranging process the unit will default to the previously saved
values the relevant LED will flash if ranging failed.
Inverse output
The output is normally set so that the 20mA point is at the Head shell end. If it is required to mount the head
shell at the bottom the output can be inverted by following procedure.
1. Move the float to approximately 50% of range
2. Set the ‘Zero’ level as 2-5 above
3. Move the float to the required maximum level
4. Set the ‘Span level as 7-9 above,
5. Move the float to the required minimum level zero level.
6. Set the ‘Zero level as 2-5 above.
The unit will then automatically invert the output.