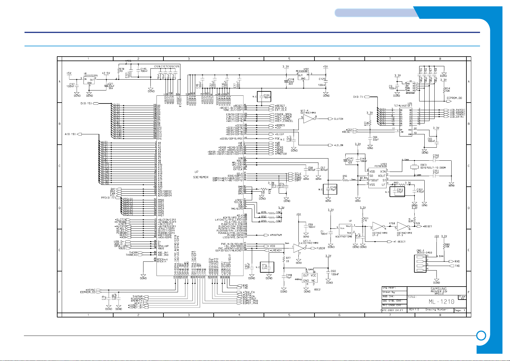
Samsung ML-1200 Series Mode d'emploi
Autres manuels Samsung Imprimante

Samsung
Samsung ML-166 Series Manuel utilisateur

Samsung
Samsung SCX-5635FN - Mono Laser P/s/c/f USB Enet 1200X1200 128MB... Manuel utilisateur

Samsung
Samsung ML-2955ND Manuel utilisateur

Samsung
Samsung ML-2855ND-TAA - Monochrome Laser Printer Taa Manuel utilisateur

Samsung
Samsung Inkjet SCX-1150F Mode d'emploi

Samsung
Samsung ML-4600/XET Manuel utilisateur

Samsung
Samsung CLP-310N Manuel utilisateur

Samsung
Samsung Xpress CLP-365W/XAA Manuel utilisateur

Samsung
Samsung CLP CLP-550 Manuel utilisateur

Samsung
Samsung ML 3050 - B/W Laser Printer Manuel utilisateur

Samsung
Samsung Xpress M2835DW Manuel utilisateur

Samsung
Samsung SCX-4720F Manuel utilisateur

Samsung
Samsung ML-3310ND Manuel utilisateur

Samsung
Samsung ML-2850D Manuel utilisateur

Samsung
Samsung ML-4550 Series Manuel utilisateur

Samsung
Samsung PROXPRESS C301X SERIES Manuel utilisateur

Samsung
Samsung SCX-4500 Series Manuel utilisateur

Samsung
Samsung CLP-620 Series Manuel utilisateur

Samsung
Samsung ML-6512ND SERIES Manuel utilisateur

Samsung
Samsung ML-2251N/XAA Manuel utilisateur































