
Operation
Refer to assembly drawing 112-2869 for part reference numbers.
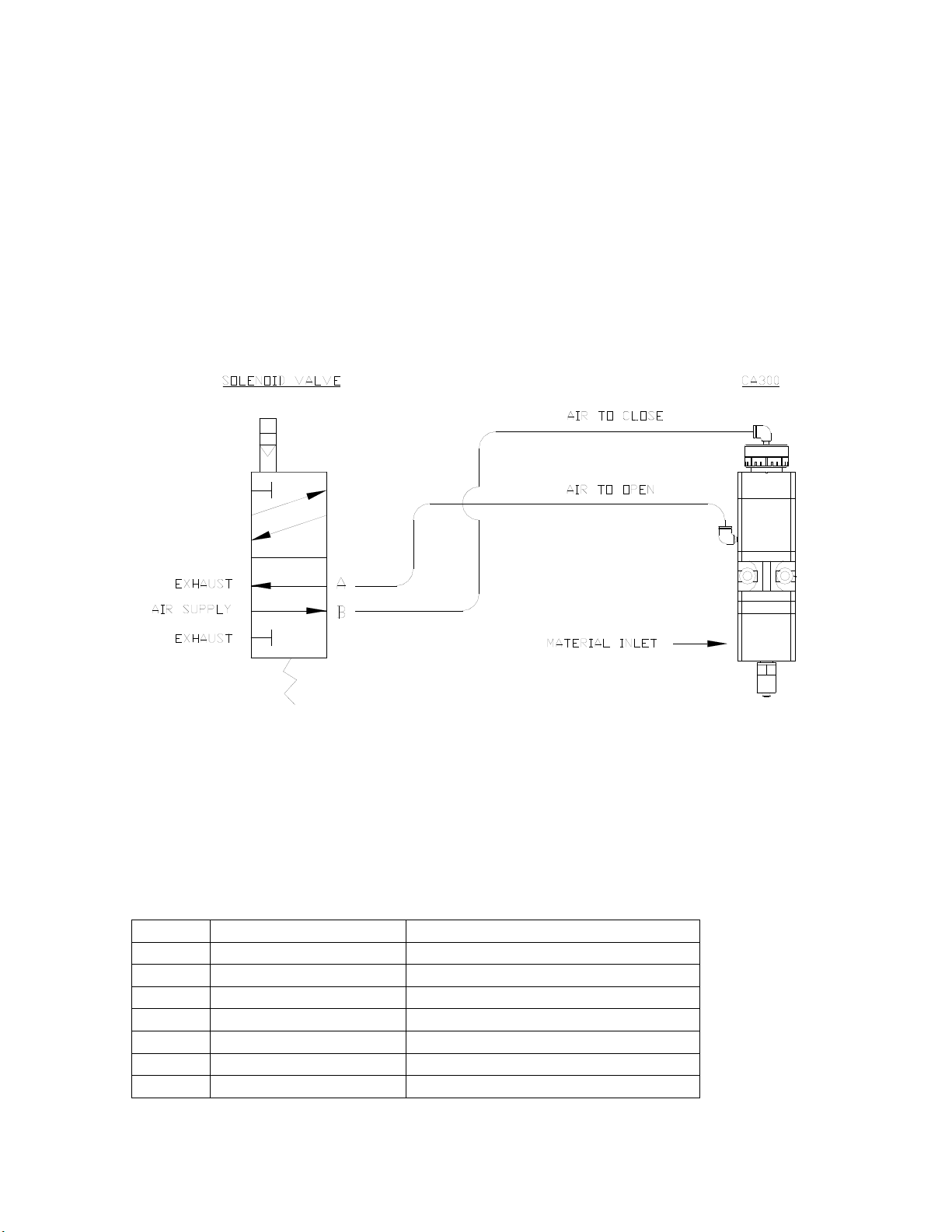
1) Plumb up the valve as outlined above in the Setup procedures.
2) Regulate the air pressure operating the valve between 60-100psi.
3) Making sure that the valve is not aimed toward anyone, cycle the valve several
times. When the valve is cycling, the piston can be heard hitting the stroke
adjustment bolt, and the rod (7) can be seen going up and down in the center.
If the valve is not cycling properly, refer to the Troubleshooting section
4) When the fluid delivery system is connected to the valve, pressurize the material
to be dispensed.
5) Once again cycle the valve open to purge. Fluid should begin to dispense from the
tip of the valve. Continue dispensing until all air is removed.
6) Check fluid connection for leaks. If the valve is leaking or dripping, refer to the
Troubleshooting section.
7) Adjust the material pressure until the desired fluid flow is achieved.
8) Turn the stroke adjustment bolt (12) until the desired flow rate is achieved.
Turning the adjustment clockwise will decrease the material flow rate and
counter-clockwise will increase the material flow rate. If the stroke is turned all
the way down, it will stop fluid flow entirely.
9) Once the stroke is set, tighten the set screw (20) against the stroke adjustment (12)
using a 0.050” Hex key.
Note: Refer to Troubleshooting section for any problems.
Routine Cleaning and Disassembly
Cleaning and rebuilding the valve will be required from time to time. A spare
parts kit, part # CA3-SP is available with all the normal wear parts included.
Fluid Section
1) If possible, flush the valve thoroughly with an appropriate solvent before
disassembly. (Refer to MSDS sheets of fluid for suggested solvent)
2) Begin disassembly by first removing fluid pressure from the system.
3) Remove operating air pressure from the valve.
4) Remove all pneumatic tubing and fluid delivery fittings, hoses, etc. from the
valve.
5) Using an adjustable wrench, unthread and remove the luer adapter (4) from the
fluid section (3).
6) Using a 3/32” Hex key, evenly remove the four machine screws (17) from the
bottom of the fluid section (3) that secure it to the separation block (1).
7) Slide the fluid section (3) away from the diaphragm (2) to remove the o-ring (21).
8) Unthread the diaphragm (2) from the rod (7) by turning it counter clockwise.
9) Clean all of the wetted parts thoroughly with an appropriate solvent.