
Installation
2
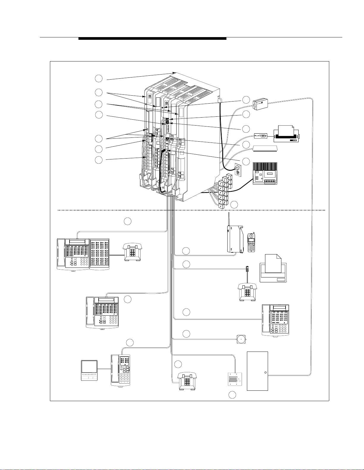
Control Unit
The control unit consists of these components:
1. 5-Slot Carrier. The carrier channels power to the system and
connects the system modules.
2. 206 and 308EC Modules. Each 206 module has jacks for two
lines and six extensions. Each 308EC module (R2.0 only) has
jacks for three lines and eight extensions.
3. 400 Modules. Each 400 module provides four line jacks but no
extensions.
Notice that the 400 modules are installed to the right
of the 308EC and 206 modules
.
4. PARTNER ACS Processor Module. The processor module
contains the software that provides the system’s features, and
has jacks for three lines and eight extensions. It also has
CONTACT CLOSURE, SMDR, PAGE, and MUSIC-ON-HOLD
jacks.
5. Grounding Screw. Attaches a #12 AWG on a #14 AWG solid
copper wire to an approved earth ground.
5a.CONTACT CLOSURE Jack. A Contact Closure Adjunct plugs
directly into this modular jack. Up to two Contact Closure
devices such as door locks can be wired to the Adjunct, and
users at extensions can control the devices.
6. SMDR Jack. A call reporting (or SMDR–Station Message Detail
Recording) device connects directly to this jack. Lucent
Technologies’ Call Accounting Terminal serial printer and box
are shown here.
7. PAGE Jack. A loudspeaker paging system plugs directly into
this modular jack. The system is compatible with any Lucent
Technologies paging system.
8. Line Jacks. The top two jacks on each 206 module, three jacks
on the ACS and 308EC modules and all four jacks on each 400
module, connect to outside telephone lines.
9. MUSIC-ON-HOLD Jack. Lucent Technologies’ Magic on Hold
is connected to this jack to provide customized music and
messages for callers on hold. Other types of audio equipment
(including a CD player, cassette player, or stereo receiver) can
be connected using an audio cord with an RCA phono plug (not
supplied).
If you use equipment that rebroadcasts music or other
copyrighted materials, you are required to obtain a license. For
more information, see “Music-On-Hold Audio Source” later in
this guide.
10.Power LED. The power LED lights when the module is
receiving power.
11.Extension Jacks. The bottom six jacks on each 206 module
and the bottom eight jacks on the ACS and 308EC modules
connect inside wiring for telephones and other
telecommunications equipment.
12.Network Interface Jacks. These jacks provide access to
telephonelines fromthe local telephone company. Each outside
line is connected to the system by plugging one end of the line
cord into one of these jacks, and the other end into a line jack in
the control unit.
Extensions
Various devices—including system phones and
industry-standard devices—can be connected to the modular
wall jacks. The modular wall jacks connect to the extension
jacks in the control unit by way of the building’s inside wiring.
13.Extension 10: These devices are connected:
■PARTNER-34DDisplay Phone. Typically, the receptionist at
extension 10 has a PARTNER-34D display phone like the one
shown here. The display shows the time, dialed numbers, the
duration of calls, and programming messages.
A display phone is required for system programming at
extension 10 or 11, or both. You can use an 18-button display
phone if there are no 34-button phones in the system.
■PARTNER-CA48 Call Assistant Intercom Autodialer. An
Intercom Autodialer is connected to the phone to dial
extensions and transfer calls to them with one touch and to see
which extensions are busy.
■Standard Touch-Tone Phone. During a power failure, the
PARTNER-34D phone on extension 10 will not work, but the
receptionist can use the standard phone to place calls on line 1.
14.Extension 11: PARTNER-34D Display Phone. Another
PARTNER-34D is connected to programming extension 11. You
can program the system from this extension, leaving the
receptionist at extension 10 free to handle calls.
15.Extension 12: PARTNER-6 Phone and Answering Machine. A
PARTNER-6 phone and an answering machine are connected to
this extension.
16.Extension 13: Standard Phone. A standard phone (such as you
might have in your home) is connected directly to the extension
jack.
17.Extension 14: Doorphone. A doorphone is installed at the building
entrance. When someone presses the button on the doorphone,
the designated extensions signal. (Any number of extensions can
be designated as doorphone alert extensions. For this example,
extension 16 is the doorphone alert extension.)
18.Extension 15: Bell. A loud bell is connected directly to this
extension jack. Any line programmed to ring on extension 15
activates the loud bell—to alert users of an incoming call in a large
area, such as a warehouse.
19.Extension 16: PARTNER-18D Display Phone. This phone has a
display like the PARTNER-34D phone. For this example, this is the
doorphone alert extension and the Contact Closure-enable
extension—when someone presses the doorphone button, this
phone signals and the user can press a button on the phone signals
and the user can press a button on the phone to release the door
lock.
20.Extension 17: Fax Machine and Standard Phone. A fax machine
and standard phone share this extension. This lets you have the
use of another phone when the fax machine is idle. (You can use a
system phone at another extension to monitor fax machine
activity—see “FAX Management Feature” under “Using Fax
Machines” in Chapter 4 of the
PARTNER Advanced
Communications System Programming and Use
guide
.
)
21.Extension 18: MDW 9030P Pocketphone. This wireless phone is
lightweight and portable.