
T4
LECTROSONICS, INC.
6
icon to indicate transmit (XMIT) mode. The MENU
button is then used to navigate to the other function
windows, see page..7? indicates the channel (or oper-
ating) frequency of the unit to the nearest 0.1 MHz (100
kHz). The LED display also indicates low input power
by blinking continuously when the input voltage drops
below 11.0 Volts.
Select Buttons (Up and Down)
After stepping to a window using the MENU button the
UP and DOWN and MENU buttons are used to further
navigate to a selection choice. When the selection is
made the choice is entered into the processor by press-
ing the MENU again.
For example, from the MAIN window press the MENU
button once to display the Audio Input level set window.
Pressing the UP button increases the input gain and
pressing the DOWN button decreases the input gain.
Likewise, press the MENU button twice from the main
window to display the Frequency window. The transmit-
ter frequency is then changed by pressing the UP or
DOWN button. Each push will change the frequency,
up or down, in 100 kHz increments, or one channel
at a time. The FREQ buttons are enabled when the
OFF/TUNE/XMIT switch is in the TUNE position. The
frequency can be stepped a single frequency channel
at a time by a momentary push or if a selected FREQ
button is pressed for more than two seconds, the speed
of change increases to about five channels per second.
Also, large increment steps can be made by holding in
the MENU button while momentarily pressing the UP or
DOWN button. The T4 will “remember” the last channel
selected when the unit is turned off, and it will set itself
to that frequency when the unit is reenergized.
When the switch is in the XMIT mode, pressing the
FREQ up/down buttons will not disturb the frequency or
the transmitter signal output.
Note: When the highest or lowest frequency is reached,
the unit will wrap around and continue in the same
direction at the other end of the range.
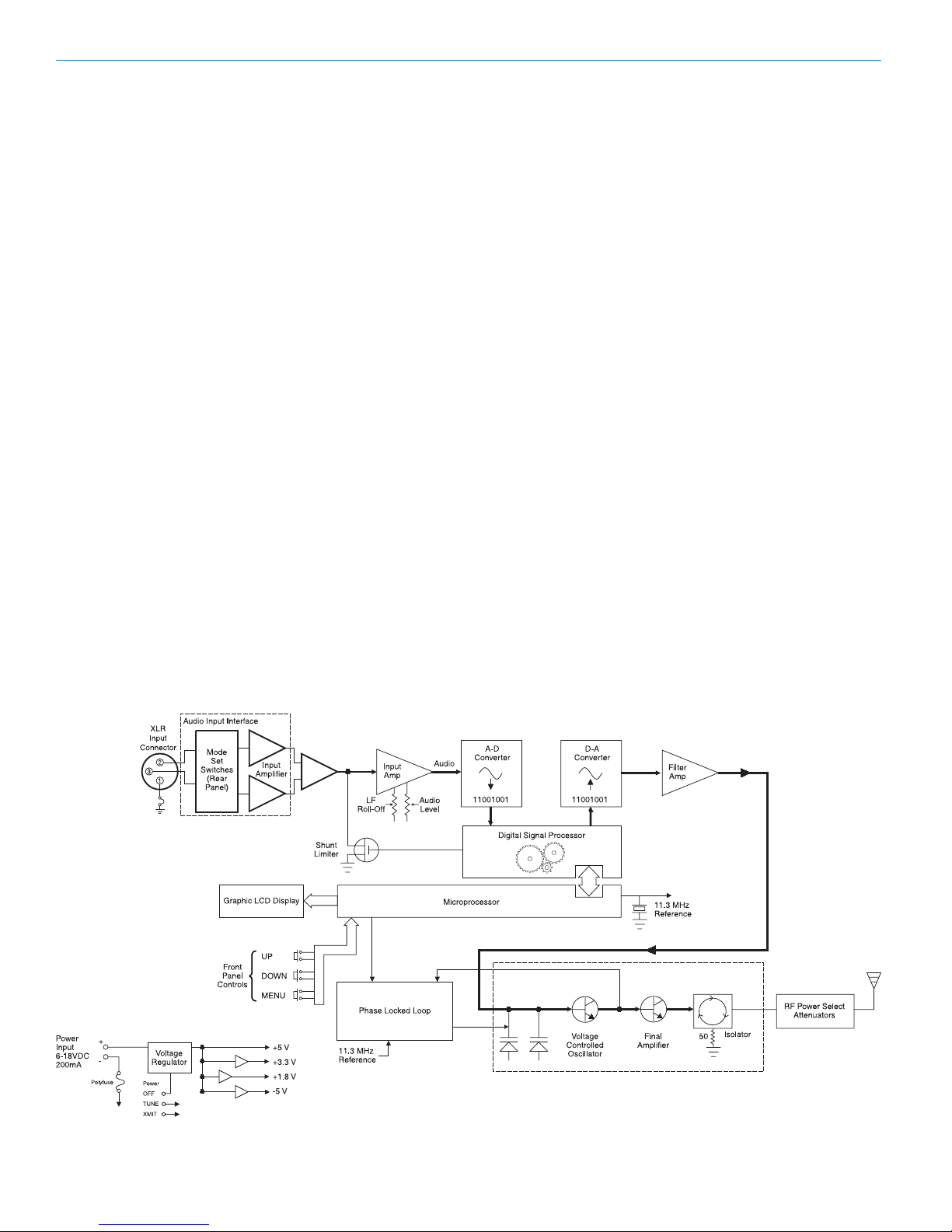
Rolloff
The low frequency rolloff is normally 3dB down at 35
Hz. The rolloff can be changed to 50 Hz by navigating
to the ROLLOFF window and using the UP or DOWN
button to select the desired rolloff. Pressing MENU
then enters the setting into the processor.
Audio Level Control
The Audio Level Control is used to adjust the audio
input level for proper modulation. The gain range is
+24dB to -18dB. The reference for this control can be
changed with the rear panel MODE switches. See the
INSTALLATION AND OPERATION section for more
information on the MODE switches.
T4 Front Panel
OFF/TUNE/XMIT Switch
OFF Turns the unit off.
TUNE Mutes the transmitter RF output section while
enabling all of the menus as well as the up and
down select buttons for setting the operating
frequency and all other functions of the transmit-
ter.
XMIT Normal operating position. With the switch the
XMIT position, the unit is transmitting a modu-
lated signal to the corresponding receiver except
the ability to change frequency is locked out.
The switch must be set to TUNE position in or-
der to change the frequency. In XMIT position
the buttons allow to display the transmitter HEX
switch settings, the operating frequency and the
TV channel and also allow the use of the menus
to adjust the Audio Level and Rolloff .
Power Up Sequence
When the OFF/TUNE/XMIT switch is first turned on,
the front panel LCD display cycles through the following
sequences:
1. Displays Model and frequency block number:
IFBT4 BLK 25 (example)
2. Displays installed firmware version number: VER-
SION 1.0 (example)
3. Displays the current compatibility mode setting:
COMPAT IFB (example)
1. “TEST MODE” momentarily illuminating all
display segments (8.8.8.8.)
2. Momentarily displays firmware version number,
(i.e. 4.0)
3. Displays operating frequency in MHz.
LCD Display
The LCD is a backlit graphic type liquid crystal display
that is used to monitor the unit operation and to con-
figure the IFBT4 for desired settings. Upon initial
power up, the display defaults to the MAIN window that
displays an active audio VU meter and an icon in the
shape of a “T” to indicate TUNE mode or an antenna
Front Panel Controls and Functions