
80TK-4012
MP101 MP102
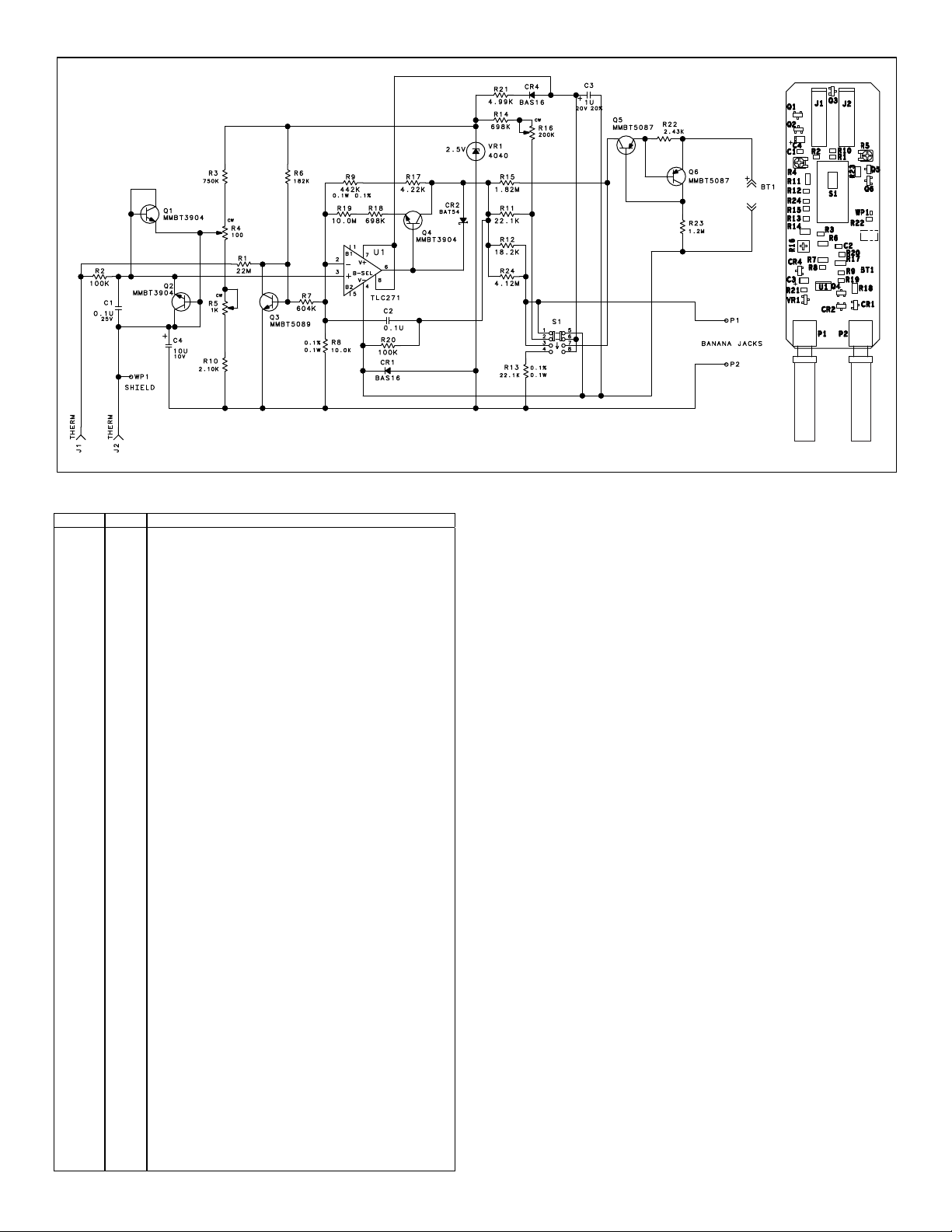
80TK Schematic Diagram
Replaceable Parts
2814488 CASE TOP
2814495 CASE BOTTOM
735860 COVER SWITCH
735944 SHIELD, BOTTOM
735910 SHIELD, TOP
735928 SHIELD CONTACT
747501 SCREW,SCREW,PH,PO,STL,4-40,.250
MP101 202470 CURRENT SHUNT SHROUD (RED)
MP102 202447 CURRENT SHUNT SHROUD (BLACK)
AR1 802691 IC,OP AMP,TLC271A,PROGRAMMABLE,LOW POWER,SO8
BT1 696534 BATTERY,PRIMARY ,BATTERY,9V,0-15MA
C1 C2 942529 CAPACITOR,SMR,CAP,CER,0.1UF,+-10%,25V,X7R,0805
C3 942552 CAPACITOR,SMR,CAP,TA,1UF,+-20%,20V,3216
C4 650223 CAPACITOR,SMR,CAP,TA,10UF,+-20%,10V,3216
CR1 CR4 830489 DIODE,BAS16,SMR,DIODE,SI,75V,250MA,SOT-23
CR2 876529 DIODE,BAT54,SMR,DIODE,SI,SCHOTTKY,30V,200MA,SOT-23
J1 J2 735993 80TK-8008,CONTACT, THERMOCOUPLE
MP1 1276793 80TK-3012,80TK - PCB SM_PIH
P1 P2 736033 80TK-8009,PLUG,BANANA
Q1 Q2 Q4 742676 NPN,MMBT3904,SMR,TRANSISTOR,SI,NPN,60V,350MW,SOT-23
Q3 820902 NPN,MMBT5089,SMR,TRANSISTOR,SI,NPN,30V,200MW,SOT-23
Q5 Q6 820910 PNP,MMBT5087,SMR,TRANSISTOR,SI,PNP,50V,225MW,SOT-23
R1 802725 RESISTOR,CERMET,22M,+-1%,0.1W,400PPM,0805,TAPE
R10 943006 RESISTOR,CERMET,2.1K,+-1%,0.1W,100PPM,0805,TAPE
R11 913731 RESISTOR,SMR,RES,CERM,22.1K,+-1%,100PPM,1206
R12 802675 RESISTOR,SMR,RES,MF,18.2K,+-0.1%,0.1W,25PPM,0805
R13 802683 RESISTOR,SMR,RES,MF,22.1K,+-0.1%,0.1W,25PPM,0805
R14 R18 867296 RESISTOR,SMR,RES,CERM,698K,+-1%,.125W,100PPM,1206
R15 802717 RESISTOR,CERMET,1.82M,+-1%,0.1W,400PPM,0805
R16 928085 RESISTOR,SMR,RES,VAR,CERM,200K,+-25%
R17 821447 RESISTOR,SMR,RES,CERM,4.22K,+-1%,.125W,100PPM,1206
R19 943659 RESISTOR,CERMET,10M,+-1%,0.1W,400PPM,0805,TAPE
R2 R20 928866 RESISTOR,SMR,RES,CERM,100K,+-1%,0.1W,100PPM,0805
R21 928767 RESISTOR,SMR,RES,CERM,4.99K,+-1%,0.1W,100PPM,0805
R22 928754 RESISTOR,SMR,RES,CERM,2.43K,+-1%,0.1W,100PPM,0805
R23 806240 RESISTOR,SMR,RES,CERM,1.2M,+-5%,.125W,200PPM,1206
R24 802709 RESISTOR,CERMET,4.12M,+-1%,0.1W,400PPM,0805
R3 802659 RESISTOR,SMR,RES,MF,750K,+-0.25%,0.1W,50PPM,0805
R4 106937 RESISTOR,SMR,RES,VAR,CERM,100,+-20%,0.25W
R5 802782 RESISTOR,SMR,RES,VAR,CERM,1K,+-20%,0.25W
R6 927426 RESISTOR,SMR,RES,CERM,182K,+-1%,.125W,100PPM,1206
R7 876441 RESISTOR,SMR,RES,CERM,604K,+-1%,.125W,100PPM,1206
R8 802444 RESISTOR,SMR,RES,MF,10K,+-0.1%,0.1W,50PPM,0805
R9 802667 RESISTOR,SMR,RES,MF,442K,+-0.1%,0.1W,25PPM,0805
S1 740225 SWITCH,SWITCH,SLIDE,DPTT
VR1 930065 BIPOLAR 4040,SMR,IC,V REF,SHUNT,2.5 V,1%,150 PPM,SOT23
LIMITED WARRANTY & LIMITATION OF LIABILITY
Each Fluke product is warranted to be free from defects in material and workmanship
under normal use and service. The warranty period is one year and begins on the date
of shipment. Parts, product repairs and services are warranted for 90 days. This
warranty extends only to the original buyer or end-user customer of a Fluke authorized
reseller, and does not apply to fuses, disposable batteries or to any product which, in
Fluke's opinion, has been misused, altered, neglected or damaged by accident or
abnormal conditions of operation or handling. Fluke warrants that software will operate
substantially in accordance with its functional specifications for 90 days and that it has
been properly recorded on non-defective media. Fluke does not warrant that software
will be error free or operate without interruption.
Fluke authorized resellers shall extend this warranty on new and unused products to
end-user customers only but have no authority to extend a greater or different warranty
on behalf of Fluke. Warranty support is available if product is purchased through a
Fluke authorized sales outlet or Buyer has paid the applicable international price. Fluke
reserves the right to invoice Buyer for importation costs of repair/replacement parts
when product purchased in one country is submitted for repair in another country.
Fluke's warranty obligation is limited, at Fluke's option, to refund of the purchase price,
free of charge repair, or replacement of a defective product which is returned to a Fluke
authorized service center within the warranty period.
To obtain warranty service, contact your nearest Fluke authorized service center or
send the product, with a description of the difficulty, postage and insurance prepaid
(FOB Destination), to the nearest Fluke authorized service center. Fluke assumes no
risk for damage in transit. Following warranty repair, the product will be returned to
Buyer, transportation prepaid (FOB Destination). If Fluke determines that the failure
was caused by misuse, alteration, accident or abnormal condition of operation or
handling, Fluke will provide an estimate of repair costs and obtain authorization before
commencing the work. Following repair, the product will be returned to the Buyer
transportation prepaid and the Buyer will be billed for the repair and return
transportation charges (FOB Shipping Point).
THIS WARRANTY IS BUYER'S SOLE AND EXCLUSIVE REMEDY AND IS IN LIEU
OF ALL OTHER WARRANTIES, EXPRESS OR IMPLIED, INCLUDING BUT NOT
LIMITED TO ANY IMPLIED WARRANTY OF MERCHANTABILITY OR FITNESS FOR
A PARTICULAR PURPOSE. FLUKE SHALL NOT BE LIABLE FOR ANY SPECIAL,
INDIRECT, INCIDENTAL OR CONSEQUENTIAL DAMAGES OR LOSSES,
INCLUDING LOSS OF DATA, WHETHER ARISING FROM BREACH OF WARRANTY
OR BASED ON CONTRACT, TORT, RELIANCE OR ANY OTHER THEORY.
Since some countries or states do not allow limitation of the term of an implied warranty,
or exclusion or limitation of incidental or consequential damages, the limitations and
exclusions of this warranty may not apply to every buyer. If any provision of this
Warranty is held invalid or unenforceable by a court of competent jurisdiction, such
holding will not affect the validity or enforceability of any other provision.
1.888.475.5235info@Fluke-Direct.com Fluke-Direct.com
www.valuetronics.com