Code Alarm Car Alarm CA-310 Manuel utilisateur
Autres manuels Code Alarm Alarme de voiture

Code Alarm
Code Alarm Professional Series CA 1050 Manuel utilisateur

Code Alarm
Code Alarm ca1555 Manuel utilisateur

Code Alarm
Code Alarm F20 Manuel utilisateur

Code Alarm
Code Alarm CATX520 Mode d'emploi

Code Alarm
Code Alarm CATX610 Mode d'emploi

Code Alarm
Code Alarm ca 1151 Manuel utilisateur

Code Alarm
Code Alarm CA 671 Manuel utilisateur

Code Alarm
Code Alarm CSI-300 Manuel utilisateur

Code Alarm
Code Alarm ca 1051 Manuel utilisateur

Code Alarm
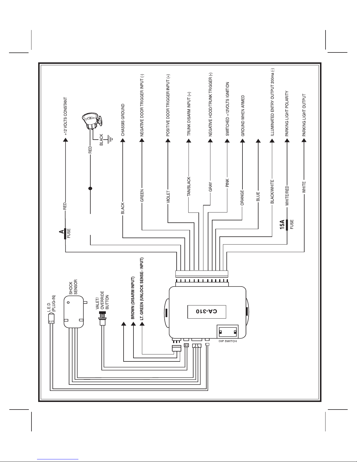
Code Alarm CA 310 Manuel utilisateur

Code Alarm
Code Alarm CA-640 Manuel utilisateur

Code Alarm
Code Alarm 2000 Manuel utilisateur

Code Alarm
Code Alarm PRO 3500 Caractéristiques techniques

Code Alarm
Code Alarm Elite ca1155E Manuel utilisateur

Code Alarm
Code Alarm CSI-200 Manuel utilisateur

Code Alarm
Code Alarm CA 650 Manuel utilisateur

Code Alarm
Code Alarm CATX130 Mode d'emploi

Code Alarm
Code Alarm Professional ca6153 Manuel utilisateur

Code Alarm
Code Alarm CA-670 Manuel utilisateur

Code Alarm
Code Alarm ca6355E Manuel utilisateur
Manuels Alarme de voiture populaires d'autres marques

Federal Signal Corporation
Federal Signal Corporation Pathfinder Siren Series Manuel

Falcon
Falcon Predator XL3 Guide de l'utilisateur

Audiovox
Audiovox Auto Security XR91 Mode d'emploi

Clifford
Clifford Sabre II Manuel utilisateur

CrimeStopper
CrimeStopper CS-8717 Guide de démarrage rapide

Ultra Start
Ultra Start 450 SERIES Manuel utilisateur






















