
8
Vor der Installation des Caleffi-Mischers der Serie 5218 muss die Anlage überprüft und
sichergestellt werden, dass die Betriebsbedingungen der Anlage den betriebsrelevanten
Anforderungen des Mischers entsprechen; so müssen zum Beispiel die
Zuflusstemperaturen, der Leitungsdruck usw. gemessen werden.
Vor dem Einbau des Caleffi-Thermomischers der Serie 5218 muss die Anlage geleert und
gereinigt werden, um während der Installation angesammelte Schmutzpartikel zu
beseitigen.
Mangelnde Sorgfalt bei der Entfernung von Verunreinigungen kann die Leistung
des Produktes beeinträchtigen und den Verlust des Garantieanspruches
gegenüber dem Hersteller zur Folge haben.
Der Mischer muss so eingebaut werden, das dieser bei Bedarf gewartet werden
können. Die Leitung darf nicht zum Stützen des Ventilgewichtes benutzt werden.
Der Mischer der Serie 5218 muss gemäß den in diesem Handbuch enthaltenen
Anwendungsschemata installiert werden.
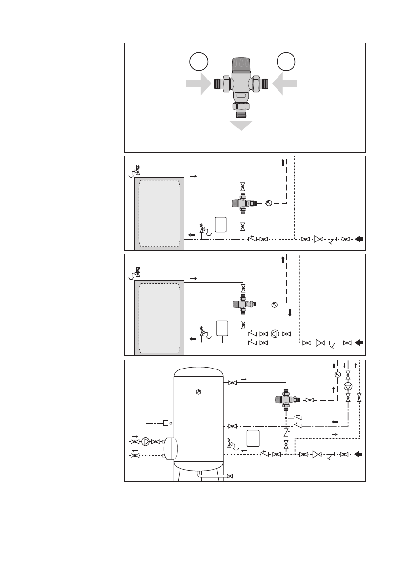
Der Thermomischer der Serie 5218 kann sowohl horizontal als auch vertikal eingebaut
werden. Die Kalt- und Warmwasserzuläufe müssen wie auf dem Ventilgehäuse
angegeben angeschlossen werden. Der Warmwassereingang ist mit dem Buchstaben H
gekennzeichnet. Der Kaltwassereingang ist mit dem Buchstaben C gekennzeichnet.
Der Mischwasserabgang ist mit MIX gekennzeichnet.
Der Thermomischer muss mit den Absperrventilen, Filtern und Rückschlagventilen am
Zulauf installiert werden.
Die Absperrventile müssen möglichst nahe am Ventileingang installiert werden, um den
Wasserzufluss für Wartungsarbeiten sperren zu können.
Die Filter sollten ebenfalls möglichst nahe am Eingang installiert werden, um das Eintreten
von Verunreinigungen in den Mischer zu verhindern.
Die Rückschlagventile EN 13959 müssen möglichst nahe am Eingang installiert werden,
um ein unerwünschtes Rückfließen des Wassers zu vermeiden.
Der Thermomischer Serie 5218 wird komplett mit eingebauten Filtern und EN 13959
Rückschlagventilen an den Warm- und Kaltwassereingängen geliefert.
Avant d'installer le mitigeur Caleffi série 5218, l'installation doit être contrôlée afin de s'assurer
que les conditions de travail respectent la plage de fonctionnement du mitigeur, en vérifiant, par
exemple, les températures d'alimentation, les pressions d'alimentation, etc.
Vidanger le circuit sur lequel doit être installé le mitigeur série 5218. Nettoyer le circuit afin
d'éliminer toutes les saletés éventuellement présentes.
La présence de saletés peut influencer la prestation de l'appareil et annuler la garantie du producteur.
S'assurer de la facilité d'accès au mitigeur, facilitant d'autant les opérations de maintenance. La
tuyauterie ne doit pas supporter le poids du mitigeur.
Installer le mitigeur série 5218 selon les schémas d'installation fournis dans ce mode
d'emploi.
Le mitigeur série 5218 peut être installé dans n'importe quelle position, aussi
bien à la verticale qu'à l'horizontale.
Raccorder les arrivées d'eau chaude et froide conformément aux indications
mentionnées sur le corps du mitigeur.
L'arrivée d'eau chaude porte la lettre H.
L'arrivée d'eau froide porte la lettre C.
La sortie d'eau mitigée porte l'inscription MIX.
Installer le mitigeur thermostatique avec des vannes d'arrêt, filtres et clapets anti-retour
sur les entrées.
Les vannes d'arrêt doivent être installées le plus près possible des entrées et servent
à isoler le mitigeur lors d'entretien.
Poser les filtres le plus près possible des entrées pour empêcher les impuretés
d'entrer dans le mitigeur.
Les clapets anti-retour EN 13959 sont nécessaires pour éviter des retours non désirés
et doivent être installés le plus près possible des entrées.
Le mitigeur thermostatique série 5218 est doté de filtres et de clapets anti-retour
EN 13959 incorporés sur les entrées eau chaude et eau froide.
Antes de montar un mezclador Caleffi serie 5218, es necesario controlar que sea
compatible con las características de la instalación (temperatura y presión de entrada, etc.).
El sistema donde se instale el mezclador serie 5218 se debe purgar y limpiar para
eliminar toda la suciedad que pueda haberse acumulado durante la instalación.
La presencia de impurezas puede comprometer las prestaciones del producto y la
garantía del fabricante. Es esencial que la válvula esté en una posición accesible
para poder efectuar su mantenimiento y el de las conexiones. La válvula no debe
quedar sostenida por los tubos.
El mezclador serie 5218 se debe instalar como indican los esquemas de
aplicación incluidos en este manual.
El mezclador serie 5218 se puede instalar en posición vertical u horizontal.
Conectar las entradas de agua caliente y fría como se indica en el cuerpo de la válvula.
La entrada de agua caliente está marcada con la letra H.
La entrada de agua fría está marcada con la letra C.
La salida de agua mezclada se señala con la palabra MIX.
El mezclador termostático se debe instalar con válvulas de corte, filtros y válvulas de
retención en las entradas.
Las válvulas de corte han de situarse lo más cerca posible de las entradas al