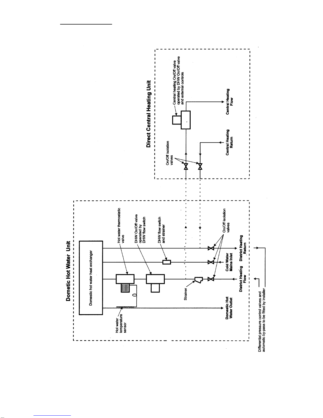
Alpha Alpha Plus DH Units Mode d’emploi
Autres manuels Alpha Chaudière

Alpha
Alpha 41 532 05 Guide de l'utilisateur

Alpha
Alpha Alpha 240XP Guide de l'utilisateur

Alpha
Alpha Alpha CD24C Guide de l'utilisateur

Alpha
Alpha Alpha HE25 Manuel utilisateur

Alpha
Alpha E-Tec 28 Manuel utilisateur

Alpha
Alpha ARES 440 Tec Guide de l'utilisateur

Alpha
Alpha Alpha CD Manuel utilisateur

Alpha
Alpha ARES Pro 150 Guide de l'utilisateur

Alpha
Alpha InTec2 26CE Guide de l'utilisateur

Alpha
Alpha Alpha CD13R Manuel utilisateur

Alpha
Alpha ARES 150 Tec Guide de l'utilisateur

Alpha
Alpha 26C Guide de l'utilisateur

Alpha
Alpha InTec 50CS Guide de l'utilisateur

Alpha
Alpha Alpha CD50 Manuel utilisateur

Alpha
Alpha Alpha CB50 Boiler Guide de l'utilisateur

Alpha
Alpha 240eco Manuel utilisateur

Alpha
Alpha Alpha CB24 Manuel utilisateur

Alpha
Alpha Alpha CB Boiler Manuel utilisateur

Alpha
Alpha Alpha Twin Pipe Flue Systems Manuel utilisateur

Alpha
Alpha SolarSmart 90 Instructions d'installation
Manuels Chaudière populaires d'autres marques

Vaillant
Vaillant uniSTOR VIH SW GB 500 BES Manuel utilisateur

Radijator
Radijator BIO max 23.1 Manuel utilisateur

Brunner
Brunner BSV 20 Manuel utilisateur

Buderus
Buderus Logamax GB062-24 KDE H V2 Manuel utilisateur

Potterton
Potterton 50e Fiche technique

UTICA BOILERS
UTICA BOILERS TriFire Manuel utilisateur

























