-Welcome
| — 3 —
Pos: 6 /Bus c h-Ja ege r (N eust ruk t ur)/ Modul -St rukt u r/Onli ne-D oku ment ation /Ü be rschri ft en (- -> Für all e D okum ent e < --)/ 1. E b ene/S - T/S ic herhei t @ 18\ mod _13 026 127 917 90_ 15.d oc x @ 103 357 @ 1 @ 1
1Safety
Pos: 7 /Bus c h-Ja ege r (N eust ruk t ur)/ Modul -St rukt u r/Onli ne-D oku ment ation /S ic herhei t (-- > Für al le Dok um ente <- -)/Wa rn hinw eise /S icher hei t - 23 0 V @ 18\m od_ 130 260 681 675 0_15 .docx @ 1 033 08 @ @ 1
Warning
Electric voltage!
Dangerous currents flow through the body when coming into direct or
indirect contact with live components.
This can result in electric shock, burns or even death.
■Disconnect the mains power supply prior to installation and/or
disassembly!
■Permit work on the 110-240 V supply system to be performed only by
specialist staff!
Pos: 8 /Bus c h-Ja ege r (N eust ruk t ur)/ Modul -St rukt u r/Onli ne-D oku ment ation /Ü be rschri ft en (- -> Für all e D okum ent e < --)/ 1. E b ene/A - F/B esti m mungs ge mä ßer Geb rau ch @ 18\ mod _13 027 6332 131 6_1 5.do cx @ 1034 83 @ 1 @ 1
2Intended use
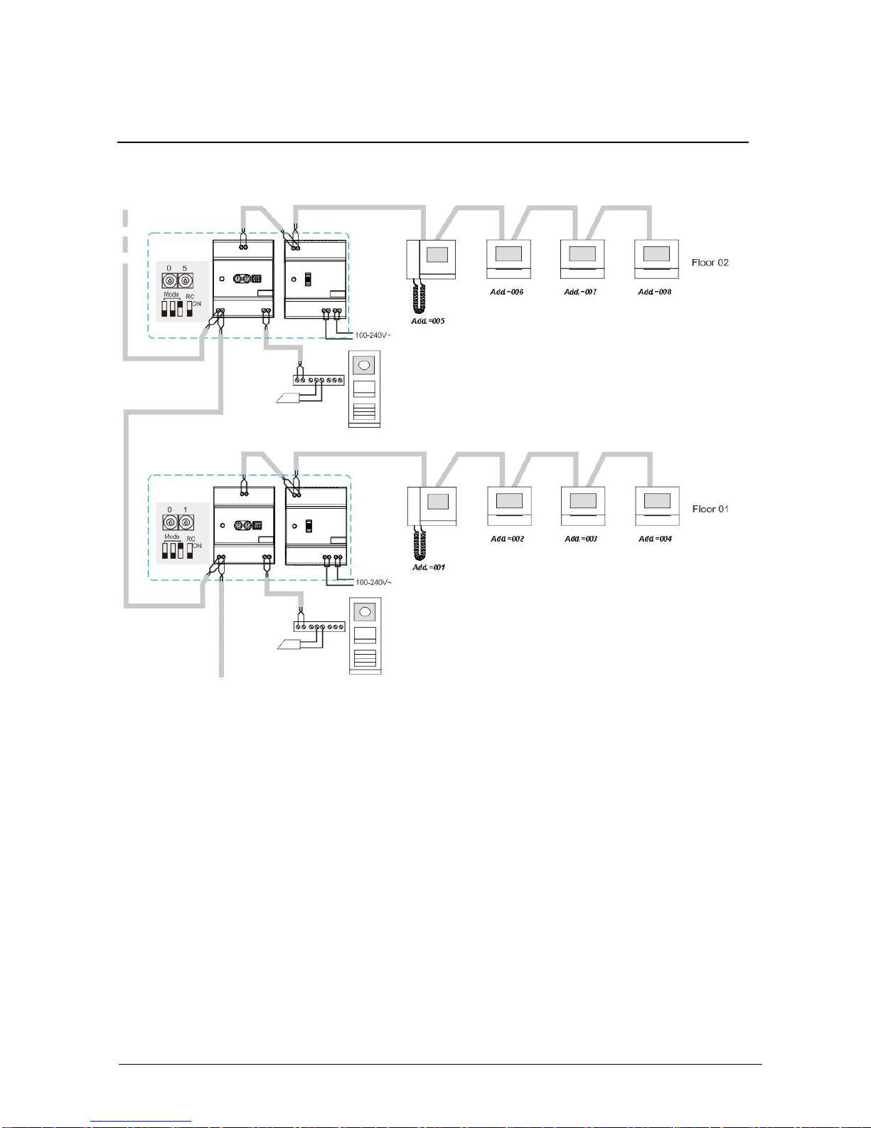
Pos: 9 /Di nA4 - A nl eitun gen Onli ne /Inh alt/K NX /Doo rE ntry /832 20-AP - xxx /Best i mmu ngsg em aesse r Ge bra uch - 83 220 -A P-xx x- 500 @ 2 0\mo d_1 324 561 168 699 _15. docx @ 11 272 8 @ @ 1
This device is an integral part of the ABB-Welcome door communication system and
operates exclusively with components from this system. The device must only be
installed on mounting rails according to DIN EN 500022.
Pos: 10 /B us ch-J aeg er (Neus t ruk tur )/M odul -Struk t ur/O nline -D oku me ntatio n/Ü be rsch rift e n (--> Fü r all e Doku men te < -- )/1. E bene /U - Z/U mwelt @ 18\ mod _13 026 141 5896 7_1 5.d ocx @ 103 383 @ 1 @ 1
3Environment
Pos: 11 /B us ch-J aeg er (Neus t ruk tur )/M odul -Struk t ur/O nline -D oku me ntatio n/U mw elt ( --> F ür all e Doku me nte <-- )/Hi nweis e/Hi nw eis - U mwelt - Hinw eis E lekt roge räte @ 1 8\mo d_1 302 763 973 434 _15. docx @ 10 350 0 @ @ 1
Consider the protection of the environment!
Used electric and electronic devices must not be disposed of with
domestic waste.
– The device contains valuable raw materials that can be recycled.
Therefore, dispose of the device at the appropriate recycling
facility.
Pos: 12 /Di nA4 - A nleit u ngen Onli n e/Ueb ersc hri ft en/2 ./A BB Gera ete @ 19 \mo d_1 323 162 843 832_ 15. doc x @ 11 087 5 @ 2 @ 1
3.1 ABB devices
Pos: 13 /B us ch-J aeg er (Neus t ruk tur )/M odul -Struk t ur/O nline -D oku me ntatio n/U mw elt ( --> F ür all e Doku me nte <-- )/Hi nweis e/Hi nw eis - U mwelt - AB B E lekt roger äte @ 19\ mo d_1 3231 627 458 39_ 15.d ocx @ 110 867 @ @ 1