
2020/03/04 15:19 / DM-20 Wiring Examples
Knowledge Center - http://kb.supremainc.com/knowledge/
Table of Contents
DM-20 Wiring Examples 1 ......................................................................................................................
Door Control Module, DM-20 1 ...........................................................................................................
Introduction 1 ..................................................................................................................................
Features 1 .......................................................................................................................................
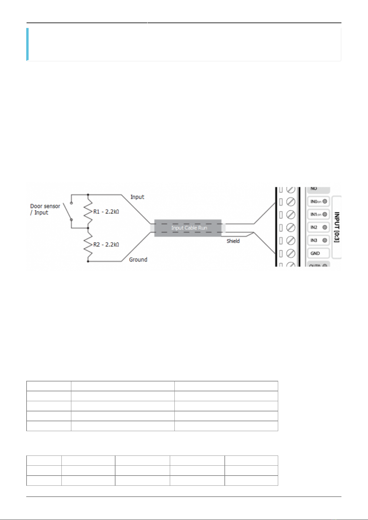
Supervised Input 2 ..............................................................................................................................
Principal and Connection 2 ..............................................................................................................
BioStar 2 and DM-20 3 ....................................................................................................................
Connection Diagram 3 ........................................................................................................................
Wiegand Reader x 2 3 .....................................................................................................................
Wiegand Reader x 1, Slave Device x 1 4 .........................................................................................
System Diagram 5 ..............................................................................................................................
Controlling 2 Doors 6 ......................................................................................................................
Controlling 4 Doors 7 ......................................................................................................................
Anti-Passback 9 ...............................................................................................................................