
- 8 -
Caution: C610 has a Slo Voltage Discharge
If the front panel power on/off button is switched to the off position prior to the AC mains input power being removed from
the monitor then electrolytic capacitor C610 discharges with a long time constant. When the monitor cabinet cover and/or
EMI shield are removed making the D board circuitry accessible during servicing or repair by qualified personnel the
following procedure is recommended: Always remove the AC mains input power from the monitor prior to switching the
front panel on/off button to the off position. The AC mains input power should be removed from the monitor for a mini-
mum of 30 seconds before the front panel on/off button is switched to the off position.
Caution: Do NOT Touch IC610 Component Tab or Heat Sink
IC610 component tab has an electrical voltage potential equivalent to the primary side return (approximately AC mains
input voltage potential). If IC610 heat sink insulator pad and/or shoulder washer busing are damaged or not assembled
correctly then the IC610 heat sink will have an electrical voltage potential equivalent to primary side return (approximately
AC mains input voltage potential).
No Po er
In the event that the monitor does not turn on first verify input power is applied to CN600 and the front panel power button
is turned on; then check F601. If F601 is blown the primary side circuitry should be checked. If the fuse is not blown then
check the secondary side circuitry especially the protection circuits. If these circuits are causing a no power symptom the
problem can be more readily found.
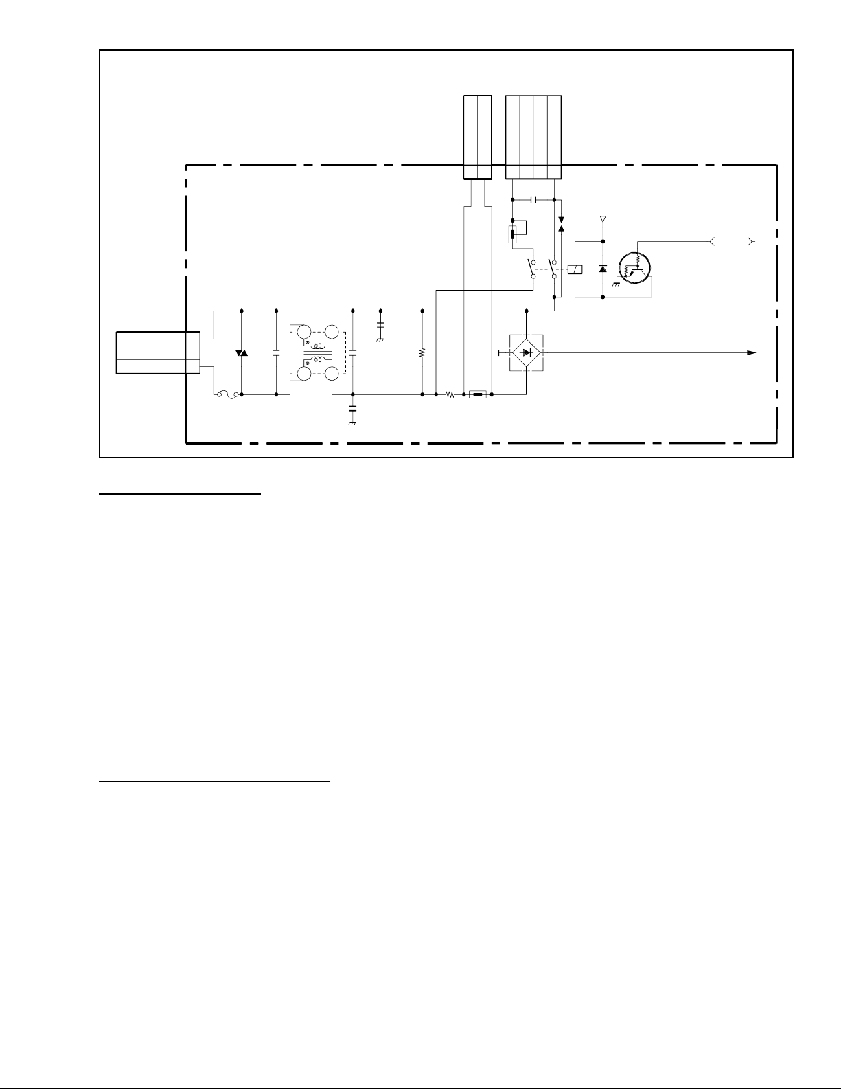
AC Input and Degauss Circuit Trouble Shooting
For no power or nonoperating power supply the AC input circuitry should be checked. Open or short circuit elements will
cause non-operation. Check F601 CN600 D601 R600 TH600 and R605 on the D Board. Check the front panel power
button for continuity.
If all elements are correct check whether F601 breaks when power is applied and the power button is closed. If the fuse
does blow there probably is a component shorted in the prmary circuitry.
The degauss will malfunction if CN601 is not connected. One problem could be loss of degauss signal from the micropro-
cessor. This can be verified by using the manual degauss command found in the OSD menu. If the signal does not appear at
Q601 base then it is possible that the microprocessor does not function correctly or standby 5V is not functioning.
The second step is to place a short across the AC terminals of RY601 for less than two seconds. If degauss operates then
check Q601 and RY601. If degauss does not work check TH601 for an open condition and C631 for a short condition.
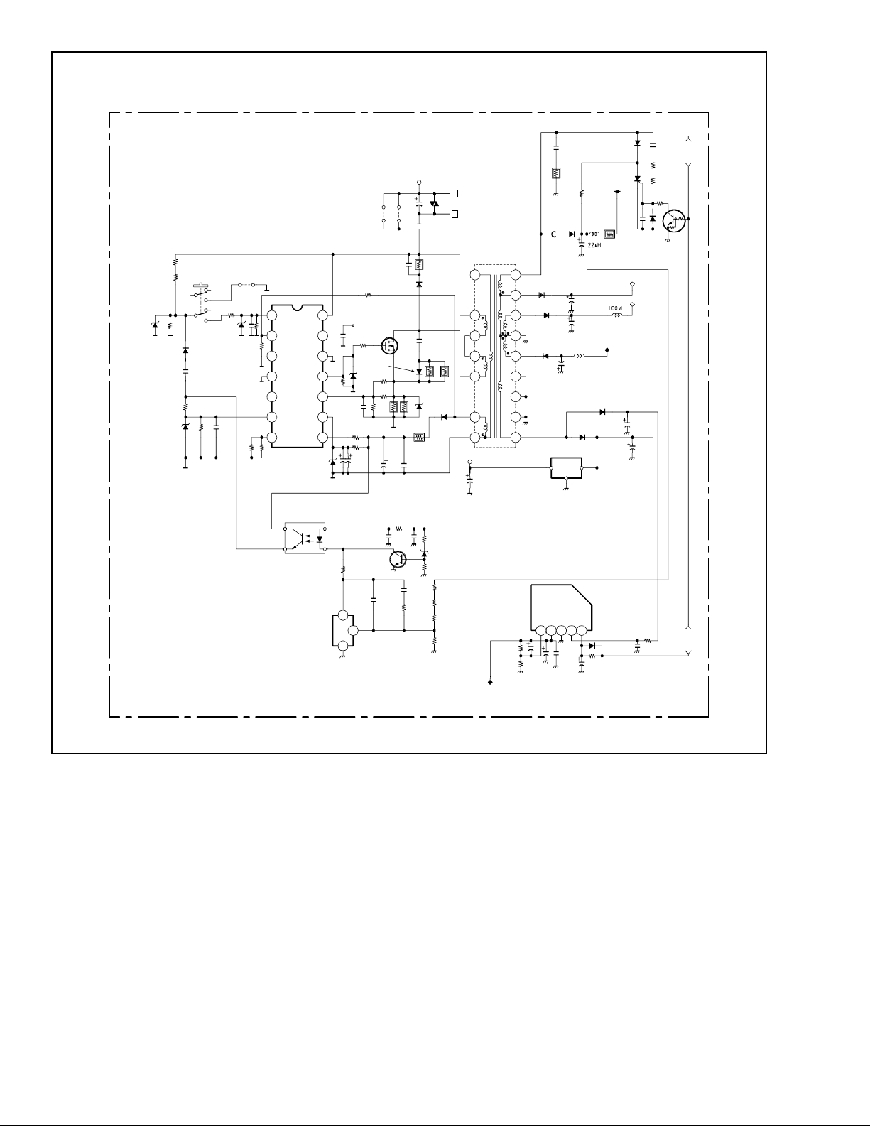
Primary Section
Three main areas can diagnose primary circuit failures. These are IC601 Q602 and Feedback system.
Visible checks of these areas will aid in finding problems. The following will discuss each section.
IC601
First apply AC to the monitor and check IC601 pin 4 output. If the output on pin 4 is not present there could be problems
with Q602 and related parts or pin 14 could be less than 2.5 volts. Further check Vaux level at pin 6. If it less than 11V
the IC could be in safe-restart mode. If the voltage is very low there could be a short on any of the IC pins. In reference
to ground check the impedance of pin 1 8 and 14. If any of these pins are shorted replace the IC and check components
connected to the related pins. Take care that C616 C617 and C681 are fully discharged before replacing the IC.
Q602
The switching transistor can be damaged in various ways. These are related to voltage current and temperature.
Check whether the transistor is shorted across drain and source terminals. If there is a short F601 R605 R614 R654
R623 R624 R657 and C650 should be checked. Additional components to check are D608 R603 R612 and IC601. If
Q602 is shorted all these parts should be replaced.
Failure of a secondary rectifier diode can also cause Q602 to fail. Check 180V and 80V diodes for open or short
conditions. There is also a clamp circuit which is used to clip the turn off spike found on Q602 drain. If the clamp
circuit is broken it can cause Q602 failures. Check D606 C612 and R635. Also check the snubber circuit components
C613 D607 R619 and R656.
Secondary Circuit
Failure in the secondary circuits can be categorized by rectifier diodes regulators feedback loops and protection circuits.