– 2 –
TABLE OF CONTENTS
1. GENERAL
Parts identification ................................................................... 1-1
Using various function for recording ....................................... 1-2
2. DISASSEMBLY
2-1. CABINET (FRONT) BLOCK ASSEMBLY ..................... 2-1
2-4. MOTOR UNITS.............................................................. 2-1
2-7. CIRCUIT BOARDS LOCATION .................................... 2-1
3. BLOCK DIAGRAMS
3-1. OVERALL BLOCK DIAGRAM ....................................... 3-1
3-2. POWER BLOCK DIAGRAM.......................................... 3-3
4. PRINTED WIRING BOARDS AND
SCHEMATIC DIAGRAMS
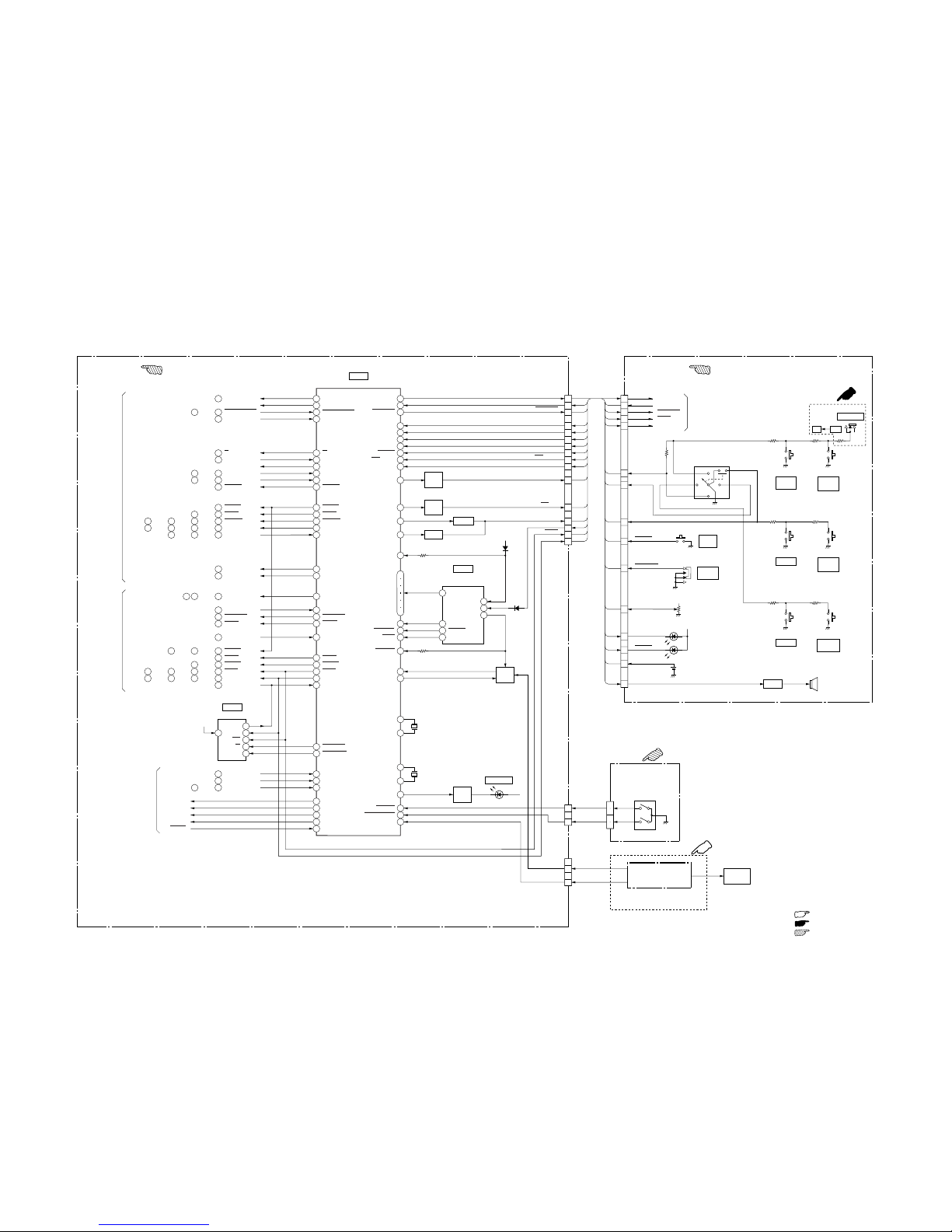
4-1. FRAME SCHEMATIC DIAGRAM .................................. 4-1
4-2. PRINTED WIRING BOARDS AND
SCHEMATIC DIAGRAMS ............................................. 4-4
•CD-227 (CCD IMAGER)
PRINTED WIRING BOARD ..................................... 4-4
•RL-53 (RELEASE SWITCH)/FU-134 (FUSE)
PRINTED WIRING BOARDS ................................... 4-5
•FU-134 (FUSE)
SCHEMATIC DIAGRAM............................................. 4-6
•FC-69 (CAMERA, DRAM CONTROL,
D/A CONVERTER, CAMERA SERVO,
FDD CONTROL, MODE/SYSTEMCONTROL,
EVR DECODER, DC/DC CONVERTER)
PRINTED WIRING BOARDS ................................... 4-7
•FC-69 (DC/DC CONVERTER)
RL-53 (RELEASE SWITCH)
SCHEMATIC DIAGRAM........................................... 4-10
•PK-46 (FDD INTERFACE, RGB CECODER,
LCD TIMING GENERATOR, MODE KEY SWITCH,
BACKLIGHT)
PRINTED WIRING BOARD ..................................... 4-13
•PK-46 (MODE KEY SWITCH)
SCHEMATIC DIAGRAM........................................... 4-17
5. ADJUSTMENTS
5-1. CAMERA SECTION ADJUSTMENT ............................ 5-1
1-1. PREPARATIONS BEFORE ADJUSTMENT ................. 5-1
1-1-1. Preparations ............................................................. 5-1
1-2. INITIALIZATION OF E AND F PAGE DATA .................. 5-2
1. F page table ............................................................. 5-2
2. E page table ............................................................. 5-3
1-3. CAMERA SYSTEM ADJUSTMENT.............................. 5-5
1. HALL adjustment...................................................... 5-5
2. Flange back adjustment ........................................... 5-5
3. Flange back check ................................................... 5-6
4. Picture frame setting ................................................ 5-6
1-4. LCD SYSTEM ADJUSTMENT ...................................... 5-7
1. D RANGE adjustment .............................................. 5-7
2. BRIGHT adjustment (PK-46 board) ......................... 5-7
3. CONTRAST adjustment (PK-46 board)................... 5-8
1-5. SYSTEM CONTROL ADJUSTMENT ........................... 5-8
1. Battery down adjustment (FC-69 board) ................. 5-8
6. DIFFERENT PARTS LIST
6-1. EXPLODED VIEW......................................................... 6-1
6-1-1. CABINET (FRONT) SECTION ........................... 6-1
6-2. ELECTRICAL PARTS LIST........................................... 6-2