
Systems Responsibilities
Fire Detection and Alarm Systems are distributed
throughout buildings to monitor for indications of the
presence of smoke or fire. When a fire alarm condition is
determined, the fire alarm system communicates that
information with sufficient detail to allow the proper fire
response to begin. The fire alarm system may perform
other control functions such as fan shutdown and elevator
recall, or those actions may be performed by other
systems that also handle those functions for normal
conditions as well as for abnormal conditions.
Building Automation Systems. As buildings increase
in size and complexity, control of the electrical and
mechanical systems requires coordination. This process
has evolved into the general category of Building Systems
Automation and includes systems such as heating,
ventilation, and air conditioning (HVAC), elevator
controls, security controls, lighting controls, and other
similar building functions.
Typical responses to fire alarm system status changes
might include: HVAC fan control operation, elevator
capture, lighting control, and security system awareness.
Specific examples could include turning on lighting
where needed, aiming security cameras on specific areas,
providing door release, and implementing detailed fan
exhaust and/or pressurization instructions.
Systems Communications
Communications Between Systems. Traditional
communication between systems has included simple relay
interfaces, proprietary (and complicated) interface devices
(gateways), as well as using a single supplier for all of the
building automation functions. Each of these compromises
has its limitations. With the Simplex BACpac Ethernet
module, BACnet protocol communications allows a
Simplex fire alarm system to provide pertinent status to
compatible systems using standardized formats.
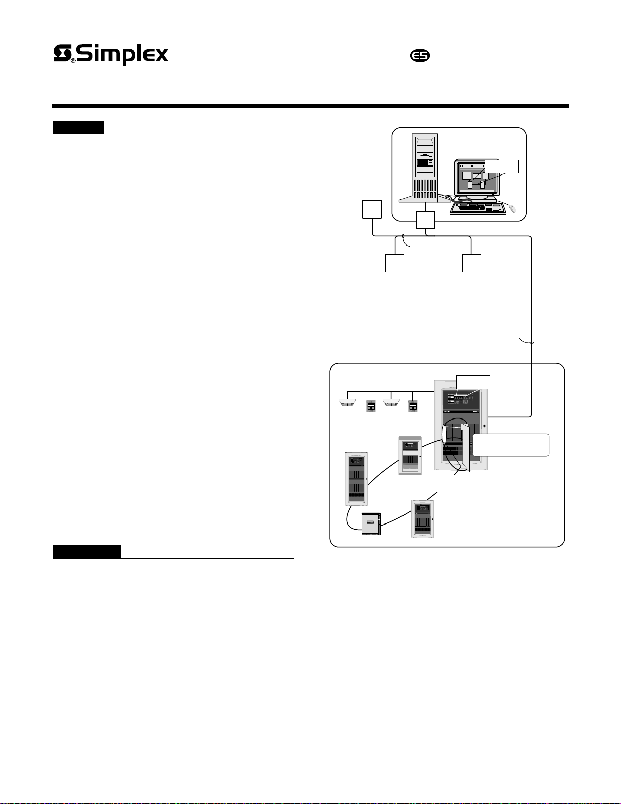
Communications Example
The example to the right shows how a smoldering fire
located on the first floor can be detected by the fire alarm
control panel, processed by the BACpac Ethernet module,
and then sent to the building automation system using the
BACnet protocol over a LAN connection. It is the
responsibility of the fire alarm control panel to initiate the
required notification and related fire responses. However,
when connected to a BACpac Ethernet module, the fire
alarm system can make status information available to the
other building systems allowing them to be informed
about facility fire detection activity.
Diagnostic Reference
This module uses a BACnet protocol converter from
Fieldserver Technologies. PC compatible diagnostic
programs are available at www.fieldserver.com.
HVAC
Smoke
Control
System
System
Workstation
FIRST FLOOR SMOKE ALARM
Smoldering fire
Location M1-1
BACnet Instance 1
BACnet protocol format
FIRST
FLOOR
ALARM
LOCATION M1-1
Facility LAN
Facility LAN
4010ES Fire
Alarm Panel
4010-9915 BACpac Ethernet
Module and 4010-9918
RS-232 Module
Typical BACpac Ethernet Module
Alarm Process Reference
(shown with 4010ES panel for reference)
2 S4100-0051-3 9/2012