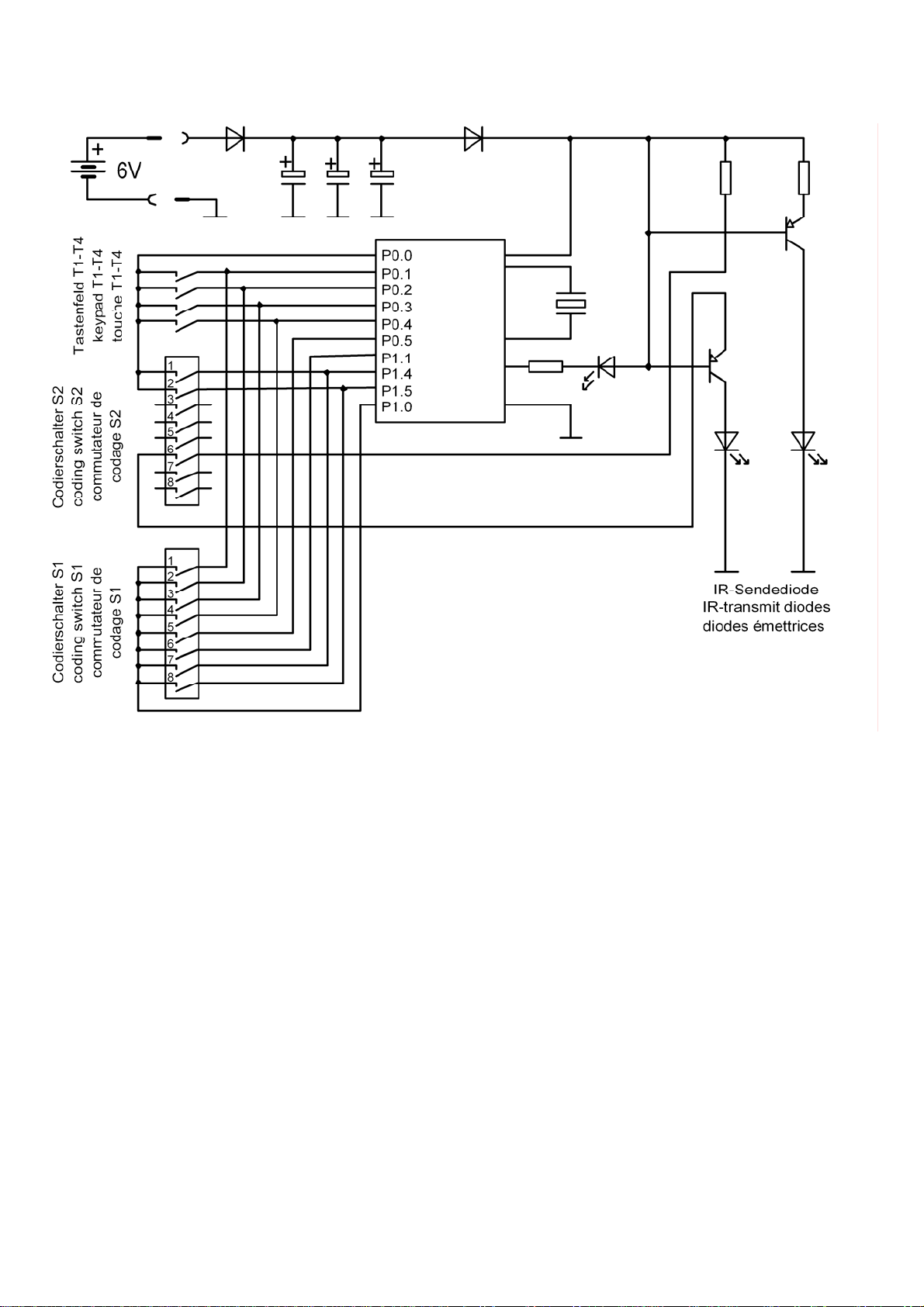
Siemens IR-64K Instructions d'utilisation et d'installation
Autres manuels Siemens Système de contrôle

Siemens
Siemens SINUMERIK 840D sl Manuel de la liste des pièces

Siemens
Siemens SINUMERIK 828D Turning Manuel de la liste des pièces

Siemens
Siemens QAW10 Manuel utilisateur

Siemens
Siemens SINUMERIK 840D sl Guide de démarrage rapide

Siemens
Siemens SINUMERIK 840D sl Guide de démarrage rapide

Siemens
Siemens SIJECT15 Manuel utilisateur

Siemens
Siemens SIPLUS HCS3200 Manuel utilisateur

Siemens
Siemens SIMATIC C7-635 Manuel utilisateur

Siemens
Siemens SIMATIC PCS 7 Manuel utilisateur

Siemens
Siemens Synco living Manuel utilisateur

Siemens
Siemens SIMATIC HMI ITC1500 V3 PRO Manuel utilisateur

Siemens
Siemens SIMATIC Manuel utilisateur

Siemens
Siemens SINUMERIK 840DE Manuel du propriétaire

Siemens
Siemens SIPLUS HCS HCS PM4000 U/I Guide de l'administrateur

Siemens
Siemens PPU 26x.3 series Manuel utilisateur

Siemens
Siemens SIMATIC PCS 7 FOUNDATION Fieldbus Guide de démarrage rapide

Siemens
Siemens QAX850 Manuel utilisateur

Siemens
Siemens SINUMERIK 802D sl Manuel utilisateur

Siemens
Siemens SINUMERIK 840D sl Manuel de la liste des pièces

Siemens
Siemens SIMATIC PCS 7 Manuel de la liste des pièces






























