
T86-IO User Manual -2-
szruitech.com
Contents
1. Product overview .......................................................................................................................... 3
2.Application environment and installation ....................................................................................4
2.1 Environmental requirement ................................................................................................... 4
2.2 Driver installation dimensions ............................................................................................... 5
2.3 Driver installation requirements ............................................................................................ 5
3.Driver port and connection ........................................................................................................... 6
3.1 Port function description ........................................................................................................ 6
3.2 Power supply input ................................................................................................................. 7
3.3 Encoder connection ................................................................................................................ 7
3.4 Motor connection .....................................................................................................................8
3.5 Control signal connection...................................................................................................... 8
3.5.1 PUL, DIR Port: connection for start and stop command ............................................8
3.5.2 ENA port: enable/disable ................................................................................................ 8
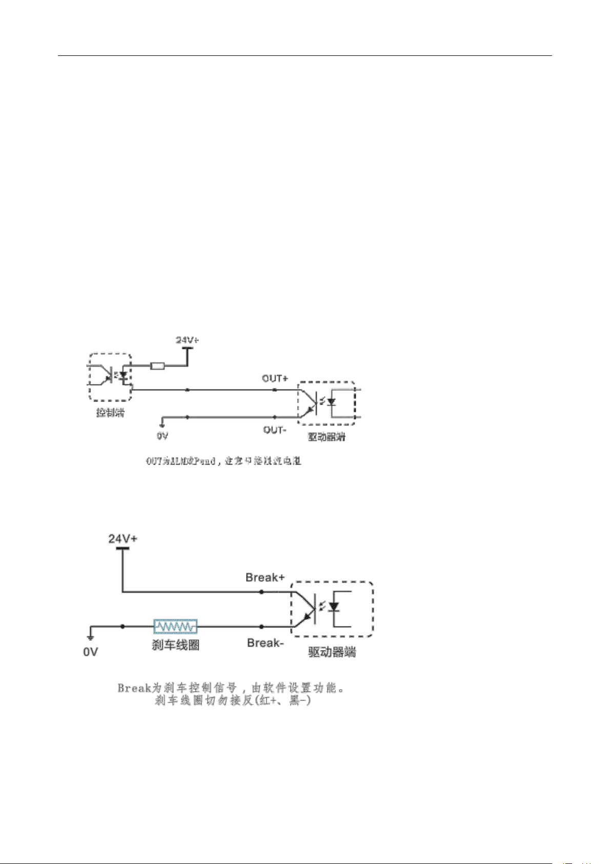
3.5.3 ALM, Pend port: used for alarm and in place output. .................................................9
3.5.4 RS232 serial port ........................................................................................................... 10
4. The setting of DIP switches and operating parameters ........................................................10
4.1 The setting of speed ............................................................................................................. 10
4.2 Motor direction selection...................................................................................................... 11
4.3 Open/closed loop selection ................................................................................................. 11
5. Driver working status LED indication ....................................................................................... 12
6. Common faults and troubleshooting ........................................................................................ 12
Appendix A. Guarantee Clause .................................................................................................... 14