RM KL 35 Guide de démarrage rapide
Autres manuels RM Amplificateur

RM
RM KLV 350 Guide de démarrage rapide

RM
RM KL 351-24 Guide de démarrage rapide

RM
RM KL 351 Guide de démarrage rapide

RM
RM KL 351-24 Guide de démarrage rapide

RM
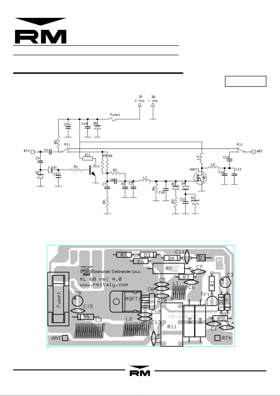
RM KL 60 Guide de démarrage rapide

RM
RM KLV 2000 Manuel utilisateur

RM
RM KLV 200 V Manuel utilisateur

RM
RM KL 351 Guide de démarrage rapide

RM
RM KLV 2000 Manuel utilisateur

RM
RM KLV 350 Manuel utilisateur

RM
RM HLA300 Manuel utilisateur

RM
RM KLV 250 Guide de démarrage rapide

RM
RM V-ULA 50 Manuel utilisateur

RM
RM KLV 1000 Guide de démarrage rapide

RM
RM HLA 150 plus Manuel utilisateur

RM
RM KLV 400 Manuel utilisateur

RM
RM KLV 200 Guide de démarrage rapide

RM
RM 40 Guide de démarrage rapide

RM
RM KLV 400 Manuel utilisateur



















