
PARTS LIST FOR THE CSD1515/CSD1515P
MODEL MODEL MODEL
CSD1515A/
CSD1515PA CSD1515CEC/
CSD1515PCEC CSD1515E/
CSD1515PE
120 V 220V 208 V
1 LOWER WRAP AROUND SHROUD ASSEMBLY 110115501 110115501 110115501 1
2 GREEN INSULATION WASHER C4401 C4401 C4401 2
3 HEX NUT 3/8-16 NH3816 NH3816 NH3816 4
4 STRAIN RELIEF 1106546468 1106546468 1106546468 1
5 SCREW, SET 3/8-16 x 1 SST38161 SST38161 SST38161 2
6 SCREW, SET 3/8-16 x 1/2 SST381612 SST381612 SST381612 4
7 FUSE HOLDER 1 AMP MPPF708 MPPF708 MPPF708 1
8 FUSE BUSS 1 AMP MPPF701R MPPF701R MPPF701R 1
9 SOLID STATE RELAY PL2425 PL2425 PL2425 2
10 SCREW, PAN HEAD PHILLIPS 8-32 x 3/8 STAINLESS STEEL SP83238S SP83238S SP83238S 15
11 5 STAGE TERMINAL BLOCK 6015 6015 6015 1
12 TRANSFORMER 11096975 11096975 11096975 1
13 SINK, HEAT, ALUMINUM PAD 11057322 11057322 11057322 3
14 GROMMET INSULATION 7/8 O.D. X3/8 I.D, Thickness 5/16 110115554 110115554 110115554 2
15 E-CLIP, RETAINING RING LCC3478 LCC3478 LCC3478 4
16 HANDLE LEFT ASSEMBLY 110115522 110115522 110115522 1
17 WASHER, SPLIT LOCK 5/16 WL516 WL516 WL516 10
18 HANDLE RIGHT ASSEMBLY 110115521 110115521 110115521 1
19 HANDLE GRIP 110901168 110901168 110901168 2
20 TUBING PAD 110115531 110115531 110115531 2
21 SPRING, DETENT 1-1/2 LONG 110115555 110115555 110115555 2
22 PLUNGER ASSEMBLY 110115544 110115544 110115544 2
23 HANDLE SPRING ADJUSTING COLLAR 110115528 110115528 110115528 2
24 SCREW SET KNURLED CUP POINT 5/16-18 X 3/8 SST5161838KN SST5161838KN SST5161838KN 12
25 COUNTER BALANCE SPRING RIGHT HAND 1101023154R 1101023154R 1101023154R 1
26 COUNTER BALANCE SPRING LEFT HAND 1101023154L 1101023154L 1101023154L 1
27 COLLAR HOLDER 110115530 110115530 110115530 2
28 FEET, RUBBER 3/4 11016546469 11016546469 11016546469 4
29 BUSHING TEFLON 3/4 LONG 110113441 110113441 110113441 2
30 GREASE TRAY 110115505 110115505 110115505 1
31 NUT, HEX 6-32 NH632 NH632 NH632 8
32 TOP LINK 110115508 110115508 110115508 2
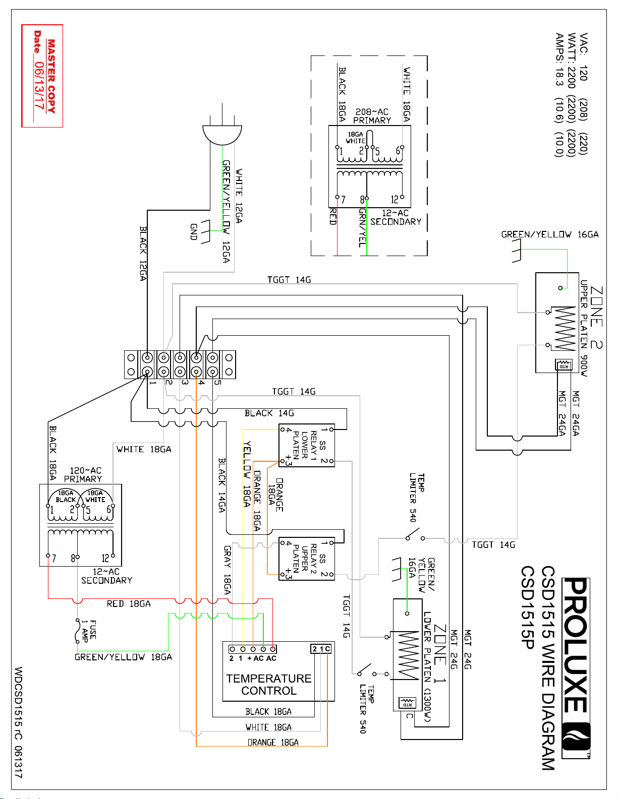
33 WIRE HARNESS CSD1515R 11018636050 11018636050 11018636050 1
34 UPPER LEVELING BRACKET 110115510 110115510 110115510 2
35 UPPERLEVELING SHIM 110115557 110115557 110115557 2
36 PIN, PIVOT FRONT 11017088865 11017088865 11017088865 2
37 BOLT, HEX 5/16-18 X 1 STAINLESS STEEL BH516181S BH516181S BH516181S 4
38 BACK COVER 110115562 110115562 110115562 1
39 POWER CORD 1101591174 MPPW202 1101009176 1
40 SHIM, LOWER PLATEN 11060420 11060420 11060420 1
41 PIN PIVOT BACK 11017088866 11017088866 11017088866 2
42 WASHER, SPLIT LOCK 3/8 WL38 WL38 WL38 4
43 TRANSFORMER INSULATION 1101159180 1101159180 1101159180 1
44 SHIM, CLEVIS 11060421 11060421 11060421 2
45 BOLT, HEX 1/4-20 X 1 BH14201 BH14201 BH14201 2
46 NUT, HEX 1/4-20 NH1420 NH1420 NH1420 2
47 SCREW, PAN HEAD, PHILLIPS 8-32 x 1-1/2 STAINLESS STEEL SP832112S SP832112S SP832112S 2
48 WASHER, INTERNAL TOOTH LOCK 5/16 WLIT516 WLIT516 WLIT516 4
49 RETAINING RING 11017088867 11017088867 11017088867 8
50 MARKER STRIP, #5 MS6015 MS6015 MS6015 1
51 SCREW, PAN HEAD PHILLIPS 2-56 X 1/4 SP25614 SP25614 SP25614 1
52 WASHER, SAE 3/8 WSAE38 WSAE38 WSAE38 16
53 WASHER, INTERNAL TOOTH LOCK #6 WLIT6 WLIT6 WLIT6 8
54 WASHER, SAE 1/4 WSAE14 WSAE14 WSAE14 2
55 WASHER, SPLIT LOCK 1/4 WL14 WL14 WL14 2
56 SCREW, PAN HEAD PHILLIPS 6-32 x 3/8 SP63238 SP63238 SP63238 2
57 SCREW, PAN HEAD PHILLIPS 6-32 x 5/8 SP63258 SP63258 SP63258 2
58 SCREW, PAN HEAD PHILLIPS 8-32 X 1 SP8321 SP8321 SP8321 1
59 NUT, HEX 8-32 NH832 NH832 NH832 3
60 WASHER, SAE #8 WSAE8 WSAE8 WSAE8 4
61 WASHER, INTERNAL TOOTH LOCK #8 WLIT8 WLIT8 WLIT8 3
62 MOUNTING BRACKET ASSEMBLY 110115559 110115559 110115559 1
ITEM # DESCRIPTION QTY.
PLCSD1515 RC 061317 CUSTOMER MANUAL