ProLite LD64 Guide de l'utilisateur

Installation, Servicing and User Instructions for
LD64 OVENS
CAUTION: Read the instructions before using the appliance.
Important Installation Information
The installer must ensure that installation of the unit(s) is in conformity with regulations in force at the
time. For the UK, particular attention requires to be paid to:-
BS7671 IEE Wiring Regulations
Electricity at Work Regulations
Health and Safety at Work Act
Fire Precautions Act
The unit has been CE-marked on the basis of compliance with the Low Voltage and EMC Directives for the
voltage stated on the data plate.
WARNING: THIS APPLIANCE MUST BE EARTHED!
Preventive Maintenance Contract
In order to obtain maximum performance from the equipment, we would recommend that a
maintenance contract be arranged with AFE Serviceline. Visits may then be made at agreed intervals to
carry out adjustments and repairs. A quotation for this service will be provided upon request. Contact
Serviceline as detailed below:-
Tel: 01438 363 000 Fax: 01438 369 900
WEEE Directive Registration No. WEE/DC0059TT/PRO
At end of unit life, dispose of appliance and any replacement parts in a safe manner, via
a licenced waste handler.
Units are designed to be dismantled easily and recycling of all material is encouraged
whenever practicable.
Falcon Foodservice Equipment
Wallace View, Hillfoots Road, Stirling. FK9 5PY
Tel: 01786 455 200 Fax: 01786 469 454
e-mail: info@falconfoodservice.com T100321 Ref. 8

IMPORTANTINFORMATION
Warranty Policy Shortlist
Warranty does not cover :-
•Correcting faults caused by incorrect installation of a product.
•Where an engineer cannot gain access to a site or a product.
•Repeat commission visits.
•Replacement of any parts where damage has been caused by misuse.
•Engineer waiting time will be chargeable.
•Routine maintenance and cleaning.
•Gas conversions i.e. Natural to Propane gas.
•Descaling of water products and cleaning of water sensors where softeners/ conditioners are not
fitted,
or are fitted and not maintained.
•Blocked drains
•Independent steam generation systems.
•Gas, water and electrical supply external to unit.
•Light bulbs
•Re-installing vacuum in kettle jackets.
•Replacement of grill burner ceramics when damage has been clearly caused by misuse.
•Where an engineer finds no fault with a product that has been reported faulty.
•Re-setting or adjustment of thermostats when unit is operating to specification.
•Cleaning and unblocking of fryer filter systems due to customer misuse.
•Lubrication and adjustment of door catches.
•Cleaning and Maintenance
•Cleaning of burner jets
•Poor combustion caused by lack of cleaning
•Lubrication of moving parts
•Lubrication of gas cocks
•Cleaning/adjustment of pilots
•Correction of gas pressure to appliance.
•Renewing of electric cable ends.
•Replacement of fuses
•Corrosion caused by use of chemical cleaners.
Electrical Safety and Advice Regarding Supplementary Electrical Protection
Commercial kitchens and foodservice areas are environments where electrical appliances may be located
close to liquids, or operate in and around damp conditions, or where restricted movement for installation
and service is evident.
The installation and periodic inspection of the appliance should only be undertaken by a qualified, skilled
and competent electrician; and connected to the correct power supply suitable for load as stipulated by the
appliance data label.
The electrical installation and connections should meet the necessary requirements to local electrical
wiring regulations and electrical safety guidelines.
We recommend:-
Supplementary electrical protection with use of a residual current device (RCD).
Fixed wiring appliances incorporate a locally situated switch disconnector to connect to, which is
easily accessible for switching off and safe isolation purposes. The switch disconnector must meet
the specification requirements of IEC 60947.

Technical Installation Information
Note * 13A Fuse Rating: The unit must be protected by a 13 amp fuse if a 13 amp plug is used.
If another type of plug is used, a 15A fuse requires to be used in the plug, adaptor or distribution
board.
Base Unit - 600mm (W) x 550mm (D) x 650mm (H)
Side & Rear Clearance - 150mm Weight - 41kg
Power Rating - 2.65kW Fuse - 13 amp
SECTION 1 - SITING
PRO-LITE models have been designed in a modular form which consists of base, counter and free-
standing units.
Information which relates to the ovens is listed above.
Free-standing and base models should be installed upon a firm, level surface and adjustable feet are
provided for levelling purposes.
Counter units must be positioned upon a table, counter or similar surface.
Vertical and horizontal clearances required from the top and sides of a particular unit to any
overlying combustible surface (ie wall, partition, etc) are also listed above. Relevant fire regulations
must be complied with.
Mounting Counter Units on an Oven
When mounting a counter unit upon the LD62 and LD64 ovens, it is recommended that units which
carry liquids, i.e. fryers and bains marie, are secured as follows:
Remove oven outer back panel.
Remove oven crown plate.
Position unit(s) which require to be secured upon the oven.
Secure hob unit(s) to oven through side flange centre holes into the threaded inserts in the base(s)
of the hob unit(s). Use fixings provided (packed separately) and replace oven back panel.
The unit is now ready for electrical connection.
SECTION 2 - ELECTRICAL SUPPLY AND CONNECTION
Electrical ratings are as stated on the unit data plate. The listing in Table 1 is based on standard UK
specification at 230V~. Wiring must be executed in accordance with the regulations listed in this
booklet.
WARNING: Each individual appliance must be earthed!
The appliance is also provided with a terminal for the connection of an external
equipotential conductor. This terminal is in effective electrical contact with all fixed
exposed metal parts of the appliance, and shall allow the connection of a conductor
having a nominal cross-sectional area of up to 10 mm². It is located on the rear panel and
is identified by the following label and must only be used for bonding purposes.

After completion of installation, the method of operation should be demonstrated to the kitchen
staff. The isolating switch location, for use in an emergency or during cleaning should also be
pointed out.
LD64 Oven
The unit is designed to be connected to a single phase AC supply using the 2 metre mains lead fitted
as standard.
Check that no damage has occurred to the appliance, power cable and plug top during transit. If
damage has occurred do not use the appliance.
Ensure that the mains power cable is routed free from the appliance to avoid damage.
We recommend supplementary electrical protection with the use of a residual current device
(RCD). Periodic testing, repair and fixed wiring connection should only be undertaken by a skilled
and competent electrician.
Wires are coloured in accordance with the following code and should be connected to the plug as
follows:
EARTH to terminal marked Eor coloured GREEN or GREEN/YELLOW.
NEUTRAL to terminal marked Nor coloured BLACK.
LIVE to terminal marked L or coloured RED.
Units which receive power from a plug, adaptor or distribution board must be individually protected
by a fuse with an appropriate rating. (see technical information)
Any replacement supply cable must be 1.5mm2•, cord code designation 245 IEC 57 (CENELEC H05
RN-F).
For internal connection, outer sheathing must be stripped 140mm from the cable end. The live and
neutral conductors must be trimmed so that the Earth conductor is longer by 50mm. Pass inlet cable
through the rear panel cord grip and ensure that the cable is routed without leaving excessive free
length inside the appliance.
SECTION 3 - USING AND CLEANING PRO-LITE UNITS
IMPORTANT: GENERAL NOTES ON CLEANING
Disconnect unit from electricity supply prior to cleaning
Never use a coarse abrasive to clean exterior panels. A soft cloth with a warm
water and detergent solution is sufficient.
Never attempt to steam clean a unit or hose it down with a jet of water.
LD64 Oven
Mains Neon Thermostat
Neon
Thermostat Control Knob

Operating Controls
A thermostat and indicator neons monitor operation of the oven. The thermostat may be set at
temperatures between 100°C and 270°C
Switching ON
Connect and switch on at mains. The red neon will light.
Turn thermostat to required setting. The amber neon will light. When amber neon goes out, the
oven has reached the required temperature.
Switching OFF
Turn thermostat back fully anti-clockwise.
The red neon will remain lit.
Switch off and disconnect at mains.
Loading
When the set temperature is reached the amber neon will go out, the elements are off but the fan
will still run. The oven is now ready to load.
If the oven cools, the thermostat will activate power to the elements and maintain set temperature.
Load the oven quickly to prevent heat loss.
Shelves
These are designed to prevent being pulled out accidentally. To remove a shelf, pull forward to stop
position and tilt up. When replacing a shelf, insert with rail stop to the rear.
There are six runner positions. For even shelf cooking, distances between trays should be consistent.
Shelf combinations with regard to position should be 2/4/6 (from the top) or 3/6.
A typical shelf load may be 12 x 56g (2oz) scones, 12 x 225g (8oz) jacket potatoes or 3 x 500g tin
bread loaves.
Times and temperatures will vary according to the quality and quantity of the food being prepared.
Never overload the oven as excessive restriction of air circulation will affect the cooking quality.
Cleaning an Oven
Interior
Wipe with soft cloth using a warm water and detergent solution. Thoroughly rinse and dry.
Under no circumstances should abrasives, scrapers, knives, scourers, paste, bleaches, steel wool
with or without soap, aerosol or proprietary oven cleaning pads be used on enamelled panels.

SERVICE ACCESS
Outer Back Panel
Slacken mains lead cord grip.
Undo back panel fixings to remove panel.
When replacing panel, ensure cable is pulled taught and tightened in a manner which securely grips
the cable within the fitting.
Shelf Hangers
Lift hanger to withdraw.
Replace in reverse order. Ensure hangers locate correctly within the fixings with the narrow section
of the keyhole slots at the top.
Crown Plate
Undo fixings and remove crown plate. Replace in reverse order.
DOOR ITEMS
Door Panel
Remove top hinge fixings.
Lift door to remove. Replace in reverse order and ensure door seals correctly.
Door Handle
Remove door as detailed above.
Drill out pop rivets on the door edges and separate door halves.
Undo nuts which secure handle to door and remove handle.
Replace in reverse order.
Door Catch
Remove door as detailed above.
Drill out pop rivets on the door edges and separate door halves.
Drill out catch rivets and remove catch. Replace in reverse order.
FUNCTIONAL COMPONENTS
Thermostat
Remove crown plate or counter model (Refer to Siting section).
Remove control knob.
Remove electrical connections, noting the positions.
Undo fixings which secure thermostat to control panel and ensure earth wire is held out of the way.
Undo fixings which retain oven phial guard and remove guard.
Remove phial by feeding it back through hole in oven side.
Remove sleeving.
Replace in reverse order and ensure cable is pulled taught and tightened in a manner which securely
grips the cable within the fitting.
Fan
Remove shelf hangers.
Slacken baffle fixings and lift from keyhole slots.
Remove outer back panel.
Remove fan motor and earth lead connections.

Undo impellor retaining nut (LH thread) and remove impellor.
Undo fixings which retain motor within oven chamber.
Replace in reverse order.
Neons
Remove crown plate or Counter model (Refer to Siting section).
Remove electrical connections.
Undo neon retaining nut and remove neon.
Replace in reverse order.
Elements
Remove shelf hangers.
Slacken baffle fixings and lift from keyhole slots.
Undo element fixings from inside the oven.
Withdraw elements, take care not to pull the wires.
Undo element connections and replace in reverse order.
Mains Power Cable
Remove outer back.
Remove cable from terminal block.
Replace in reverse order and ensure cable is pulled taught and tightened in a manner which securely
grips the cable within the fitting.
Terminal Block
Remove outer back.
Remove internal wiring from terminal block, noting the positions.
Undo block fixings and remove.
Replace in reverse order.

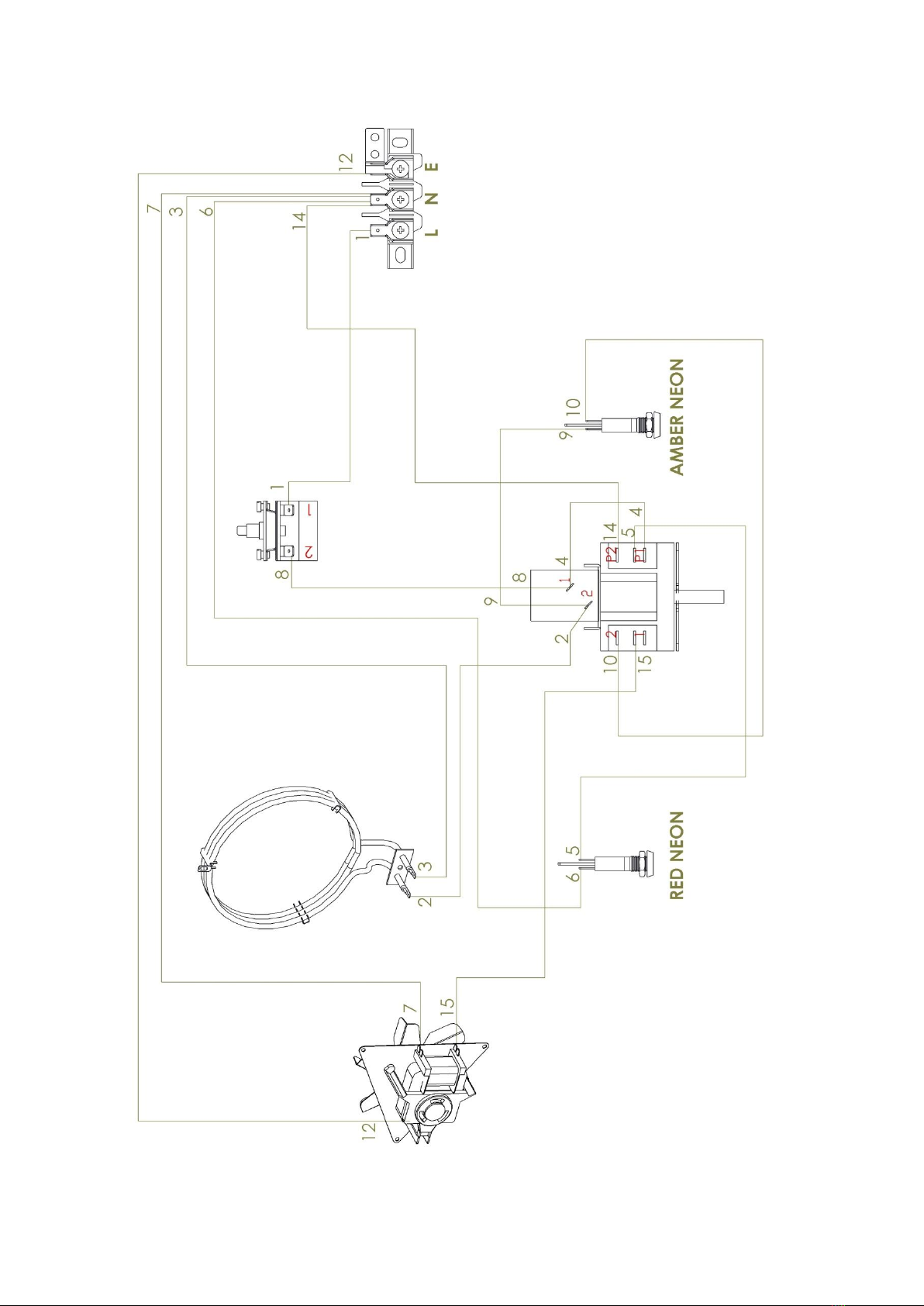
LD64 WIRING DIAGRAM
Table des matières
Autres manuels ProLite Four


















