
The System
The boiler must be used on INDIRECT FULLY PUMPED
systems only, which may be sealed or open vented.
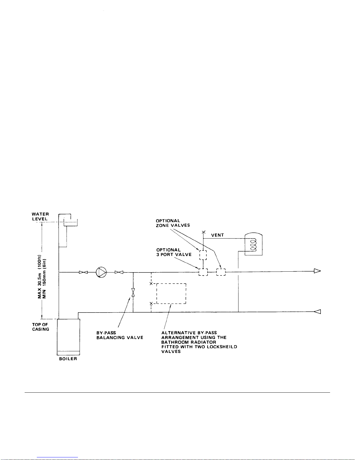
The system should be designed so that the maximum
static head does not exceed 30.5m (100ft) and a
minimum of 150mm (6in). See FIG 6.
On all systems the pump should be wired to the boiler
terminal block, it will then be controlled by the pump over-run
thermostat. This will ensure that the pump will continue to
run after boiler shut down if the water temperature is high,
thus preventing nuisance operation of the overheat
thermostat.
It is important that where electrically operated zone valves
are used the boiler is wired so it does not cycle when the
zone valves are closed. Also, systems fitted with controls
that close both hot water and central heating circuits while
the boiler is still hot, must be fitted with a by-pass circuit to
dissipate the residual heat from within the boiler.
If a three port diverter valve is used as shown in FIGS. 6,7 a
by-pass is not necessary since one circuit is always open.
Where a pair of two port valves are used, a by-pass is
necessary. The total length of the by-pass circuit taken from
the boiler connections should be greater than 4 metres of
22mm pipe. It should be fitted with a lockshield valve and be
adjusted to maintain a minimum flow through the boiler of
4.5 litres/mm (1 gal/mm) see FIGS 6, 7.
Systems fitted with controls which allow the boiler to operate
when both the hot water and central heating circuits are
closed i.e. mechanically operated thermostatic control
valves, must be fitted with a by-pass circuit capable of:-
1. Dissipating a minimum of 1 kW (3400 Btu/h).
2. Maintaining a minimum water flow through the boiler of
9 litres/mm (2 gal/mm).
A suggested method of meeting these requirements by using
a bathroom radiator fitted with two lockshield valves is
shown in FIGS. 6, 7.
Additional system information can be found in the Control
Systems, Pipework and Wiring Guide.
Drain off taps should be fitted in the pipework close to the
boiler and in the low points of the system.
NOTE
Although the system can be emptied using the drain off taps
installed in the pipework around the system, to empty the
boiler it is necessary to remove the drain off cap positioned
within the boiler case. See FIG. 2.
SEALED SYSTEMS
Installation
The installation must comply with the requirements of
BS 6798 1987 and BS 5449 Part 1. The B.G. publication
“British Gas Specification for Domestic Wet Central
Heating Systems” should also be consulted.
Safety Valve
A non-adjustable spring-loaded safety valve, preset to
operate at 3 bar (451bf/in2) shall be used. It must comply
with BS 6759 Part 1 and include a manual testing device. It
shall be positioned in the flow pipe either horizontally or
vertically upwards and close to the boiler. No shut-off valves
are to be placed between the boiler and the safety valve.
The valve should be installed into a discharge pipe which
permits the safe discharge of steam and hot water such that
no hazard to persons or damage to electrical components is
caused.
Pressure Gauge
A pressure gauge incorporating a fill pressure indicator,
covering the range 0-4 bar (6Olbf/in2) shall be fitted to the
system. It should be connected to the system, preferably at
the same point as the expansion vessel. Its location should
be visible from the filling point.
Expansion Vessel
A diaphragm type expansion vessel to BS4814 Part 1 shall
be fitted close to the inlet side of the pump. The connecting
pipework should not be less than 15mm (1/2in nominal).
Pipework connecting the expansion vessel should not
incorporate valves of any sort. Methods of supporting the
vessel are supplied by the manufacturer. The nitrogen or air
charge pressure of the expansion vessel shall not be less
than the hydrostatic head (height of the top point of the
system above the expansion vessel). To size the expansion
vessel it is first necessary to calculate the volume of water in
the system in litres. The following volumes may be used as a
conservative guide to calculating the system volume.
Boiler Heat Exchanger: 6.5 litres
Small Bore Pipework: 1 litre per kW of
system output
Micro Bore Pipework: 7 litres
Steel Panel Radiators: 8 litres per kW of
system output
Low Water Capacity Radiators: 2 litres per kW of
system output
Hot water Cylinder: 2 litres