
The LTC 5104 Series and LTC 5108
Series are automatic sequential video
switchers. The LTC 5104 Series have
4-camera inputs and 1-monitor output;
the LTC 5108 Series have 8-camera
inputs and 2-monitor outputs. All
models are microprocessor-based.
The auto-terminating BNC connectors
eliminate the need for the user to
select a 75-ohm terminated video
input or a high impedance
(unterminated video input with looping
video output. The switcher sets itself
correctly for either situation. The
looping video output allows another
piece of equipment to be connected
to the same video line.
Features include a 16-Character
CameraTitler, Nonvolatile Memory
Back-Up, On-Screen Status Line,
On-Screen Configuration Menus in
English, French, German, and Spanish
(11 for the LTC 5104 Series and
12for the LTC5108 Series), and a
SMART Setup.The Status Line displays
the present camera number, the
operation status, and camera title.
There are five (5) operation status
notations: S -- skipped camera
displayed, RUN -- sequence running,
MA -- monitor armed,ALARM -- alarm
closure call-up, and HOLD -- camera
held. The Configuration Menus include
DwellAdjust, Operating Mode
(LTC5108 Series only),Alarm Reset
Mode, Alarm Capture, Capture Time,
Alarm DwellTime, Alarm Contacts
Option, Status Line, Brightness and
Background of titles, Display Position,
System Reset, and Camera Titler. The
VideoSearch™ feature detects any
camera inputs without video and sets
them to be skipped.
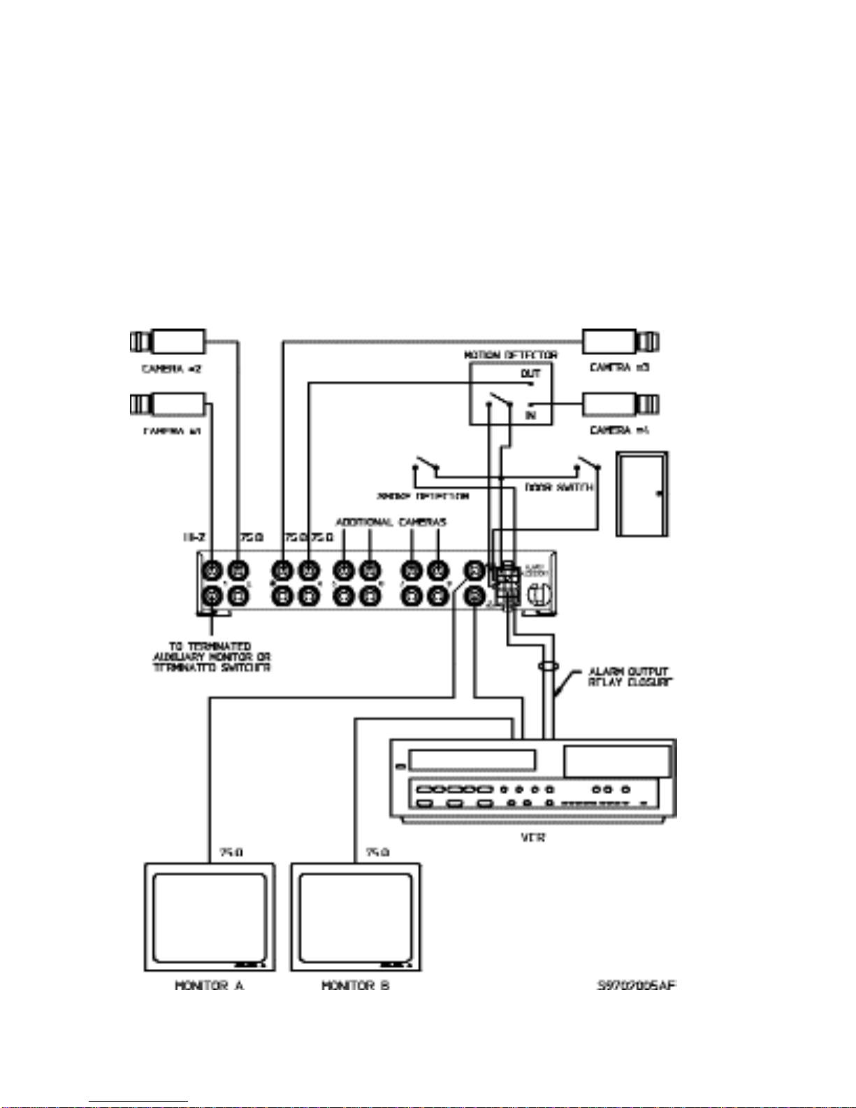
These versatile switchers provide
individually or globally adjustable
camera dwell times from 1 to 64
seconds. Automatic camera callup can
be activated by motion detectors or
remote alarm closures. Alarm contact
can be selected either normally-open
or normally-closed. Alarms override
normal operating mode to home on
alerted camera.Vertical interval
switching gives roll-free viewing. An
alarm output is provided to activate a
VCR to record alarms. The minimum
time that an alarm will be held once
triggered (unless cleared or the alarm
input is disabled) can be set to 1 to 63
seconds. Sequencing through multiple
alarms can be set to occur at a dwell
of 1 to 64 seconds.
Two modes of operation can be
selected for the LTC5108 Series
switchers. The two modes only affect
Monitor B; Monitor A continuously
sequences regardless of mode. In the
Sequencing Mode, Monitor B will show
either an alarm call up of a camera, a
camera under a HOLD condition or
normal sequencing of cameras. In the
Blanking Mode, Monitor B will show
either an alarm call-up of a camera, a
camera under a HOLD condition or a
blank screen.
LTC 5104 Series, LTC 5108 Series
4- and 8-Position Premium
SequentialSwitchers
nn Microprocessor-Based
nn On-Screen Status Line &
Setup Menus
nn 16 Character Camera
Titles
nn Programmable Dwell
Times & Alarm
Dwell/CaptureTime
nn AutomaticTermination
nn Foreign Language
On-Screen Menus
Available