
4
Parker Hannifin Corporation • Refrigerating Specialties Division
2445 South 25th Avenue • Broadview, IL 60155-3891
Telephone: (708) 681-6300 • Fax (708) 681-6306 USA
Installation
Protect inside of valve from dirt, chips and moisture during installation.
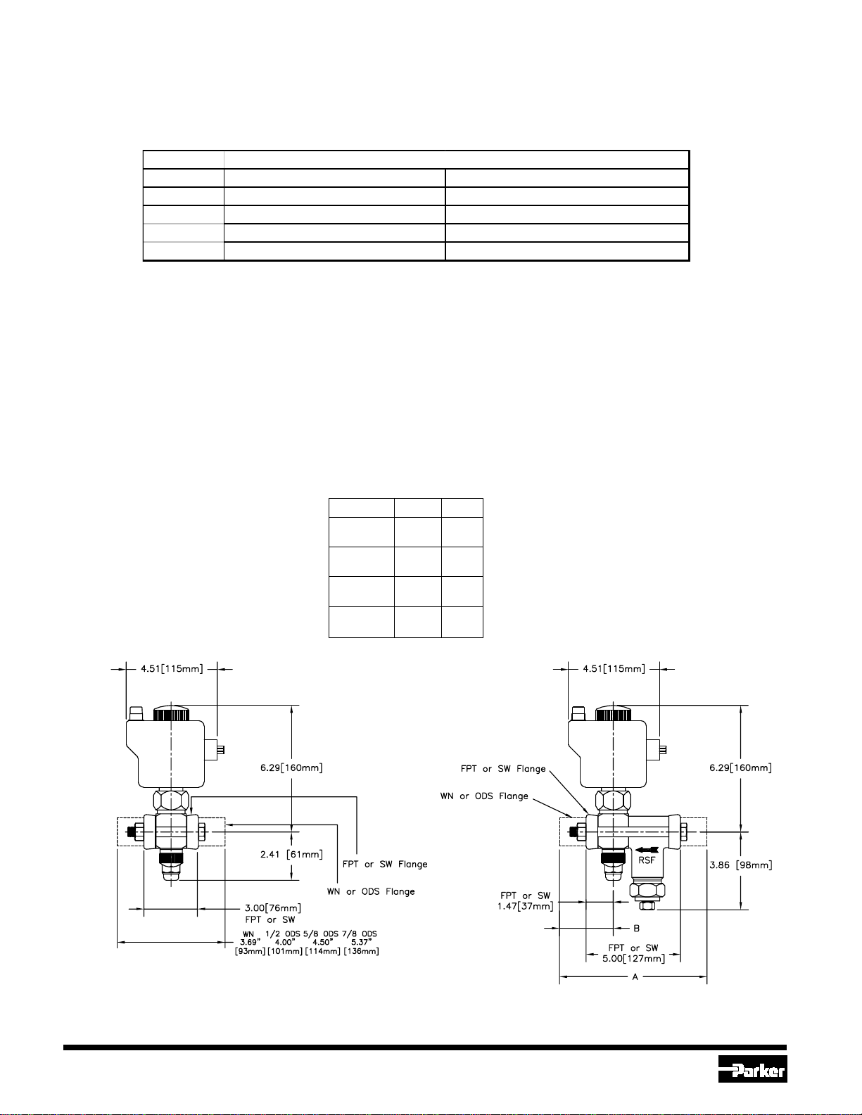
Mount only in horizontal pipe line with solenoid coil at the top; this valve
will work property only in this position. In a liquid line the Solenoid Valve
should be near the expansion valve inlet.It is advisable to install the S6N’s
close coupled companion strainer ahead of the valve for protection against
dirt and chips.
The S6N solenoid valve must be installed with the arrow on the valve
body in the direction of flow through the valve. If the valve is backwards,
the flow will not be stopped when the valve is electrically de-energized.
Like all Solenoid Valves, the S6N can stop flow only in the direction from
normal inlet to normal outlet (as shown by the arrow on the body).If reversal
of pressure occurs in the system so the outlet pressure exceeds the inlet
pressure by more than 1.7 Bar (25 psi) the valve needle will be blown
upward from its seat and reverse flow will occur.If a system has this type
of pressure reversal (as encountered during hot gas defrost with liquid
recirculation systems). A check valve such as Refrigerating Specialties
Division Type CK4A in series with the solenoid valve will prevent flow
reversal. (CK4A must be installed downstream to avoid trapping liquid.)
Electrical
The Refrigerating Specialties Division molded water resistant Class “B”
solenoid coil is designed for long life and powerful opening force. The
standard coil housing meets NEMA 3R and 4 requirements. This sealed
construction can withstand direct contact with moisture and ice. The coil
housing far exceeds the requirements of NEMA Standard ICS, 1-110.57
salt spray test for rust resistance.
By definition, Class “B” coil construction will permit coil temperatures, as
measured by resistance method, as high as 130°C (266°F). Final coil
temperatures are a function of both fluid and ambient temperatures.The
higher fluid temperatures require lower ambient temperatures so the
maximum coil temperature is not exceeded. Conversely, low fluid
temperatures permit higher ambient temperatures.
The molded Class “B” coil is available from stock with most standard
voltages. However, coils are available for other voltages and frequencies,
as well as for direct current. Coils are also available as transformer type
with a 6 volt secondary winding for use with the Refrigerating Specialties
Division Pilot Light Assembly (see current copy of Bulletin 60-10, “Pilot
Light Assembly and Solenoid Transformer Coil”).
The solenoid coil must be connected to electrical lines with volts and
Hertz same as stamped on coil.The supply circuits must be properly sized
to give adequate voltage at the coil leads even when other electrical
equipment is operating. The coil is designed to operate with line voltage
from 85% to 110% of rated coil voltage. Operating with a line voltage
above or below these limits may result in coil burnout.Also, operating with
line voltage below the limit will definitely result in lowering the valve opening
pressure differential. Power consumption during normal operation will be
33 watts or less.
Inrush and running current is listed below:
Inrush Running Fuse
Standard Coil Current Current Size
Volts/Hertz (Amps) (Amps) (Amps)
120/60 (Blue leads) 1.18 0.46 1
208/60 (Blue & Red leads) 0.63 0.26 1
240/60 (Red leads) 0.60 0.23 1
440/60 (Yellow & Red leads) 0.39 0.13 1
115/50 (Yellow & Blue leads) 1.22 0.21 1
230/50 (Yellow leads) 0.65 0.26 1
Other (Contact Factory)
On transformer coil the 6 volt leads are always black.
Service Pointers
The S6N Solenoid Valve (and strainer) are easily removable for cleaning
or repairing. To remove valve and strainer, first manually open the valve
and pump out the refrigerant in the section of the line sealed off. Then
unscrew the flange bolts and spread the flanges slightly apart.
1. Failure to open: (a) Coil is of incorrectly high voltage. See “Electrical”.
Check voltage printed on coil. (b) Line voltage is abnormally low. See
“Electrical”. Check line voltage with coil energized at coil lead with a
voltmeter. (c) Failure to electrically energize. Check control circuit. (d)
Pressure exceeds a maximum pressure difference across the valve of
20.7 Bar (300 psi). (e) Solenoid coil is burned out. See “Electrical” and
replace with proper coil.(f) Plunger may be jammed with dirt. Inspect as in
(2b) below.(g) Damaged bonnet-tube due to excessive pressure.Replace
and determine cause of pressure.
2. Failure to close: (a) Electrical control is not breaking circuit property.
Check wiring and controls. (b) There are chips of dirt on the PTFE seat
and leakage is occurring.To inspect the seat (after pumping out the system
as required) disconnect power source to solenoid coil, remove bonnet-tube
assembly, and lift out valve needle and plunger assembly. (c) Removable
seat assembly or valve needle may be worn or damaged and therefore
leaking.After disassembling valve, as outlined in (2b) above, seat assembly
can be removed with a 7/16” socket having a maximum O.D. of 21/32". If
either the needle or seat is worn or damaged, replacement of both plunger
needle assembly and seat assembly is recommended. As seat assembly
has a knife edge seal, gasket is not required. Thoroughly clean all parts
and reassemble.(d) Manual opening stem is turned all or partly in, holding
valve needle open and permitting flow through valve. (e) Coil housing
screw (made of non-magnetic stainless steel) has been replaced with a
screw made of a magnetic material and residual magnetism is holding
valve needle and plunger assembly in the open position. Replace with a
screw of correct material.
3. Leakage through valve: See (2) above.
4. Coil Temperature: The solenoid coil is designed to operate hot, and is
constructed of high temperature materials. Accordingly, unless troubled
with actual coil burnouts, high coil temperature should be ignored.
Persistent burnouts indicate improper line or coil voltage.See “Electrical”.
Warranty
All Refrigerating Specialties Products are warranted against defect in
workmanship and materials for a period of one year from date of shipment
from originating factory. This warranty is in force only when products are
properly installed, field assembled, maintained and operated in use and
service as specifically stated in Refrigerating Specialties Catalogs or
Bulletins for normal refrigeration applications, unless otherwise approved
in writing by Refrigerating Specialties Division.Defective products, or parts
thereof, returned to the factory with transportation charges prepaid and
found to be defective by factory inspection will be replaced or repaired at
Refrigerating Specialties’ option, free of charge, F.O.B. factory. Warranty
does not cover products which have been altered, repaired in the field;
damaged in transit, or have suffered accidents, misuse, or abuse.Products
disabled by dirt, or other foreign substances will not be considered
defective.
THE EXPRESS WARRANTY SET FORTH ABOVE CONSTITUTES THE
ONLY WARRANTY APPLICABLE TO REFRIGERATING SPECIALTIES
PRODUCTS, AND IS IN LIEU OF ALL OTHERWARRANTIES, EXPRESS
OR IMPLIED, WRITTEN OR ORAL, INCLUDING ANY WARRANTY OF
MERCHANTABILITY, OR FITNESS FOR A PARTICULAR PURPOSE.No
employee,agent, dealer or other person isauthorizedto giveany warranties
on behalf of Refrigerating Specialties, nor to assume, for Refrigerating
Specialties, any other liability in connection with any of its products.
Safe Operation
(see also Bulletin RSBCV)
People doing any work on a refrigeration system must be qualified and
completely familiar with the system and the Refrigerating Specialties
Division valves involved, or all other precautions will be meaningless.This
includes reading and understanding pertinent Refrigerating Specialties
Division Product Bulletins, and Safety Bulletin RSB prior to installation or
servicing work.
Where cold refrigerant liquid lines are used, it is necessary that certain
precautions be taken to avoid damage which could result from liquid
expansion.Temperature increase in a piping section full of solid liquid will
cause high pressure due to the expanding liquid which can possibly rupture
a gasket, pipe or valve. All hand valves isolating such sections should be
marked, warning against accidental closing, and must not be closed until
the liquid is removed. Check valves must never be installed upstream of
solenoid valves, or regulators with electric shut-off, nor should hand valves
upstream of solenoid valves or downstream of check valves be closed
until the liquid has been removed. It is advisable to properly install relief
devices in any section where liquid expansion could take place.
Avoid all piping or control arrangements which might produce thermal or
pressure shock.
For the protection of people and products, all refrigerant must be removed
from the section to be worked on before a valve, strainer, or other device
is opened or removed.
Flanges with ODS connections are not suitable for ammonia service.