1
INSTRUCTION MANUAL
FOR ETR-9040 LIMIT CONTROL
PAGE
Section 1: INTRODUCTION . . . . . . . . . . . . . . . . . . 1
Section 2: CATALOG NUMBERING SYSTEM . . . . 2
Section 3: SPECIFICATIONS . . . . . . . . . . . . . . . . . 2
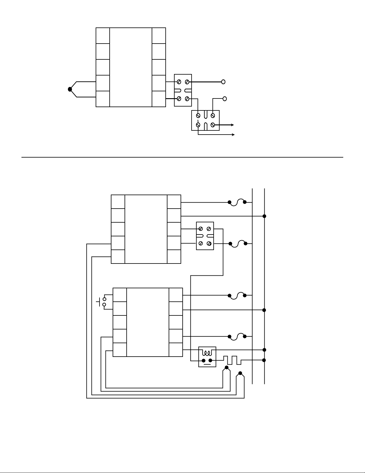
Section 4: INSTALLATION . . . . . . . . . . . . . . . . . . . 4
Wiring Diagrams . . . . . . . . . . . . . . . . . . . 5 - 8
Output 2 Wiring . . . . . . . . . . . . . . . . . . . . . .9
RS-485 Wiring . . . . . . . . . . . . . . . . . . . . . .10
PAGE
Section 5: OPERATION . . . . . . . . . . . . . . . . . . . . 11
Front Panel Adjustments . . . . . . . . . . . . . . 11
Adjustment Flow Chart . . . . . . . . . . . . . . . 12
Menu Descriptions . . . . . . . . . . . . . . . . . . .13
Parameter Definitions . . . . . . . . . . . . .14 & 15
Limit Operation . . . . . . . . . . . . . . . . . . . . . .16
Alarm Operation . . . . . . . . . . . . . . . . . . . . .17
Display Shift . . . . . . . . . . . . . . . . . . . . . . . .18
Section 6: CALIBRATION PROCEDURE . . . . . . .19
Section 7: TROUBLESHOOTING . . . . . . . . . . 20, 21
Section 1: INTRODUCTION
The OGDEN ETR-9040 limit control is an over tempera-
ture protection or a high limit safety device with a
latching output. The limit removes power in an abnor-
mal condition when the process temperature is higher
than the high limit set point or lower than the low limit
set point.
The unit is powered by an 11-26 or 90-264VDC/VAC
supply, incorporating a 3 amp form C relay for limit
control. The universal input is fully programmable for
PT100, thermocouple types J, K, T, E, B, R, S, N, L and
0~60mV, without the need to modify the unit. The ETR-
9040 has an optional port available for one of the fol-
lowing functions: alarm output, RS-485 communica-
tions, DC power supply output, limit annunciator output
or event input. Alternative control output options also
include SSR drive and triac. The input signal is digi-
tized by using an 18-bit A to D converter. Its fast sam-
pling rate
(5 times/second) allows the ETR-9040 to control fast
processes such as pressure and flow.
Digital communication RS-485 is available as an addi-
tional option. This option allows the ETR-9040 to be
integrated with a supervisory control system. As a
alternative option, alarm functions and alarm modes
can also be programmed for a specific application. The
DC power supply output option can be used to power
an external sensor or transmitter. The event input
option can be programmed to reset or lock the con-
troller from a remote switch. The limit annunciator
option can be used to control an alarm buzzer
Three methods can be used to program the ETR-9040
1. Use keys on front panel to program the unit manu-
ally.
2. Use a PC and setup software to program the unit
via RS-485 port.
3. Use the P11A, a hand-held programmer to pro-
gram the unit via the programming port.
High accuracy, maximum flexibility, fast response and
user friendly are the main features of the ETR-9040