
PERFORMANCE SPECIFICATIONS
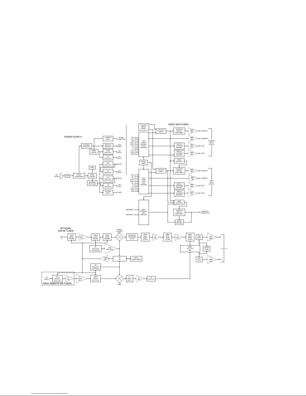
FMTuner
UseableSensitivity
14dBF which is 1.4uV across 75 ohms
50dBQuieting Sensitivity
Mono: 19dBF which is 2.4uV across 75 ohms
Stereo: 35dBF which is 15uV across 75 ohms
SignalTo Noise Ratio
Mono:75dB
Stereo:70dB
FrequencyResponse
Mono:+0,-1dB from 20to 15,000Hz
Stereo:+0,-1dBfrom 20to15,000Hz
HarmonicDistortion
Mono:0.3%at 100Hz, 0.3%at1,000Hz, 0.3% at10,000Hz
Stereo:0.45%at100Hz,0.45% at 1,000Hz,0.65%at10,000Hz
IntermodulatonDistortion
Mono:0.25%
Stereo:0.45%
CaptureRatio
1.2dB
AlternateChannelSelectivity
75dB
SpuriousResponse
100dB
ImageResponse
75dB
RFIntermodulation
65dB
StereoSeparation
45dBat100Hz,45dBat1,000Hz,35dBat10,000Hz
SCARejection
65dB
AMTuner
Sensitivity
20uV external antenna input
SignalTo Noise Ratio
48dBat 30% modulation
58dBat 100% modulation
HarmonicDistortion
0.5%maximumat50% modulation
FrequencyResponse
50Hzto6kHzNRSC
AdjacentChannelSelectivity
45dBminimumIHF
ImageRejection
65dBminimumfrom540to1600kHz
IFRejection
80dBminimum
Audio
FrequencyResponse
Stereo: LeftandRight Smallspeakers: 80Hz-20,000Hz
Subwoofer:20Hz-80Hz
Leftand Right Large speakers: 20Hz-20,000Hz
Subwoofer:OFF
Pro-Logic II: (Movie Processing Mode)
Left,Center,Right, Small speakers:80Hz-20,000Hz
SurroundSmall speakers: 80Hz-7kHz
Subwoofer:20Hz-80Hz
(Music Processing Mode)
Left,Center, Right, Largespeakers: 20Hz-20,000Hz
SurroundLarge speakers: 20Hz-20,000Hz
Subwoofer:OFF
DolbyDigital and DTS:
Left,Center, Right, Largespeakers: 80Hz-20,000Hz
SurroundLarge speakers: 20Hz-20,000Hz
Subwoofer:OFF
Left,Center, Right Largespeakers: 20Hz-20,000Hz
SurroundLarge speakers: 20Hz-20,000Hz
Subwoofer:20Hz-80Hz
ExternalInput
Left, Center, Right, Left Surround, Right Surround:
20Hz-20,000Hz
Subwoofer:20Hz-20kHz(noLP filtering)
RatedOutput
AllModes: 2.0Vrmsfor full bit digital input
InputImpedance
22kohms
2