
4
dc2326af
DEMO MANUAL DC2326A
Reference
The default reference is the LTC2345 internal 4.096V
reference. Alternatively, if a higher reference voltage is
desired, the LTC6655-5 reference (U7) can be used by
setting the REF jumper (JP1) to the EXT position and
installing a 0Ω resistor in the R7 position. This should
result in better SNR performance but may slightly degrade
the THD performance of the LTC2345.
Analog Inputs
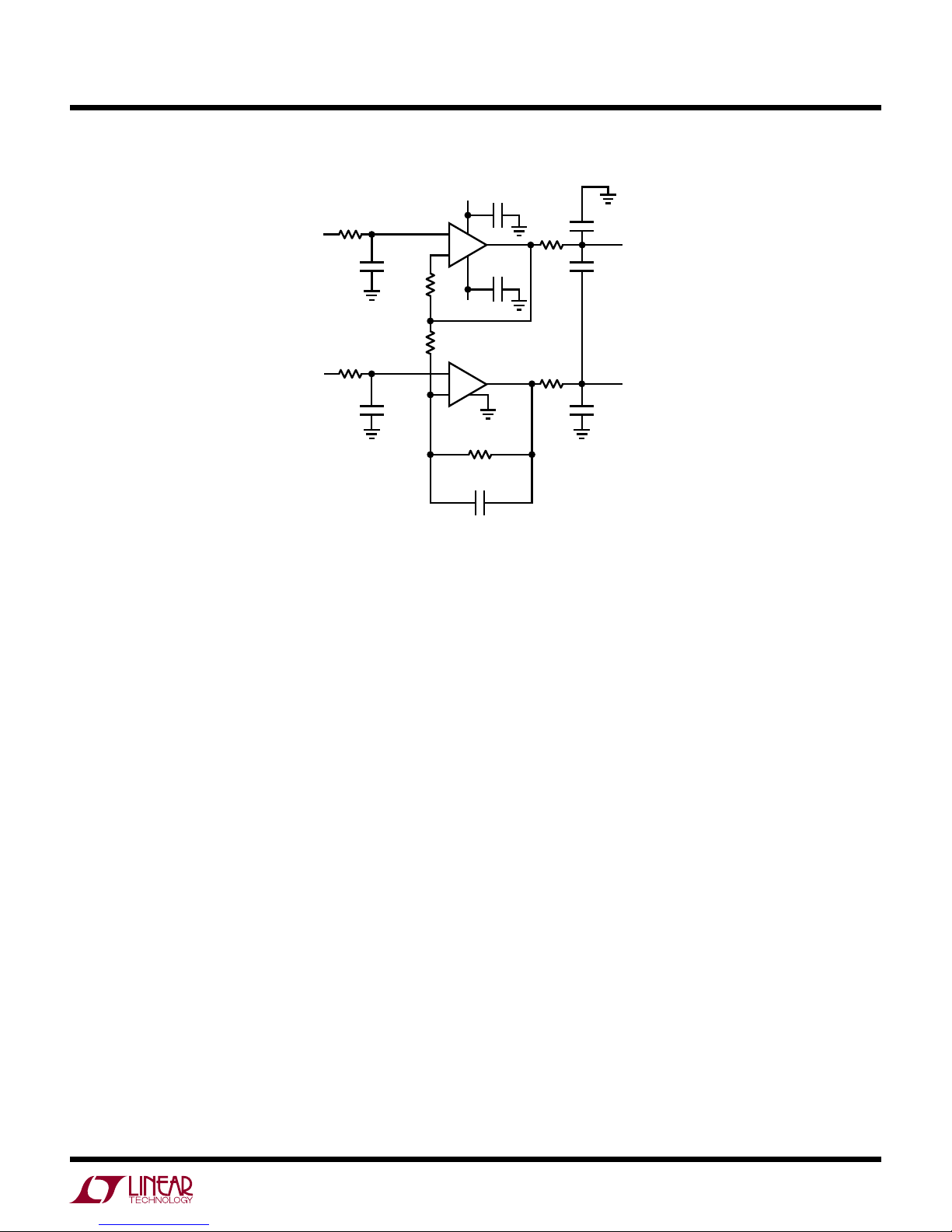
Alleight inputs havethe same drivercircuitry. The circuitof
Figure 2 shows the driver for IN0. It provides a DC coupled
single-ended to fully differential output to the analog inputs
of the LTC2345 with a maximum 0V-4.096V input signal.
DC890 Data Collection
For SINAD, THD or SNR testing a low noise, low distortion
generatorsuch as the B&KType1051 or StanfordResearch
SR1 should be used. A low jitter RF oscillator such as the
Rohde & Schwarz SMB100A is used to drive the clock
input. This demo board is tested in house by attempting
to duplicate the FFT plot shown in Typical Performance
Characteristics section of the LTC2345 data sheet. This
involves using a 60MHz clock source, along with a sinu-
soidal generator at a frequency of approximately 2kHz. The
input signal level is approximately –1dBFS. A typical FFT
obtained with DC2326A is shown in Figure 3. Note that
to calculate the real SNR, the signal level (F1 amplitude =
–1.099dB) has to be added back to the SNR that PScope
displays. With the example shown in Figure 3 this means
that the actual SNR would be 91.40dB instead of the
90.30dB that PScope displays. Taking the RMS sum of the
recalculated SNR and the THD yields a SINAD of 91.39dB
which is fairly close to the typical number for this ADC.
Dc2326a setup
To change the default settings for the LTC2345 in PScope,
click on the Set Demo Bd Options button in the PScope
tool bar shown in Figure 4. This will open the Configure
Channels menu of Figure 5. In this menu it is possible to
set the input signal range setting for each channel. There
is also a button to return PScope to the default DC2326A
settings which are optimized for the default hardware
settings of the DC2326A.
There are a number of scenarios that can produce mislead-
ing results when evaluating an ADC. One that is common
is feeding the converter with an input frequency that is
a sub-multiple of the sample rate, and which will only
exercise a small subset of the possible output codes.
The proper method is to pick an M/N frequency for the
input sine wave frequency. N is the number of samples
in the FFT. M is a prime number between one and N/2.
Multiply M/N by the sample rate to obtain the input sine
wave frequency. Another scenario that can yield poor
results is if you do not have a signal generator capable of
ppm frequency accuracy or if it cannot be locked to the
clock frequency. You can use an FFT with windowing to
reduce the “leakage” or spreading of the fundamental, to
get a close approximation of the ADC performance. If an
amplifier or clock source with poor phase noise is used,
the windowing will not improve the SNR.
DC590/DC2026 Data Collection
Due to the relatively low and somewhat unpredictable
sample rate of the DC590/DC2026 its usefulness is lim-
ited to noise measurement and data collection of slowly
moving signals. A typical data capture and histogram are
shown in Figure 6. To change the default settings for the
LTC2345 in QuikEval, click on the Sequence Config but-
ton. This will open the Config Dialog menu of Figure 7.
In this menu it is possible to set the input signal range
and gain compression setting for each sequence. There
is also a button to return QuikEval to the default DC2326A
settings which are optimized for the default hardware set-
tings of the DC2326A.