1
Table of Contents
1. Overview ........................................................................................................................................3
1.1 Features..............................................................................................................................4
1.2 Package Contents ...............................................................................................................4
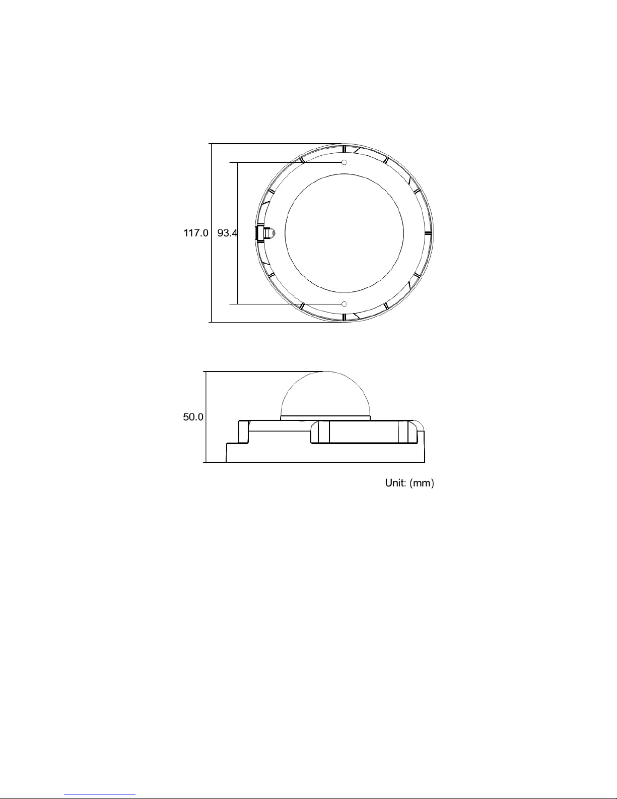
1.3 Dimensions.........................................................................................................................5
1.4 Connectors .........................................................................................................................6
2. System Requirements ....................................................................................................................7
3. Accessing Camera...........................................................................................................................8
3.1 Recording Software..........................................................................................................12
3.2 Installing DC Viewer Software Online ..............................................................................13
4. Operation & Configuration...........................................................................................................15
4.1 Browser-based Viewer Introduction................................................................................15
4.2 Home Page .......................................................................................................................17
4.2.1 Function Items on Home Page.............................................................................17
4.3 System..............................................................................................................................19
4.3.1 System..................................................................................................................19
4.3.2 Security ................................................................................................................21
4.3.2.1 User ......................................................................................................................21
4.3.2.2 HTTPS ...................................................................................................................23
4.3.2.3 IP Filter.................................................................................................................26
4.3.2.4 IEEE 802.1X...........................................................................................................27
4.3.3 Network ...............................................................................................................29
4.3.3.1 Basic .....................................................................................................................29
4.3.3.2 QoS.......................................................................................................................32
4.3.3.3 SNMP....................................................................................................................33
4.3.3.4 UPnP.....................................................................................................................35
4.3.3.5 DDNS ....................................................................................................................37
4.3.3.6 Mail ......................................................................................................................39
4.3.3.7 FTP........................................................................................................................40
4.3.3.8 HTTP .....................................................................................................................41
4.3.3.9 Motion Detection.................................................................................................42
4.3.3.10 Network Failure Detection.................................................................................48
4.3.3.11 Tampering ..........................................................................................................50
4.3.3.12 Storage Management (Local Recording)............................................................54
4.3.3.13 Recording (Local Recording) .............................................................................56
4.3.3.14 File Location (Snapshots and Web Recording) ..................................................57
4.3.3.15 View Information ...............................................................................................58