
4
How it works
When activated the launch control monitors the RPM with very high precision, taking into
account every ignition pulse to instantaneously calculate new RPM value and compare it to
the set level by the “RPM” knob on the device. When the engine goes above that level, both
spark delay and spark cut are performed. The delay is set by the “Delay” knob and the
number of consecutive spark events skipped is set by the “Miss” knob. The delay calculation
takes into account the RPM so that if the RPM is changed the delay will be automatically
recalculated so the spark happens at the same degree.
How to tune it right
At the first start keep the “RPM” knob at the maximum level to make sure the rev limiter is
not too low, thus preventing the engine to start. Next, press the clutch and hold 2k RPM
while decreasing the “RPM” setting until you feel the rev limit kick in. This way you know it’s
set at around 2k RPM and can retune it easily.
Why LaunchItPro?
What makes this product different is precision and quality. In order to achieve the desired
performance the unit controls both ignition delay and ignition cut bringing this to user
configurable level. Besides, due to the fast processor and smart programming, every ignition
pulse is taken care of individually so that it never occurs too early (or randomly as with
other products) which would cause "detonation".
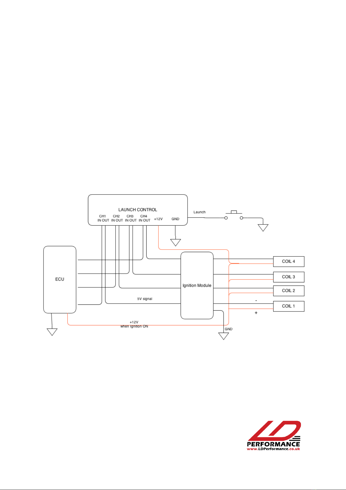
Compatibility and Limitations
The launch Control module features 8 independent channels which can control up to 8 coils.
The unit is compatible with many petrol engines with ignition coils with integrated amplifier
or external ignition module which uses 5V signals for each ignition event. It's been tested on
many cars; some listed in the installation manual. Currently this edition does not support
direct coil control (with no internal amplifier). For more information and specific
installations don't hesitate to contact us.