
1
© Copyright 2021 Printed
Before You Start
General Information
Your Third Function Valve Kit has been designed
specifically for the Kubota tractor series equipped with a
Kubota front loader. These assembly instructions apply
to the Third Function Valve Kit Accessories listed below:
• 380-166A: 3FVK PC MX5800 . . . . . . . . . . . . . . page 2
• 380-334A: 3FVK FF MX5800 . . . . . . . . . . . . . . page 2
Further Assistance
Your Land Pride dealer wants you to be satisfied with your
new Third Function Valve Kit. If for any reason you do not
understand any part of this manual or are not satisfied
with the service received, the following actions are
suggested:
1. Discuss any problems you have with your Third
Function Valve Kit with your dealership service
personnel so they can address the problem.
2. If you are still not satisfied, seek out the owner or
general manager of the dealership, explain the
question/problem, and request assistance.
3. For further assistance write to:
Land Pride Service Department
1525 East North Street
P.O. Box 5060
Salina, Ks. 67402-5060
E-mail address
lpservicedept@landpride.com
When you see this symbol, the subsequent
instructions and warnings are serious - follow
without exception. Your life and the lives of
others depend on it!
!
WARNING: Cancer and reproductive harm.
www.P65Warnings.ca.gov
!
California Proposition 65
IMPORTANT: Before you begin, thoroughly read
these instructions and check to be sure all parts are
accounted for. Please retain these installation
instructions for future reference and parts ordering
information.
Assembly Instructions
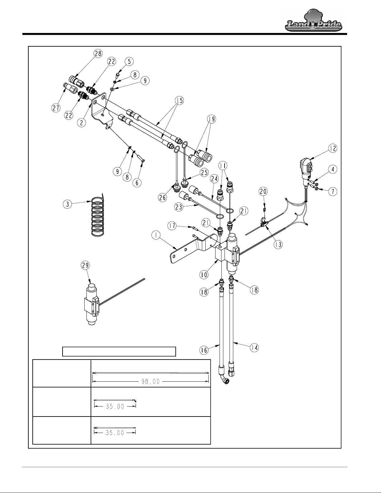
A detailed listing of parts for your cab tractor’s 3rd
Function Valve Kit is provided on page 6 for kits using
pioneer couplers, and page 8 for kits using flat faced
couplers. Use the list that is for your specific Third
Function Valve Kit as a checklist to inventory parts
received. Please contact your local Land Pride dealer for
any missing hardware.
Direction Reference
All directional references are made from the operator
seat while facing the direction the machine will operate.
Directional Arrows Used in Illustrations
Initial Preparations
WARNING
!
To avoid serious injury or death: Hydraulic fluid under high
pressure can penetrate the skin and/or eyes causing a serious
injury. Wear protective gloves and safety glasses or goggles
when working with hydraulic systems.
The steps listed below must be followed before installing
this kit:
1. Reduce engine speed. Park tractor and attachment
on solid, level ground.
2. Unhook the attachment from the loader arms, back
away from attachment several feet, and lower loader
arms until they are fully down.
3. Put tractor in park or set park brake, turn off engine,
and remove ignition key to prevent unauthorized
starting.
4. Relieve all hydraulic pressure to auxiliary hydraulic
lines.
5. Wait for all components to come to a complete stop
before leaving the operator’s seat.
6. Use steps, grab-handles and anti-slip surfaces when
stepping on and off the tractor.
7. As a safety precaution, disconnect the negative
battery cable from battery terminal. Move cable away
from terminal to avoid accidental contact.
U
D
B
F
R
L
U = up
L = left
B = back
D = down
R = right
F = front
KEY:
For MX4800, MX5200, & MX5800 Kubota Tractors With LA1065 Loader and
For MX4700 & MX5100 Kubota Tractors with LA844 Loader
Third Function Valve Kit
#380-166A & #380-334A Installation Instructions
Manual No. 380-167M
01/20/21