
Table of Contents
1.Overview................................................................................................................ 1
1.1 Introduction......................................................................................................1
1.2 Main Features.................................................................................................. 1
1.3 Abbreviations................................................................................................... 1
1.4 Learn by Example............................................................................................. 2
2.Hardware Specifications............................................................................................ 4
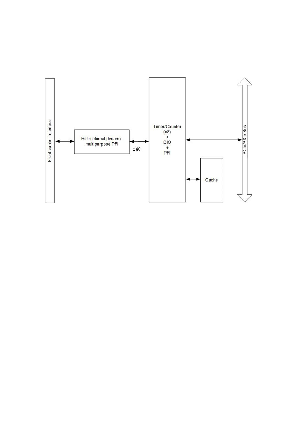
2.1 System Diagram................................................................................................4
2.2 Digital IO Specifications....................................................................................5
2.3 Counter/Timer Specifications...........................................................................6
2.4 Other Specifications......................................................................................... 7
2.5 Front Panel and Pin Definition......................................................................... 8
2.6 Default Routing for Counter Input/Output Signals........................................10
3.Software....................................................................................................................11
3.1 System Requirements.................................................................................... 11
3.2 System Software.............................................................................................11
3.3 C# Programming Language............................................................................ 11
3.4 PCIe/PXIe-5211 Series Hardware Driver........................................................ 12
3.5 Install the SeeSharpTools from JYTEK............................................................ 12
3.6 Running C# Programs in Linux........................................................................12
4.Operating PCIe/PXIe-5211....................................................................................... 14
4.1 Quick Start......................................................................................................14
4.2 Digital I/O Operations.................................................................................... 14
4.3 Counter Measurement Operations................................................................15
4.3.1 Edge Counting..................................................................................... 15
4.3.2 Pulse Measurement............................................................................ 22
4.3.3 Frequency Measurement....................................................................28
4.3.4 Period Measurement.......................................................................... 33
4.3.5 Two-Edge Separation.......................................................................... 35
4.3.6 Quadrature Encoder............................................................................40
4.3.7 Two-Pulse Encoder..............................................................................46
4.4 Counter Generation Operations.................................................................... 50
Learn by Examples........................................................................................52
4.5 Clocks..............................................................................................................54
4.5.1 PLL....................................................................................................... 54
4.5.2 Sample Clock....................................................................................... 55
4.5.3 Timebase............................................................................................. 56
4.6 Start Trigger....................................................................................................57
4.7 Logic Level...................................................................................................... 57
4.8 Multi-Card Synchronization........................................................................... 58
4.9 System Synchronization Interface (SSI)for PCIe Modules..............................59