Controls and operation
- 6 -
English
4. ESP Indicator
This LED indicator lights up in red colour when the ESP (Electronic Speech Processor)
function is enabled. The ESP is an RX & TX electronic modulation processor.
5. TX/RX Indicator
This green-red dual colour LED indicator lights up in green colour when radio is in
receive mode and in red colour when radio is in transmit mode.
6. AM/FM and M1 Key
This key allows to select the AM or FM operating mode in both RX and TX. The
AM/FM operating mode selection is possible only if it is allowed the programmed
frequency band, otherwise the selection is not possible. This key is also used to
program and select the memory channel M1 (refer to item .11). If the UK (United
Kingdom) frequency band has been programmed, by shortly pressing this key you
can select the UK channels (UK frequencies) or the CE channels (CE frequencies).
7. SCAN and M2 Key
By pressing the SCAN key, the SCAN (automatic scanning of busy channels) function is
enabled. To enable the SCAN function, first turn the SQUELCH control (19) clockwise,
until the background noise is cut. Then press the SCAN key, radio will automatically start
scanning all channels continuously and the SCAN icon (C) will appear on the LCD. Auto-
scan stops if a signal is detected on a channel, in order to let the user listen to the
incoming signal and will start again when no signal is detected on that channel. If the
PTT Key (27) is pressed within 5 seconds, radio will remain on that channel, otherwise
scanning will start again. Auto-scan may be also re-started at any time by pressing again
the SCAN key. To exit the SCAN mode, shortly press the PTT button (27). This key is
also used to program and select the memory channel M2 (refer to item .11).
8. LCR and M3 Key
By pressing the LCR (Last Channel Recall) key, radio will automatically select the last
used channel. This key is also used to program and select the memory channel M3
(refer to item .11).
9. DW and M4 Key
The DW (Dual Watch) function allows automatic alternate monitoring of two
programmable channels. Select the first channel to be monitored using the channel
selector knob (13) or the channel selection keys on the microphone (28, 30). To
enable the DW function, press the DW key for about 2 seconds, until the DW icon (I)
appears and blinks on the LCD display. Now select the second channel to monitor
using the channel selector knob (13) or the channel selection keys on the microphone
(28, 30). Press again the DW key for about 2 seconds. The DW function is now
enabled and the LCD display will alternately show the channel number of the two
programmed channels. The DW icon (I) will be lighted on the LCD display. Monitoring
stops if a signal is detected on one of the two channels, in order to let the user listen
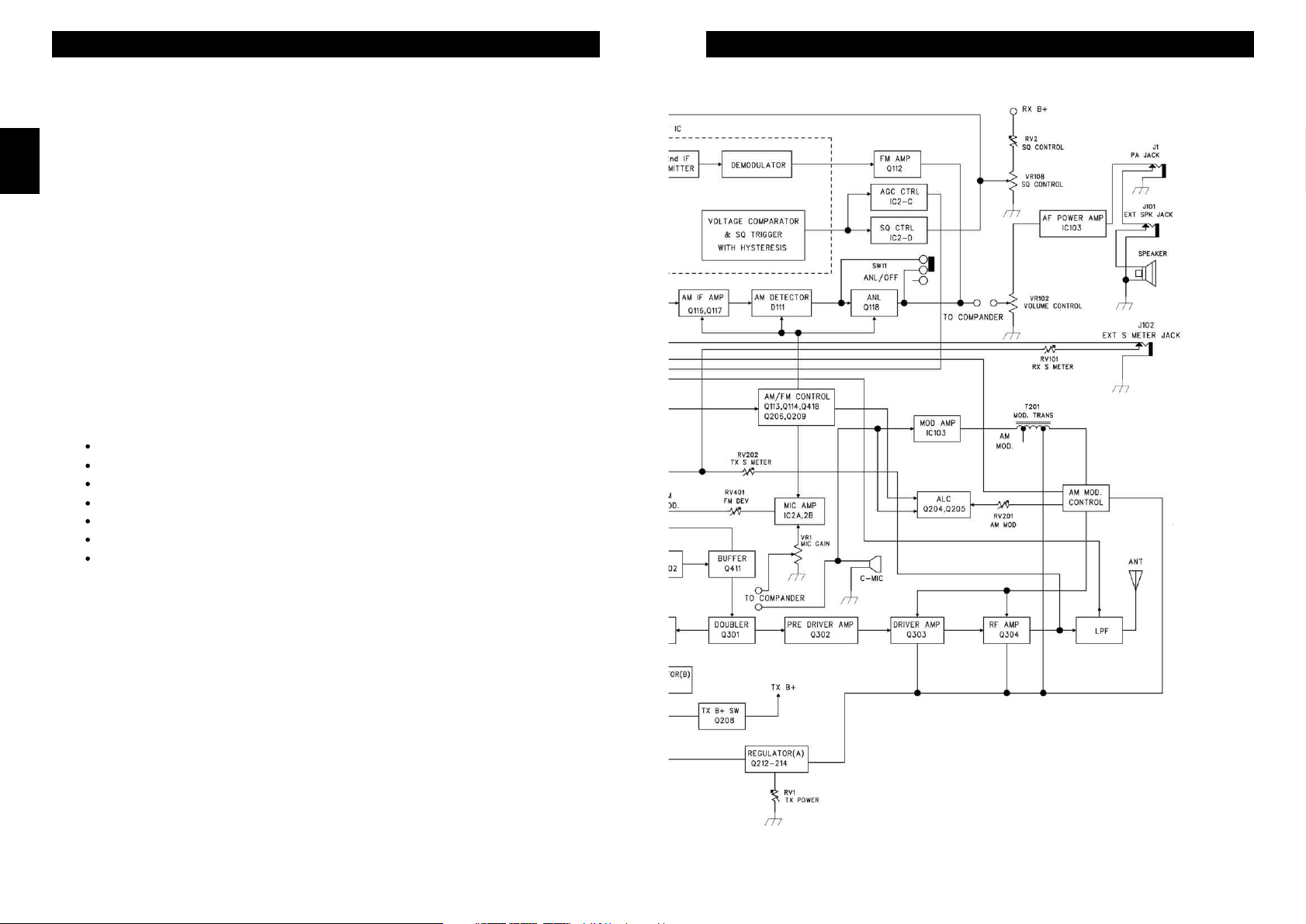
PCB - Main Board & CPU Board
- 35 -