
Erweiterungsmodul KWL E 45
für EcoVent Verso
ontage- u. Betriebsvorschrift
5
D
4.0 Funktionsbeschreibung
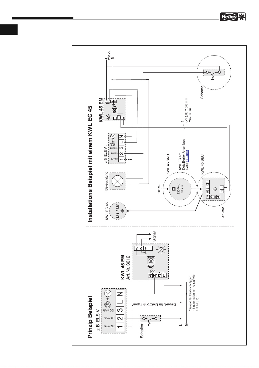
Das KWL 45 E Erweiterungsmodul überwacht den Betriebsstrom eines Ventilators. Ein
Relaiskontakt signalisiert mit einem Schließer den Betriebszustand „Ventilator läuft”. Der
Relais-Kontakt kann in eine externe Steuerung zur Auswertung integriert werden.
4.1 Informationen für die Elektrofachkraft
– Versorgung
Das KWL 45 E ist für den Betrieb in einer UP-Dose vorgesehen.
Der Zugang während des Betriebs ist nur einer Elektrofachkraft gestattet.
Über die Klemme L‘ und N‘ wird das KWL 45 E mit Netzspannung versorgt. Die Klemme
L‘‘ kann als Klemmstation für die Ventilatorversorgung verwendet werden, für das odul
selbst hat sie keine Bedeutung.
Der zu überwachende Strom des Ventilators findet über die Klemmen N‘ und N‘‘ statt.
Somit muss die N-Versorgung des Ventilators über die Klemme N‘‘ durchgeführt werden.
Für jeden zu überwachenden Ventilator wird je ein KWL 45 E odul benötigt.
Das Erweiterungsmodul KWL 45 E darf nur im Bereich der genannten Daten be-
trieben werden. Entsprechend ist ein Sicherheitspuffer (Ventilator Toleranz) von ca.
10 % zum max. Strom, einzuhalten. Eine dauernde Überlastung des oduls führt
zu dessen Zerstörung!
– Relais
Der Relaiskontakt kann zur Signalisierung des Schaltzustandes in externen Steuerungen
eingesetzt werden. Kontaktbelastung beachten siehe Technische Daten.
Kontakt Klemme 2/3 geschlossen bedeutet Schaltschwelle überschritten, „ Ventilator läuft”.
Sinkt der überwachte Strom unter die Schaltschwelle, öffnet der Kontakt Klemme 2/3
wieder, „Ventilator aus”.
Das Relais ist mit einem Goldkontakt ausgestattet. Dies ermöglicht das Schalten sehr
kleiner DC Ströme. Werden einmal AC-Ströme geschaltet, ist der Kontakt nur noch für
diese Anwendung einsetzbar.
4.2 Potentiometer / Schaltschwelle einstellen
In der Potentiometerstellung „min” (Auslieferungszustand) werden
die allermeisten Helios Ventilator Typen erkannt. Wird die
Strom-Schaltschwelle durch einen laufenden Ventilator über
schritten, schaltet das Relais. Dies wird gleichzeitig durch
die grüne LED signalisiert. Ein justieren mit dem Potentiometer
ist nicht notwendig.
In wenigen Fällen ist es erforderlich die Schaltschwelle
nachzujustieren.
Situation 1:
Das Relais hat geschaltet, die LED leuchtet, obwohl der Ventilator nicht läuft. Dies liegt
an dem Ruhe/Standbystrom des Ventilators (interne Elektronik-Steuerung des Ventilators).
Dieser liegt jetzt über der Schaltschwelle.
Nachjustieren:
Bei stehendem Ventilator, das Potentiometer langsam in Richtung „ max” drehen, bis die
grüne LED erlischt. Zur Sicherheit minimal weiter drehen. Die Schaltschwelle, die über
dem Ruhe/Standbystrom des eingesetzten Ventilators liegt, ist nun gefunden.
KAPITEL 4
FUNKTION
GEFAHR
ACHTUNG
HINWEIS