Table of Contents
I. Haskris Contact Information .................................................................................5
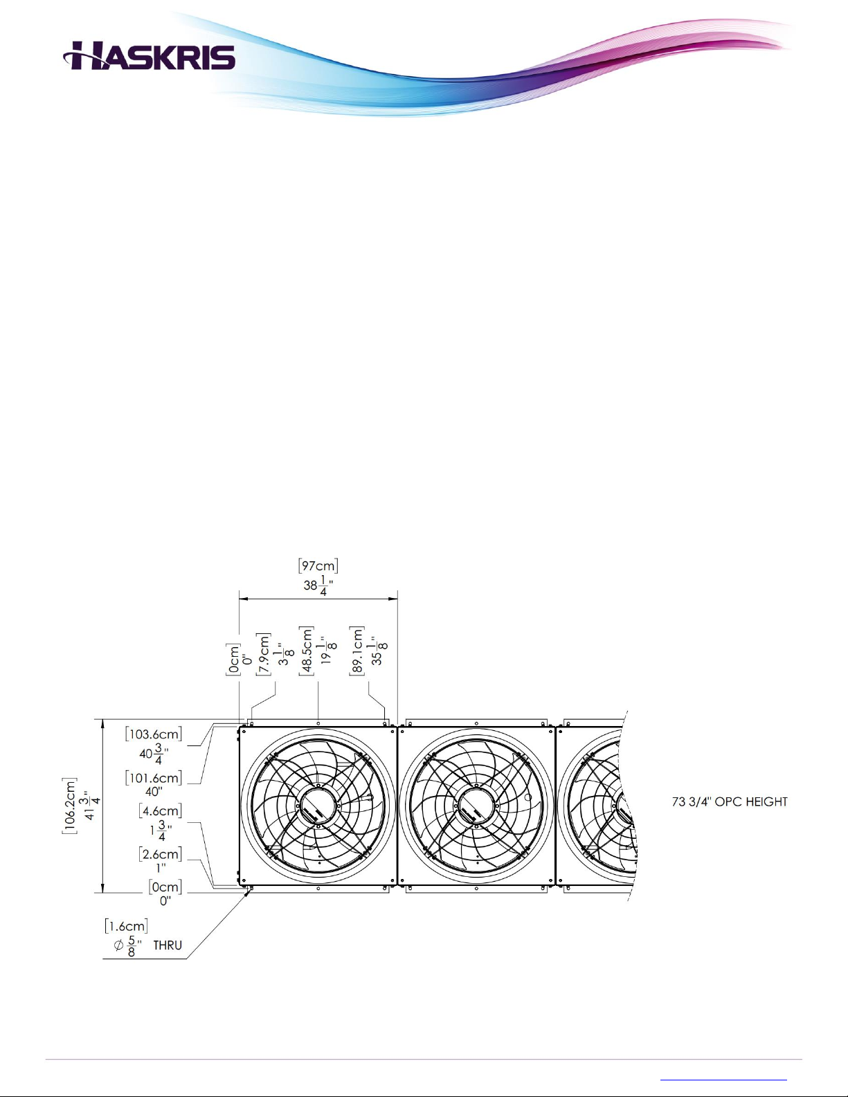
II. Confirm Chiller Model and Number of Frame Sections
Frame Sections ...............................................................................................6
III. Installation: Foundation, Vibration, Elevation, Clearances, Transportation
Foundation .....................................................................................................7
Vibration ........................................................................................................9
Elevation ...................................................................................................... 10
Clearances.................................................................................................... 10
Transportation –OPC3 through OPC30...........................................................14
Transportation –OPC36 through OPC60......................................................... 17
IV. Installation: Line Sizing, Piping
Line Sizing....................................................................................................18
Piping...........................................................................................................19
V. Installation: Electrical
Electrical ......................................................................................................21
VI. Installation: Piping Flush, Purge
Piping Flush.................................................................................................. 23
Piping Purge .................................................................................................23
VII. Installation: Glycol Mixture, Filling
Glycol Mixture...............................................................................................24
Fill the Reservoir –Standard Type (Non-Pressurized) ......................................25
Fill the Reservoir –Optional Sealed Type (Pressurized).................................... 25
Fill the Piping................................................................................................ 26