
Page 2 – Revision 1
Table of Contents
Introduction . . . . . . . . . . . . . . . . . . . . . . . . . . . . . . . . . . . . . . . . . . . . . . . . . . . 3
Contents and System Requirements . . . . . . . . . . . . . . . . . . . . . . . . . . . . . . . 4
Hardware Components . . . . . . . . . . . . . . . . . . . . . . . . . . . . . . . . . . . . . . . . . . 5
PLL Parts/Usage . . . . . . . . . . . . . . . . . . . . . . . . . . . . . . . . . . . . . . . . . . . . . . . 7
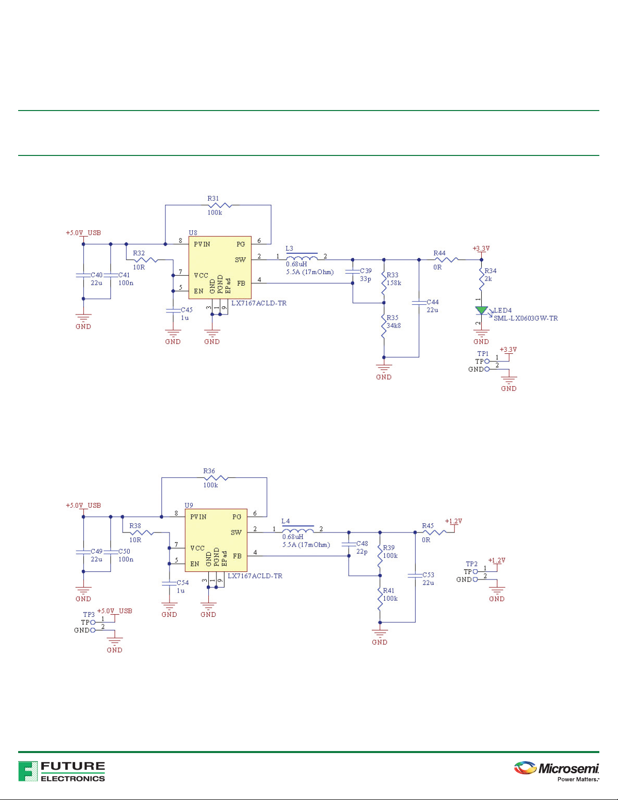
Power Supplies . . . . . . . . . . . . . . . . . . . . . . . . . . . . . . . . . . . . . . . . . . . . . . . . 8
Mini USB Connector for Power, JTAG and UART Connectivity . . . . . . . . . . 10
Programming or Re-Programming the Example Design. . . . . . . . . . . . . . . . 11
Clock Circuits . . . . . . . . . . . . . . . . . . . . . . . . . . . . . . . . . . . . . . . . . . . . . . . . 11
Differential I/O Standards . . . . . . . . . . . . . . . . . . . . . . . . . . . . . . . . . . . . . . . 11
Setup and Running Out-of-the-box demo . . . . . . . . . . . . . . . . . . . . . . . . . . 12
Package Connections . . . . . . . . . . . . . . . . . . . . . . . . . . . . . . . . . . . . . . . . . . 13
Memory Setups . . . . . . . . . . . . . . . . . . . . . . . . . . . . . . . . . . . . . . . . . . . . . . . 17
Schematics – Connectors . . . . . . . . . . . . . . . . . . . . . . . . . . . . . . . . . . . . . . . 18
– FTDI-JTAG . . . . . . . . . . . . . . . . . . . . . . . . . . . . . . . . . . . . . . . 20
– DDR SDRAM. . . . . . . . . . . . . . . . . . . . . . . . . . . . . . . . . . . . . . 22
– FPGA IO . . . . . . . . . . . . . . . . . . . . . . . . . . . . . . . . . . . . . . . . . 24
– FPGA Power-PLL . . . . . . . . . . . . . . . . . . . . . . . . . . . . . . . . . . 26
– Power Supplies. . . . . . . . . . . . . . . . . . . . . . . . . . . . . . . . . . . . 28