
- 6 -
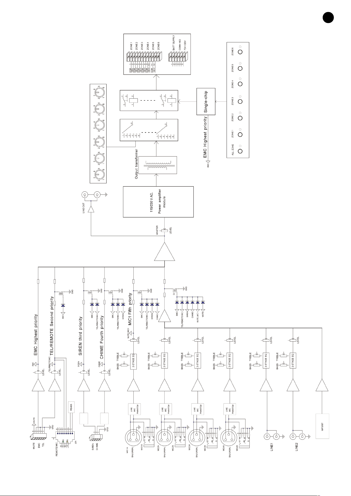
REAR PANEL
1.- ZONES 100 V OUTPUTS: to turn zones on/off use the front switches. Only loudspeakers with a 100 V
line transformer should be used with the zone selection terminals. Connect the positive terminal of each
zone to the corresponding ZONE 1 to ZONE 6 terminal and the common terminal of each zone to the
COM terminal. Maximum power of each zone is 50 W. The total power connected to the loudspeakers
must not exceed the power of the amplifier, 240 W.
2.- REMOTE MIC: input terminals M-62 microphones. It allows you to connect up to 6 microphones in
cascade in one terminal or 3 microphones in cascade in each terminal.
3.- MUTE: all inputs and the BT/USB/SD/MP3/FM modules are muted when the contacts of these two
terminals are closed.
4.- EMC: emergency signal input connection terminals. This activates all zones and has the highest priority.
5.- TEL: telephone input connection terminals. These allow you to connect to a telephone switchboard to
make pages from the switchboard with priority over the other inputs. Consult the characteristics of the
switchboard to adjust to the input level of the amplifier. This has priority over inputs INPUT 1-6..
6.- TEL VOL: adjusts the volume of the TEL input.
7- LINE OUT: line level output, 2 x RCA connectors.
8- INPUT 5, 6: line level inputs. Allows you to connect audio sources, 2 x RCA connectors.
9- FM ANT.: FM antenna input connection terminals.
10- INPUTS: microphone/line inputs, XLR combo connector and 6.3 mm jack. Supports balanced and
unbalanced microphone signals and balanced electrect condenser microphones requiring 48 V phantom
power. High level, balanced or unbalanced line signals from mixers, CDs, tape, tuners, etc. are
supported.
11- PHANTOM/LINE/MIC: These switches have 3 positions:
LINE: At this position, LINE 1 to LINE 4 inputs can be connected to line-level audio sources, such as a
pre-amplified desktop microphone or the line-level output of a mixer.
MIC: In this position, balanced or unbalanced, dynamic or electret condenser microphones can be
connected to the LINE 1 to LINE 4 inputs, powered by a battery that does not require phantom power.
PHANTOM: in this position, electret condenser microphones requiring phantom power (48 V between
pins 3 and 1, 2 and 1 of the XLR connector) can be connected to the LINE 1 to LINE 4 inputs. Use this
switch at minimum volume to avoid damage.
12- SIREN GAIN: control that regulates the volume level of the alarm.
13- CHIME GAIN: control that regulates the volume level of the CHIMES.
14- COM: common terminal which activates the warning tone or the alarm via contact closure.
15.- CHIME: contact closure that activates chime sound.
16- SIREN: contact closure that activates the siren sound.
17- 24 V DC, 8 A:
+/-: 24 V DC supply terminals. For amplifier operation with 24 V DC power supply, batteries, emergency
power supply system, etc. Connect with 2.5 mm section cable to the - negative and + positive terminals.
Note: when using a 24 V DC amplifier, the output power is reduced by approximately 20%.
EN
MPZ-6241_MANUAL_(EN)_NEW_20190718.qxp_Maquetación 1 18/7/19 11:23 Página 6