CAU ION: when connecting and disconnecting an unbalanced microphone the switcher must be in the
MIC position. If the switcher is in the P ANTOM +48 V position this could cause damage to the
microphones. When using microphones which do not require phantom power supply, make sure
the switcher is put in the MIC position, given that the voltage present in pins 2 and 3 of the XLR
connector could cause damage to the microphones.
20.- MICRO GAIN: MICRO input gain control.
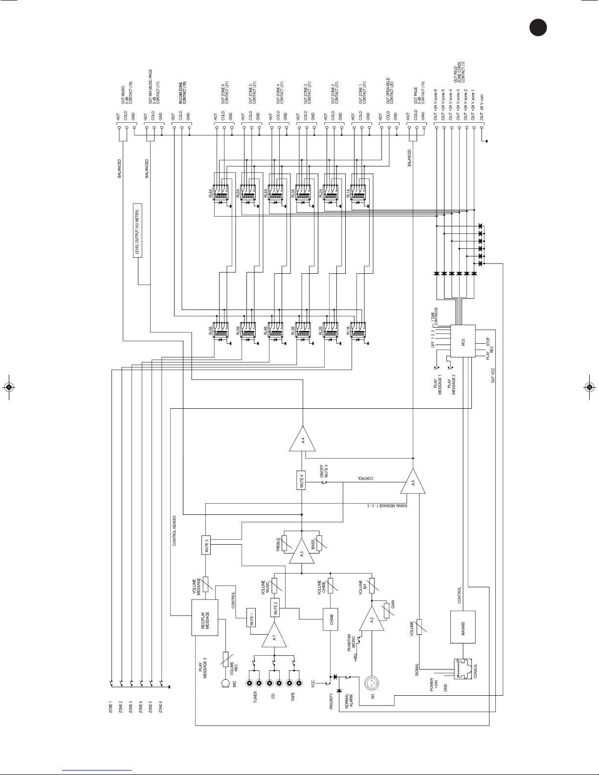
21.- CONSOL GAIN: gain control of remote microphone mod. M-203.
22.- CONSOL VOLUME: volume control of remote microphone mod. M-203.
23.- CONSOL: input connector for microphone with zone selector mod. M-203, RJ-45 connector. The
microphone input mod. M-203 is only sent to the PAGE OUT paging output. A maximum of 6
microphones mod. M-203 can be used.
INS RUC IONS FOR USE
CONNEC ION OF MICROPHONE M-203
For the connection of microphone mod. M-203 a Cat.5 type cable is used. This cable is connected to the
CONSOL output of the mixer mod. MXZ-2036 and to the LINE IN input of the first microphone mod. M-203.
In the event of having more than one microphone they should be connected in cascade from the LINK OUT
output of the first to the LINE IN input of the second and so on.
CHIMES
The chimes can be used in two ways:
- The chimes can be played remotely through the microphone mod. M-203. Select the zone or zones to
which you wish to send the chimes using the buttons ZONE 1 to 6. Then, press the TALK button which
activates the chimes and open the microphone to page in the selected zones.
- To play the chimes from the amplifier, they must be activated on the rear panel using the PRIORITY contact
closure. Closing these contacts activates the chimes and attenuates the level of the auxiliary input (TAPE,
CD o TUNER) in the zones that are selected. These inputs will remain attenuated as long as the contacts
are closed.
INPU PRIORI Y
The priority function automatically reduces the level of the inputs with lower priority so that the paging or
message broadcast through those with higher priority can be clearly heard.
The input signal for the microphone mod. M-203 has maximum priority over the rest of the inputs and is
activated when the TALK button on the microphone is pressed. When the priority is activated, the MICRO
inputs, messages 1 or 2 and the auxiliary input (TAPE, CD or TUNER) are automatically attenuated, so that
the message is clearly heard.
In the next priority level message 3 is found, which is activated by pressing the ALARM button on the
microphone mod. M-203 for approximately two seconds. This input has priority over the MICRO inputs,
messages 1 and 2 and the auxiliary input (TAPE, CD or TUNER), which will remain attenuated as long as the
message is active or PRIORITY contact closure is closed.
The next level of priority is formed by the PRIORITY contact closure (which activates the chimes) and
messages 1 or 2. These inputs have priority over the auxiliary input (TAPE, CD or TUNER), which will remain
attenuated as long as the message is active or the PRIORITY contact closure is closed.
MESSAGE PLAYBACK
To play messages 1 or 2, select the message you wish to play using the contact closure on the rear panel.
Then press the PLAY MESSAGE button on the front panel to play it and the STOP button if you wish to stop
playback.
Note: for message playback, the NORMAL/ALARM selector must be in ALARM mode.
To play message 3 press and hold the ALARM button on the microphone mod. M-203. The message will be
broadcast in the selected zones if the mixer is configurated in NORMAL mode, or in all the zones if the mixer
is configurated in ALARM mode. The message will be played continuously until the ALARM button is pressed.
- 6-
EN