
Table of Contents
Operating manual Steam bath control Series FCU2000/FCU3000/FCU4000 B_FCUxxxx-Steam_EN / Version V 2.03 3
Table of Contents
1
Safety................................................................................................................................5
1.1
Explanations of symbols...............................................................................5
2.1
Demands on the operator and technicians...................................................5
1.2
Intended use .................................................................................................6
1.3
Changes and modifications ..........................................................................7
1.4
Operational safety and special dangers .......................................................7
2
Identification ....................................................................................................................8
2.1
Nameplate ....................................................................................................8
3
Technical Data:................................................................................................................8
4
Design and function........................................................................................................9
4.1
Function ........................................................................................................9
4.1.1
Steam ......................................................................................................9
4.1.2
Aroma ......................................................................................................9
4.1.3
Seat heating – (optional) .........................................................................9
4.2
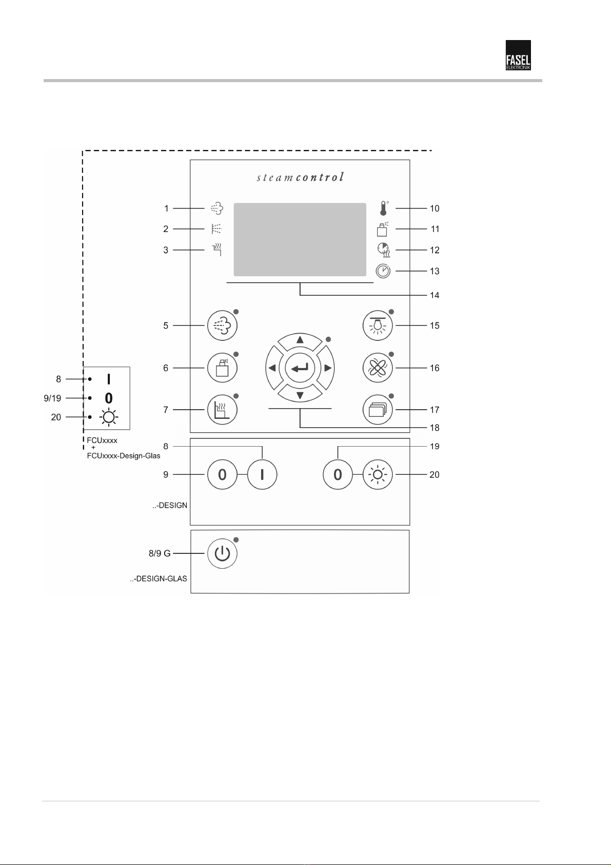
Operating and display elements .................................................................10
4.2.1
FCUxxxx-Steam design and FCU-Steam design glass ........................10
4.2.2
Control keys steam bath control............................................................11
4.2.3
Explanation of the display .....................................................................13
4.3
Display symbols..........................................................................................14
5
Operation .......................................................................................................................15
5.1
Safety and instructions ...............................................................................15
5.2
Turn steam bath control on and off.............................................................16
5.2.1
Turn steam bath control on ...................................................................16
5.2.2
Turn steam bath control off ...................................................................16
5.2.3
Select or start the mode ........................................................................17
5.3
Adjust "Steam bath" mode..........................................................................17
5.4
Adjust the set point temperature, heating time, remaining heating time and
timer............................................................................................................18
5.4.1
Maximum allowed heating time.............................................................19
5.4.2
Maximum allowed heating time.............................................................20
5.5
Day timer ....................................................................................................20
5.5.1
Adjust the flavour feed...........................................................................21
5.6
Adjust the brightness of the cabin light (not for FCU2xxx) .........................22
5.7
Adjust the cabin fan speed (not for FCU2xxx)............................................22
5.8
Options menu .............................................................................................23
5.8.1
Adjust bench temperature – (optional) ..................................................23
5.8.2
RGB-LED brightness (only for FCU4xxx and menu "Pro") ...................23
5.8.3
Colour light mode (including parameter description).............................24
5.8.4
Colour light start (only for menu "Pro")..................................................26
6
"Basic settings" menu..................................................................................................28