
- 1 -
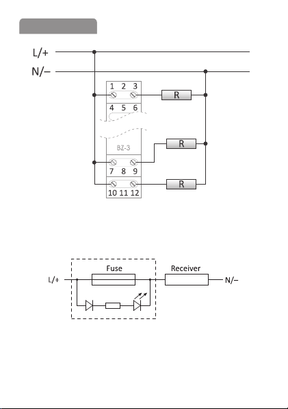
BZ-3
Fuse module,
3-slots
The BZ-3 fuse module is designed to protect electrical receivers from
the effects of a current rise above the permissible value.
Activation of the fuse (fuse link blown) is signaled by the illumination
of the red LED.
Absence or failure of the fuse doesn’t ensure physical di-
sconnection of the circuit!
Signal diode current (maximum 3 mA) can still flow through
the fuse circuit, which, in the case of protecting low-power
loads (<10 W), may cause the presence of voltage at the out-
put terminals of the fuse and the activation of signal lights
connected to the output of the fuse.
Purpose
Functioning
F&F Filipowski sp. j.
Konstantynowska 79/81, 95-200 Pabianice, POLAND
phone/fax (+48 42) 215 23 83 / (+48 42) 227 09 71
www.fif.com.pl; e-mail: biuro@fif.com.pl
Do not dispose of this device in the trash along with other waste!
According to the Law on Waste, electro coming from households free of charge and can
give any amount to up to that end point of collec� on, as well as to store the occasion of
the purchase of new equipment (in accordance with the principle of old-for-new, regard-
less of brand). Electro thrown in the trash or abandoned in nature, pose a threat to the
environment and human health.