
2
3916044 09.06
How to use this manual
This installation manual does not contain any system design
documentation. System design documentation is available from any
authorized EXHAUSTO representative.
Accessories, fans and variable frequency drives are not covered by
this manual. Please refer to these component’s individual manuals.
1. Product Information
1.1 Function ...............................................................................................3
1.2 Shipping ...............................................................................................3
1.3 Warranty...............................................................................................3
2. Specications
2.1 Dimensions & Capacities......................................................................4
3. Mechanical Installation
3.1 Location................................................................................................5
3.2 Mounting of Control Unit ......................................................................5
3.3 Connection of the Proven Draft Switch.................................................6
3.4 Installation of the Stack Probe..............................................................6
3.5 Adjusting the Fan Speed ......................................................................7
4. Electrical Installation
4.1 General ................................................................................................8
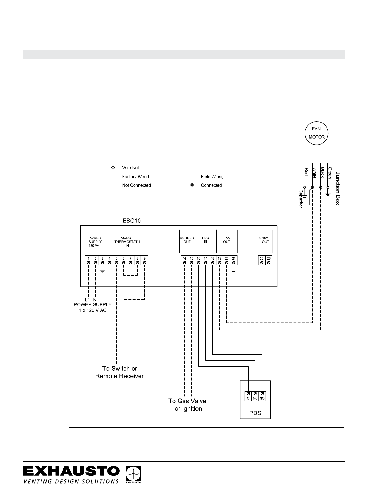
4.2 Wiring of Heating Appliance.................................................................9
4.3 Wiring of Gas Fireplace .....................................................................10
4.4 Wiring of 3-Phase Fans ...................................................................... 11
4.5 Wiring with a Variable Frequency Drive..............................................12
4.6 Connection of an External Proven Draft Switch .................................13
5. StartupandConguration
5.1 General ..............................................................................................14
5.2 Sequence of Operation ......................................................................14
5.3 Setting the Operating Pressure..........................................................14
6. MaintenanceandTroubleshooting
...........................................................................................................15
TO REDUCE THE RISK OF FIRE, ELECTRICAL SHOCK OR INJURY TO PERSONS,
OBSERVE THE FOLLOWING:
Caution: Indicates an imminent hazardous situation
which, if not avoided, may result in personal injury or
property damage.
SymbolLegend:
The following terms are used throughout this manual to bring attention
to the presence of potential hazards or to important information
concerning the product.
Danger: Indicates an imminent hazardous situation
which, if not avoided, will result in death, serious injury or
substantial property damage.
1. Use this unit in the manner intended by the manufacturer. If
you have questions, contact the manufacturer at the address or
telephone number listed on the front of the manual.
2. Before servicing or cleaning the unit, switch off at service panel
and lock service panel to prevent power from being switched on
accidentally.
3. Installationworkandelectricalwiringmustbedonebyaqualied
person(s) in accordance with applicable codes and standards.
4. Follow the appliance manufacturer’s guidelines and safety
standards such as those published by the National Fire Protection
Association (NFPA), and the American Society for Heating,
Refrigeration and Air Conditioning Engineers (ASHRAE), and the
local code authorities.
5. This unit must be grounded.