
1
Betriebsanleitung
Sicherheitsschalter STP-TW… (Twin)
Bestimmungsgemäßer Gebrauch
Sicherheitsschalter der Baureihe STP-TW sind Verrie-
gelungseinrichtungen mit Zuhaltung (Bauart2). Der
Betätiger besitzt eine geringe Codierungsstufe. In
Verbindung mit einer beweglichen trennenden Schutz-
einrichtung und der Maschinensteuerung verhindert
dieses Sicherheitsbauteil, dass die Schutzeinrichtung
geöffnet werden kann, solange eine gefährliche
Maschinenfunktion ausgeführt wird.
Das bedeutet:
Einschaltbefehle, die eine gefährliche Maschinen-
funktion hervorrufen, dürfen erst dann wirksam
werden, wenn die Schutzeinrichtung geschlossen
und zugehalten ist.
Die Zuhaltung darf erst dann entsperrt werden,
wenn die gefährliche Maschinenfunktion beendet ist.
Das Schließen und Zuhalten einer Schutzeinrichtung
darf kein selbstständiges Anlaufen einer gefährli-
chen Maschinenfunktion hervorrufen. Hierzu muss
ein separater Startbefehl erfolgen. Ausnahmen hier-
zu siehe ENISO12100 oder relevante C-Normen.
Geräte dieser Baureihe eignen sich auch für den
Prozessschutz.
Vor dem Einsatz des Geräts ist eine Risikobeurteilung
an der Maschine durchzuführen z.B. nach folgenden
Normen:
ENISO13849-1, Sicherheitsbezogene Teile von
Steuerungen
ENISO12100, Sicherheit von Maschinen - All-
gemeine Gestaltungsleitsätze - Risikobeurteilung
und Risikominderung
IEC62061, Sicherheit von Maschinen – Funktionale
Sicherheit sicherheitsbezogener elektrischer, elek-
tronischer und programmierbarer elektronischer
Steuerungssysteme.
Zum bestimmungsgemäßen Gebrauch gehört das
Einhalten der einschlägigen Anforderungen für den
Einbau und Betrieb, insbesondere nach folgenden
Normen:
ENISO13849-1, Sicherheitsbezogene Teile von
Steuerungen
ENISO14119 (ersetzt EN1088), Verriege-
lungseinrichtungen in Verbindung mit trennenden
Schutzeinrichtungen
EN60204-1, Elektrische Ausrüstung von Maschi-
nen.
Wichtig!
Der Anwender trägt die Verantwortung für die
korrekte Einbindung des Geräts in ein sicheres
Gesamtsystem. Dazu muss das Gesamtsystem
z.B. nach ENISO13849-2 validiert werden.
Wird zur Bestimmung des Perfomance Le-
vels (PL) das vereinfachte Verfahren nach
ENISO13849-1:2008, Abschnitt 6.3 benutzt,
reduziert sich möglicherweise der PL, wenn
mehrere Geräte hintereinander geschaltet werden.
Eine logische Reihenschaltung sicherer Kontakte
ist unter Umständen bis zu PLd möglich. Nähere
Informationen hierzu gibt ISOTR24119.
Liegt dem Produkt ein Datenblatt bei, gelten die
Angaben des Datenblatts, falls diese von der
Betriebsanleitung abweichen.
Sicherheitshinweise
WARNUNG
Lebensgefahr durch unsachgemäßen Einbau oder
Umgehen (Manipulation). Sicherheitsbauteile erfüllen
eine Personenschutz-Funktion.
Sicherheitsbauteile dürfen nicht überbrückt,
weggedreht, entfernt oder auf andere Weise
unwirksam gemacht werden. Beachten Sie
hierzu insbesondere die Maßnahmen zur Ver-
ringerung der Umgehungsmöglichkeiten nach
ENISO14119:2013, Abschn. 7.
Der Schaltvorgang darf nur durch speziell dafür
vorgesehene Betätiger ausgelöst werden.
Stellen Sie sicher, dass kein Umgehen durch Er-
satzbetätiger stattndet. Beschränken Sie hierzu
den Zugang zu Betätigern und z.B. Schlüsseln
für Entriegelungen.
Montage, elektrischer Anschluss und Inbetriebnah-
me ausschließlich durch autorisiertes Fachperso-
nal, welches über spezielle Kenntnisse im Umgang
mit Sicherheitsbauteilen verfügt.
VORSICHT
Gefahr durch hohe Gehäusetemperatur bei Umge-
bungstemperaturen größer 40°C.
Schalter gegen Berühren durch Personen oder
brennbarem Material schützen.
Funktion
Sicherheitsschalter der Baureihe STP-TW... (Twin)
besitzen zwei Betätigerköpfe. Sie ermöglichen das
gleichzeitige Zuhalten oder Entriegeln von zwei be-
weglichen Schutzeinrichtungen.
Zum Aktivieren der Zuhaltung müssen beide Betätiger
eingeführt werden.
Im Schalterkopf bendet sich eine drehbare Schalt-
walze, die durch den Zuhaltebolzen blockiert/
freigegeben wird.
Beim Einführen/Herausziehen der Betätiger und
beim Aktivieren/Entsperren der Zuhaltung wird der
Zuhaltebolzen bewegt. Dabei werden die Schaltkon-
takte betätigt.
Bei blockierter Schaltwalze (Zuhaltung aktiv) können
die Betätiger nicht aus dem Schalterkopf gezogen
werden. Konstruktionsbedingt kann die Zuhaltung
nur aktiviert werden, wenn die Schutzeinrichtung
geschlossen ist (Fehlschließsicherung).
Die Konstruktion des Sicherheitsschalters ist so
ausgeführt, dass Fehlerausschlüsse auf interne
Fehler gemäß ENISO13849-2:2013, TabelleA4,
angenommen werden können.
Zuhaltungsüberwachung
Alle Ausführungen verfügen über mindestens einen
sicheren Kontakt für die Überwachung der Zuhaltung.
Beim Entsperren der Zuhaltung, werden die Kontakte
geöffnet.
Türmeldekontakt
Die Ausführungen STP-TW-3 und STP-TW-4 verfügen
zusätzlich über mindestens einen Türmeldekontakt.
Je nach Schaltelement können die Türmeldekontakte
zwangsöffnend (Kontakte ) oder nicht zwangsöff-
nend sein.
Beim Öffnen der Schutzeinrichtung werden die Tür-
meldekontakte betätigt.
Ausführung STP-TW-3
(Zuhaltung durch Federkraft betätigt und durch Ener-
gie EIN entsperrt)
Zuhaltung aktivieren: Schutzeinrichtung schließen,
keine Spannung am Magnet
Zuhaltung entsperren: Spannung an Magnet anlegen
Die durch Federkraft betätigte Zuhaltung arbeitet
nach dem Ruhestromprinzip. Bei Unterbrechung
der Spannung am Magnet bleibt die Zuhaltung aktiv
und die Schutzeinrichtung kann nicht unmittelbar
geöffnet werden.
Ist die Schutzeinrichtung bei Unterbrechung der
Spannungsversorgung geöffnet und wird dann
geschlossen, wird die Zuhaltung aktiviert. Das kann
dazu führen, dass Personen unbeabsichtigt einge-
schlossen werden.
Ausführung STP-TW-4
(Zuhaltung durch Energie EIN betätigt und durch
Federkraft entsperrt)
Wichtig!
Der Einsatz als Zuhaltung für den Personenschutz
ist nur in Sonderfällen nach strenger Bewertung des
Unfallrisikos möglich (siehe ENISO14119:2013,
Abschn. 5.7.1)!
Zuhaltung aktivieren: Spannung an Magnet anlegen
Zuhaltung entsperren: Spannung vom Magnet trennen
Die durch Magnetkraft betätigte Zuhaltung arbeitet nach
dem Arbeitsstromprinzip. Bei Unterbrechung der Span-
nung am Magnet, wird die Zuhaltung entsperrt und die
Schutzeinrichtung kann unmittelbar geöffnet werden!
Schaltzustände
Die detaillierten Schaltzustände für Ihren Schalter
nden Sie in Bild 5. Dort sind alle verfügbaren Schal-
telemente beschrieben.
Schutzeinrichtung geöffnet
STP-TW-3 und STP-TW-4:
Die Sicherheitskontakte und sind geöffnet.
Schutzeinrichtung geschlossen und nicht
zugehalten
STP-TW-3 und STP-TW-4:
Die Sicherheitskontakte sind geschlossen. Die
Sicherheitskontakte sind geöffnet.
Schutzeinrichtung geschlossen und
zugehalten
STP-TW-3 und STP-TW-4:
Die Sicherheitskontakte und sind geschlossen.
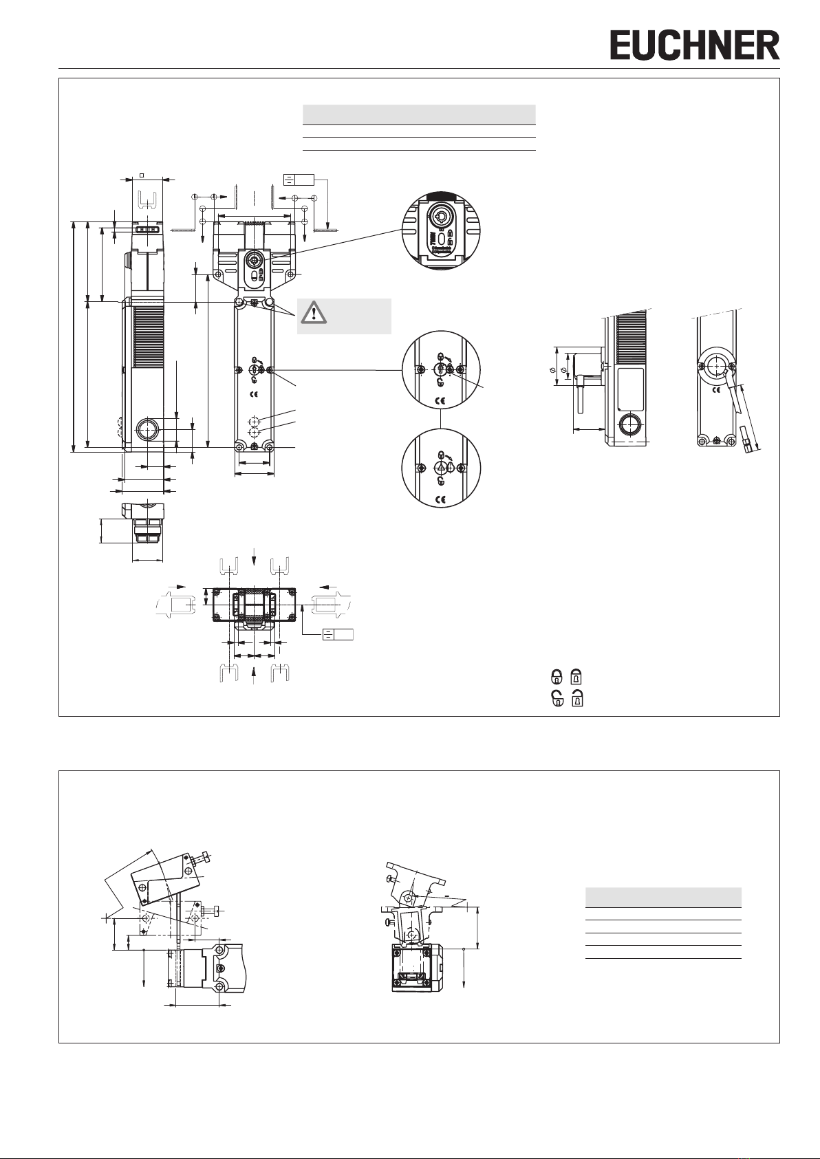
Auswahl des Betätigers
HINWEIS
Schäden am Gerät durch ungeeigneten Betätiger.
Achten Sie darauf den richtigen Betätiger auszu-
wählen (siehe Tabelle in Bild 3).
Es gibt folgende Ausführungen:
Betätiger S für Sicherheitsschalter ohne Ein-
führtrichter.
Manuelles Entsperren
In einigen Situationen ist es erforderlich, die Zuhaltung
manuell zu entsperren (z.B. bei Störungen oder im
Notfall). Nach dem Entsperren sollte eine Funktions-
prüfung durchgeführt werden.
Weitere Informationen finden Sie in der Norm
ENISO14119:2013, Abschn. 5.7.5.1. Das Gerät
kann folgende Entsperrfunktionen besitzen:
Hilfsentriegelung
Bei Funktionsstörungen kann mit der Hilfsentriegelung
die Zuhaltung, unabhängig vom Zustand des Magnets,
entsperrt werden.
Beim Betätigen der Hilfsentriegelung werden die
Kontakte geöffnet. Mit diesen Kontakten muss
ein Stoppbefehl erzeugt werden.
Hilfsentriegelung betätigen
1. Sicherungsschraube herausdrehen.
2. Hilfsentriegelung mit Schraubendreher in Pfeil-
richtung auf drehen.
Die Zuhaltung ist entsperrt
Wichtig!
Beim manuellen Entsperren darf der Betätiger
nicht unter Zugspannung stehen.
Die Hilfsentriegelung nach Gebrauch rückstellen,
die Sicherungsschraube eindrehen und versiegeln
(z.B. durch Sicherungslack).