
1
Betriebsanleitung
Sicherheitsschalter STP-BI…
Gültigkeit
Diese Betriebsanleitung gilt für alle STP-BI… Diese
Betriebsanleitung bildet zusammen mit dem Do-
kument Sicherheitsinformation und Wartung sowie
einem ggf. beiliegenden Datenblatt die vollständige
Benutzerinformation für Ihr Gerät.
Ergänzende Dokumente
Die Gesamtdokumentation für dieses Gerät besteht
aus folgenden Dokumenten:
Dokumenttitel
(Dokumentnummer) Inhalt
Sicherheitsinformation
(2525460)
Grundlegende Sicherheitsinforma-
tionen
Betriebsanleitung
(2100209) (dieses Dokument)
www
Konformitätserklärung Konformitätserklärung
www
Ggf. Ergänzungen zur
Betriebsanleitung
Ggf. zugehörige Ergänzungen zur
Betriebsanleitung oder Datenblätter
berücksichtigen.
www
Wichtig!
Lesen Sie immer alle Dokumente durch, um einen
vollständigen Überblick für die sichere Installati-
on, Inbetriebnahme und Bedienung des Geräts
zu bekommen. Die Dokumente können unter
www.euchner.de heruntergeladen werden. Geben
Sie hierzu die Dok. Nr. oder die Bestellnummer des
Geräts in die Suche ein.
Bestimmungsgemäßer Gebrauch
Sicherheitsschalter der Baureihe STP-BI sind Verrie-
gelungseinrichtungen mit Zuhaltung (Bauart2). Der
Betätiger besitzt eine geringe Codierungsstufe. In
Verbindung mit einer beweglichen trennenden Schutz-
einrichtung und der Maschinensteuerung verhindert
dieses Sicherheitsbauteil, dass die Schutzeinrichtung
geöffnet werden kann, solange eine gefährliche
Maschinenfunktion ausgeführt wird.
Das bedeutet:
fEinschaltbefehle, die eine gefährliche Maschinen-
funktion hervorrufen, dürfen erst dann wirksam
werden, wenn die Schutzeinrichtung geschlossen
und zugehalten ist.
fDie Zuhaltung darf erst dann entsperrt werden,
wenn die gefährliche Maschinenfunktion beendet ist.
fDas Schließen und Zuhalten einer Schutzeinrichtung
darf kein selbstständiges Anlaufen einer gefährli-
chen Maschinenfunktion hervorrufen. Hierzu muss
ein separater Startbefehl erfolgen. Ausnahmen hier-
zu siehe ENISO12100 oder relevante C-Normen.
Geräte dieser Baureihe eignen sich auch für den
Prozessschutz.
Vor dem Einsatz des Geräts ist eine Risikobeurteilung
an der Maschine durchzuführen z.B. nach folgenden
Normen:
fENISO13849-1
fENISO12100
fIEC62061
Zum bestimmungsgemäßen Gebrauch gehört das
Einhalten der einschlägigen Anforderungen für den
Einbau und Betrieb, insbesondere nach folgenden
Normen:
fENISO13849-1
fENISO14119
fEN60204-1
Wichtig!
fDer Anwender trägt die Verantwortung für die
korrekte Einbindung des Geräts in ein sicheres
Gesamtsystem. Dazu muss das Gesamtsystem
z.B. nach ENISO13849-2 validiert werden.
fWird zur Bestimmung des Perfomance Le-
vels (PL) das vereinfachte Verfahren nach
ENISO13849-1:2015, Abschnitt 6.3 benutzt,
reduziert sich möglicherweise der PL, wenn
mehrere Geräte hintereinander geschaltet werden.
fEine logische Reihenschaltung sicherer Kontakte
ist unter Umständen bis zu PLd möglich. Nähere
Informationen hierzu gibt ISOTR24119.
fLiegt dem Produkt ein Datenblatt bei, gelten die
Angaben des Datenblatts, falls diese von der
Betriebsanleitung abweichen.
Der STP-BI verfügt über eine zusätzliche Funktion,
die verhindern soll, dass
fsich Personen im Fall eines Stromausfalls oder bei
ausgeschalteter Maschine bei geöffneter Schutztür
versehentlich einschließen können
fdie aktivierte Zuhaltung bei einem Stromausfall
deaktiviert wird.
Wichtig!
Diese zusätzliche Funktion ist keine Sicherheits-
funktion!
Sicherheitshinweise
WARNUNG
Lebensgefahr durch unsachgemäßen Einbau oder
Umgehen (Manipulation). Sicherheitsbauteile erfüllen
eine Personenschutz-Funktion.
fSicherheitsbauteile dürfen nicht überbrückt,
weggedreht, entfernt oder auf andere Weise
unwirksam gemacht werden. Beachten Sie
hierzu insbesondere die Maßnahmen zur Ver-
ringerung der Umgehungsmöglichkeiten nach
ENISO14119:2013, Abschn. 7.
fDer Schaltvorgang darf nur durch speziell dafür
vorgesehene Betätiger ausgelöst werden.
fStellen Sie sicher, dass kein Umgehen durch Er-
satzbetätiger stattndet. Beschränken Sie hierzu
den Zugang zu Betätigern und z.B. Schlüsseln
für Entriegelungen.
fMontage, elektrischer Anschluss und Inbetriebnah-
me ausschließlich durch autorisiertes Fachperso-
nal, welches über spezielle Kenntnisse im Umgang
mit Sicherheitsbauteilen verfügt.
VORSICHT
Gefahr durch hohe Gehäusetemperatur bei Umge-
bungstemperaturen größer 40°C.
fSchalter gegen Berühren durch Personen oder
brennbarem Material schützen.
Beschreibung der
Sicherheitsfunktion
Geräte dieser Baureihe verfügen über folgende
Sicherheitsfunktionen:
Überwachen der Zuhaltung und der Stellung der
Schutzeinrichtung (Verriegelungseinrichtung
mit Zuhaltung nach ENISO14119)
fSicherheitsfunktion (siehe Kapitel Funktion):
- Bei entsperrter Zuhaltung sind Schaltkontakte der
Zuhaltungsüberwachung geöffnet (Überwachung
des Sperrmittels).
- Bei geöffneter Schutzeinrichtung sind Sicherheits-
kontakte geöffnet.
- Die Zuhaltung kann nur aktiviert werden, wenn
sich der Betätiger im Schalterkopf bendet (Fehl-
schließsicherung).
fSicherheitskennwerte: B10D (siehe Kapitel Techni-
sche Daten).
Ansteuern der Zuhaltung
fSicherheitsfunktion
Bei Einsatz des Geräts als Zuhaltung für den Perso-
nenschutz ist es erforderlich die Ansteuerung der
Zuhaltung als Sicherheitsfunktion zu betrachten.
Das Sicherheitsniveau der Ansteuerung der
Zuhaltung wird vom Gerät (PFHDint.) und von der
externen Ansteuerung bestimmt (z.B. PFHDext. des
Stillstandswächters).
PFHDext. PFHDint.
(internal electronic)
Guardlocking Device
(e.g. standstill
monitor) (locking mean)
fSicherheitskennwerte: Kategorie , Performance
Level , PFHD(siehe Kapitel Technische Daten).
Funktion
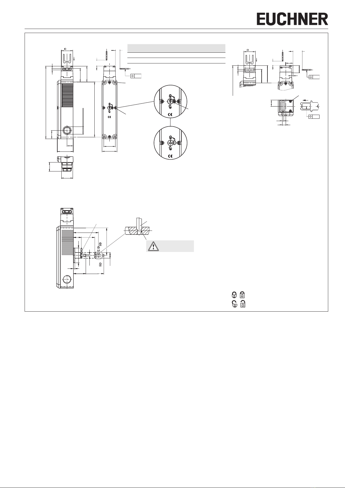
Der Sicherheitsschalter ermöglicht das Zuhalten von
beweglichen trennenden Schutzeinrichtungen.
Im Schalterkopf bendet sich eine drehbare Schalt-
walze, die durch den Zuhaltebolzen blockiert/
freigegeben wird.
Beim Einführen/Herausziehen des Betätigers und
beim Aktivieren/Entsperren der Zuhaltung wird der
Zuhaltebolzen bewegt. Dabei werden die Schaltkon-
takte betätigt.
Bei blockierter Schaltwalze (Zuhaltung aktiv) kann
der Betätiger nicht aus dem Schalterkopf gezogen
werden. Konstruktionsbedingt kann die Zuhaltung
nur aktiviert werden, wenn die Schutzeinrichtung
geschlossen ist (Fehlschließsicherung).
Die Konstruktion des Sicherheitsschalters ist so
ausgeführt, dass Fehlerausschlüsse auf interne
Fehler gemäß ENISO13849-2:2013, Tabelle A4,
angenommen werden können.
Der Schalter verfügt - zusätzlich zur mechanischen
Zuhaltung - über eine Fixierung für den Zuhaltebolzen.
Der Zuhaltebolzen wird bei nicht anliegender Betriebs-
spannung in seiner jeweiligen Stellung gehalten.
Erst durch Anlegen der Betriebsspannung wird der
Zuhaltebolzen freigegeben.
Bei Unterbrechung der Spannungsversorgung (Be-
triebsspannung + Steuerspannung) des Schalters
oder wenn die Maschine z.B. für Wartungsarbeiten
ausgeschaltet ist, wird der Zuhaltebolzen in seiner
letzten Stellung gehalten. Damit ist die Schutztür ent-
weder ständig zugehalten oder sie lässt sich beliebig
schließen und öffnen, ohne dass der Zuhaltebolzen
verriegelt.
Die Stellungsüberwachung der Schutzeinrichtung, und
die Zuhaltungsüberwachung erfolgt dabei über das
gleiche Schaltelement.
Zuhaltungsüberwachung
Alle Ausführungen verfügen über mindestens einen
sicheren Kontakt für die Überwachung der Zuhaltung.
Beim Entsperren der Zuhaltung, werden die Kontakte
geöffnet.
Ansteuern der Zuhaltung
Beim Ausfall der Ansteuerelektronik für die Zuhaltung
werden die Sicherheitskontakte geöffnet.
Sicherheitskennwerte: Siehe Technische Daten.
Türmeldekontakt
Die Ausführungen STP3 verfügen zusätzlich über
mindestens einen Türmeldekontakt. Je nach Schalte-
lement können die Türmeldekontakte zwangsöffnend
(Kontakte ) oder nicht zwangsöffnend sein.
Beim Öffnen der Schutzeinrichtung werden die Tür-
meldekontakte betätigt.
Ausführung STP3-BI
(Zuhaltung durch Steuerspannung AUS betätigt und
durch Steuerspannung EIN entsperrt)
fZuhaltung aktivieren: Schutzeinrichtung schließen,
Betriebsspannung anlegen
fZuhaltung entsperren: Betriebs- und Steuerspan-
nung anlegen