
7
The lens steams up
This occurs mainly during cold weather, where condensation occurs due to the temperature dierence between the wall
and the door camera unit itself. If water condenses on the lens, we recommend thoroughly drying the door camera unit
and adjusting the installation.
Spontaneous ringing
Spontaneous ringing is caused by moisture entering the door camera unit. Water short-circuits the contacts on the lock
switch and the device will start ringing on its own. We recommend dismounting the door camera unit, drying it thoroughly
and spraying it with a water repellent for electronics.
High-pitched noise (feedback)
The source of feedback is the scattering of output sound from the door camera unit. The sound scatters and is fed back into
the microphone, where it is further amplied.
You can solve this by decreasing the microphone sensitivity and speaker volume.
In door units with adjustable elements, you can do this by turning the potentiometers.
In units without these control elements, you can reduce the microphone volume mechanically by a piece of soft foam.
The device does not open the lock
Check that the cabling is intact.
Measure the voltage on the lock terminals using a multimeter.
The lock requires a voltage of 12 V to trigger. If the value is lower, use stronger conductors for the lock control.
Sudden decrease in microphone sensitivity
Check the cleanliness of the microphone opening, or clean it gently with a thin, blunt object.
Be careful not to damage the microphone!
Do not dispose with domestic waste. Use special collection points for sorted waste. Contact local authorities for in-
formation about collection points. If the electronic devices would be disposed on landll, dangerous substances may
reach groundwater and subsequently food chain, where it could aect human health.
EMOS spol. s r. o. declares that the EM-10AHD (H3010) is in compliance with the essential requirements and other rele-
vant provisions of Directive. The device can be freely operated in the EU. The Declaration of Conformity can be found at
http://www.emos.eu/download.
CZ | Sada barevného videotelefonu
Bezpečnostní pokyny a upozornění
Před použitím zařízení prostudujte návod k použití.
Dbejte bezpečnostních pokynů uvedených v tomto návodě.
Výrobek je navržen tak, aby při vhodném zacházení spolehlivě sloužil řadu let.
• Než začnete s výrobkem pracovat, pozorně si pročtěte uživatelský manuál.
• Neumisťujte výrobek do míst náchylných k vibracím a otřesům – mohou způsobit jeho poškození.
• Nevystavujte výrobek nadměrnému tlaku, nárazům, prachu, vysoké teplotě nebo vlhkosti – mohou způsobit poruchu
funkčnosti výrobku, kratší energetickou výdrž a deformaci plastových částí.
• Neumisťujte na výrobek žádné zdroje otevřeného ohně, např. zapálenou svíčku apod.
• Nezakrývejte a nevsunujte do větracích otvorů výrobku žádné předměty.
• Je-li napájecí kabel nebo zástrčka poškozena, nebo je-li zástrčka k elektrické zásuvce připojena volně, výrobek nepou-
žívejte. Může dojít k úrazu elektrickým proudem nebo k požáru v důsledku zkratu.
• Nepřekračujte výstupní napětí ani nepoužívejte jiné napájení, než je specikováno na výrobku. Přesvědčte se, zda je
napětí, uvedené na výrobku, shodné s napětím ve vaší oblasti.
• Výrobek nerozebírejte, neopravujte, ani jej neupravujte. Předejte jej k opravě prodejci, u kterého jste jej zakoupili.
• Nezasahujte do vnitřních elektrických obvodů výrobku – můžete jej poškodit a automaticky tím ukončit platnost záruky.
• Žádné součásti výrobku nenahrazujte neoriginálními náhradními díly.
• K čištění používejte mírně navlhčený jemný hadřík. Nepoužívejte rozpouštědla ani čistící přípravky – mohly by se poškrábat
plastové části a narušit elektrické obvody.
• Výrobek neponořujte do vody ani jiných kapalin.
• Tento výrobek a jeho šňůru uchovávejte mimo dosah dětí. Tento výrobek mohou používat osoby se sníženými fyzickými,
smyslovými nebo duševními schopnostmi nebo bez zkušeností a znalostí, jen pokud jsou pod dohledem nebo pokud byly
instruovány o bezpečném použití výrobku a chápou rizika, k nimž může dojít.
• Výrobek nenechávejte během provozu bez dozoru. Výrobek vždy odpojte od přívodu proudu v případě, že jej ponecháte
bez dozoru.
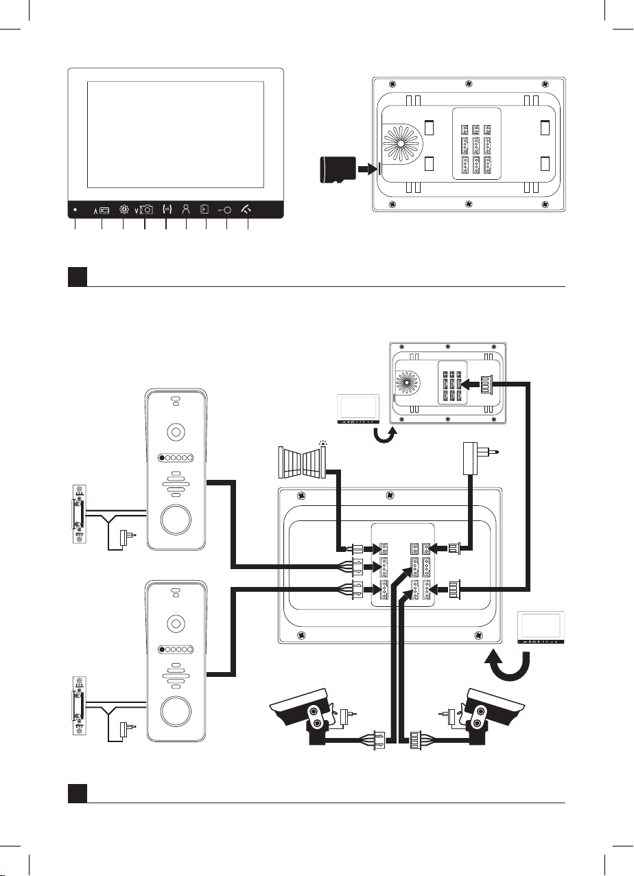
Obsah dodávky
Video monitor 1 ks
Montážní rámeček pro video monitor 1 ks
Dveřní kamerová jednotka 1 ks