1Table of contents
2Warning notice concept ....................................................................................................................................................................... 3
3Qualified personnel ............................................................................................................................................................................. 3
4Disclaimer............................................................................................................................................................................................ 3
5Email service........................................................................................................................................................................................ 3
6Comments ........................................................................................................................................................................................... 3
7Warranty ............................................................................................................................................................................................. 3
8Returns................................................................................................................................................................................................ 4
9Installation .......................................................................................................................................................................................... 4
9.1 Safety instructions ................................................................................................................................................................................. 4
9.2 Ambient conditions................................................................................................................................................................................ 4
9.3 Supply .................................................................................................................................................................................................... 4
9.4 Digital and analog inputs ....................................................................................................................................................................... 5
9.5 Relay output .......................................................................................................................................................................................... 5
10 SIM card........................................................................................................................................................................................... 5
11 Overview of article set contents....................................................................................................................................................... 6
12 Accessories ...................................................................................................................................................................................... 7
13 Dimensions ...................................................................................................................................................................................... 8
14 Interfaces......................................................................................................................................................................................... 9
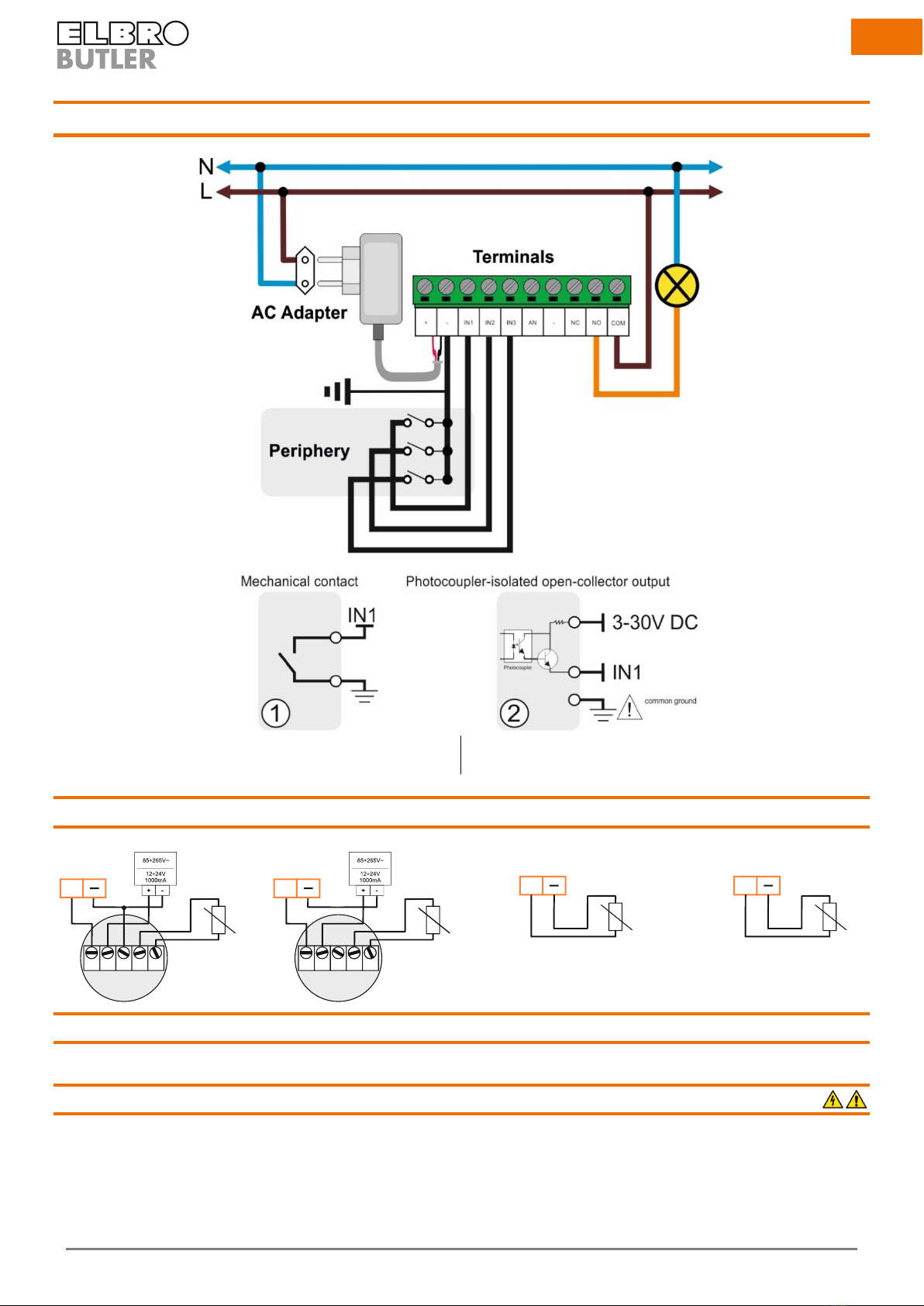
15 Installation diagram......................................................................................................................................................................... 10
15.1 Analog input....................................................................................................................................................................................... 10
15.2 Digital inputs...................................................................................................................................................................................... 10
15.3 Relay output ...................................................................................................................................................................................... 10
16 Programming ................................................................................................................................................................................... 11
16.1 Getting started................................................................................................................................................................................... 11
16.2 Registration........................................................................................................................................................................................ 11
16.3 Settings .............................................................................................................................................................................................. 11
16.4 Coupling the device via bluetooth ..................................................................................................................................................... 12
16.5 System status..................................................................................................................................................................................... 12
16.6 System settings.................................................................................................................................................................................. 13
16.7 Alarms and functions ......................................................................................................................................................................... 14
16.8 Periodic status message..................................................................................................................................................................... 14
16.9 Wi-Fi settings ..................................................................................................................................................................................... 15
17 Wireless accessories......................................................................................................................................................................... 15
18 System............................................................................................................................................................................................. 16
19 SMS commands................................................................................................................................................................................ 17
20 Manual switch ................................................................................................................................................................................. 17
20.1.1 Switching the relay in manual mode.............................................................................................................................................. 17
20.1.2 Manual restart ............................................................................................................................................................................... 17
20.1.3 Manual restart to default setting................................................................................................................................................... 17
21 Technical data.................................................................................................................................................................................. 18