
Click Any Diagram Desciption Below To Veiw That Diagram.
CS-520 S/N: C09312001001 - C09312999999
Cylinder Cover, Intake, Fuel System, Ignition Switch...................................................................................................4
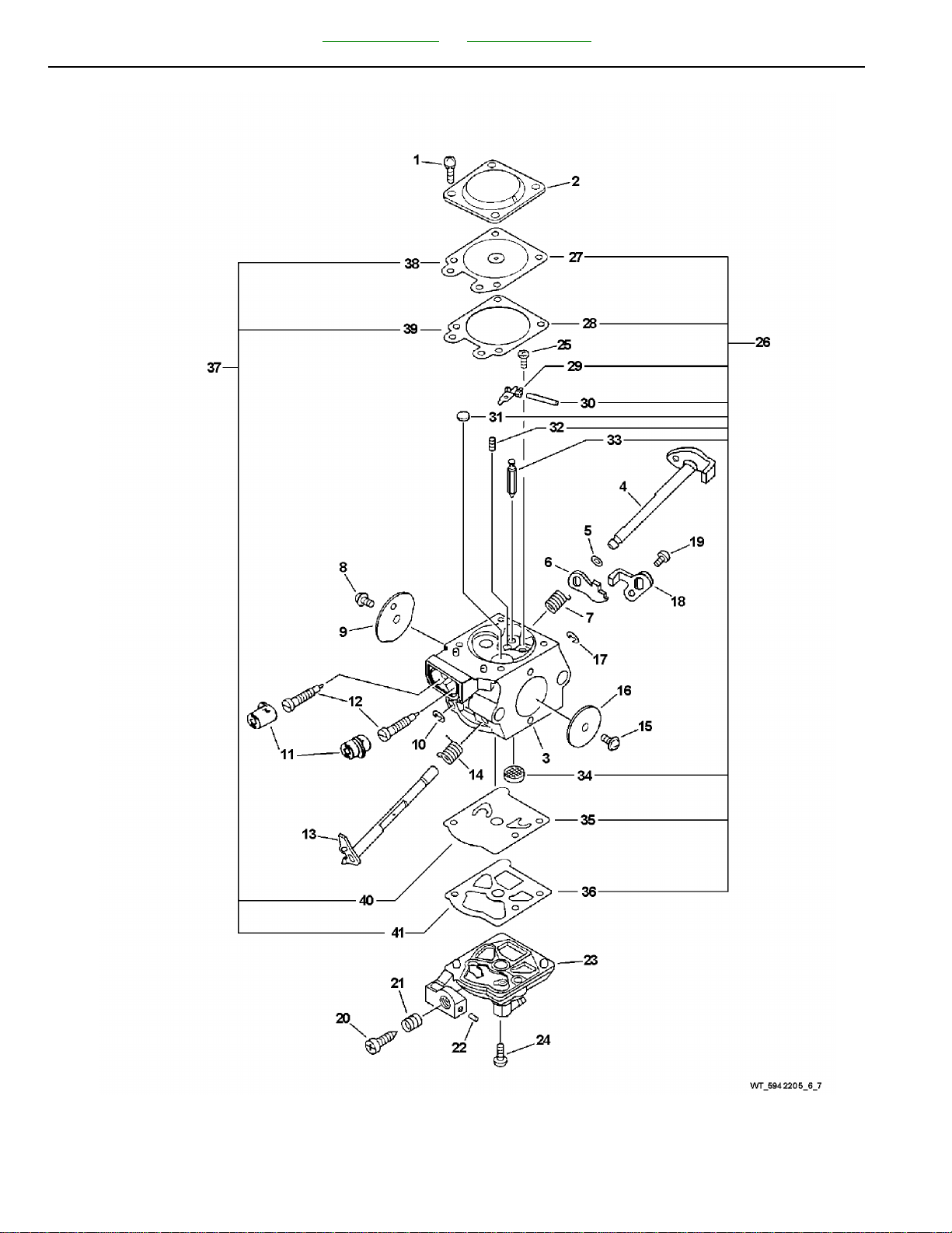
Carburetor -- WT-594........................................................................................................................................................6
Exhaust.............................................................................................................................................................................8
Starter.............................................................................................................................................................................10
Ignition............................................................................................................................................................................12
Chain Brake....................................................................................................................................................................14
Guide Bar, Sawing Chain, Kick Guard.........................................................................................................................16
Clutch.............................................................................................................................................................................18
Handles, Throttle Control..............................................................................................................................................20
Auto-Oiler, Oil Tank........................................................................................................................................................22
Engine, Short Block -- SB1080, Engine Cover............................................................................................................24
Labels.............................................................................................................................................................................26
Tools...............................................................................................................................................................................28
Part Number Index.........................................................................................................................................................30
Part Description Index..................................................................................................................................................31
99922204144 - 2 - REVISED 03/19/08
Table of Contents Part Number Index
Table of Contents