
SINGLE SCREW CHILLERS IMM
Engineered for Flexibility and Performance 1
Contents
■1. NOMENCLATURE.................................................................................................................... 3
●1.1 WATER COOLED SINGLE SCREW CHILLER (FLOODED) .................................................................... 3
●1.2 WATER COOLED SINGLE SCREW CHILLER (FALLING-FILM) .............................................................. 3
●1.3 WATER COOLED SINGLE SCREW CHILLER (NEW PLATFORM FOR ZUW-HCA).................................. 3
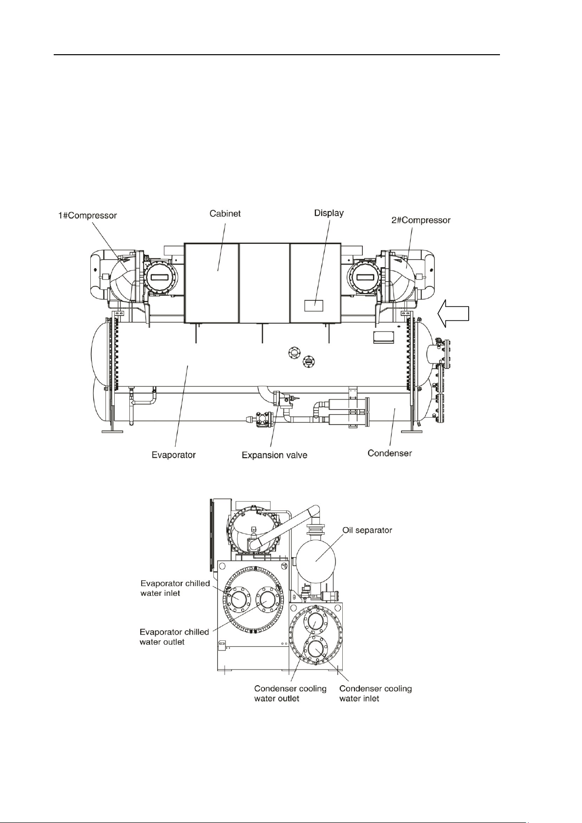
■2. MAJOR COMPONENT LOCATIONS....................................................................................... 4
■3. WORKING PRINCIPLES.......................................................................................................... 8
■4. SAFETY (PLEASE FOLLOW THE FOLLOWING CONTENT STRICTLY)........................... 10
●4.1 PRECAUTIONS DURING INSTALLATION........................................................................................... 10
●4.3 PRECAUTIONS DURING RELOCATION AND REPAIR ......................................................................... 14
●4.4 NOTES FOR RELIEF VALVE........................................................................................................... 15
■5. CHILLER TRANSIT ................................................................................................................ 17
●5.1 CHECKING ITEMS AFTER CHILLER ARRIVAL .................................................................................... 17
●5.2 CHILLER LIFTING......................................................................................................................... 17
●5.3 LIFTING REQUIREMENTS OF CHILLER ........................................................................................... 17
●5.4 HORIZONTAL TRANSITING ............................................................................................................ 18
■6. INSTALLATION ...................................................................................................................... 19
●6.1 CHILLER LOCATION AND FOUNDATION ........................................................................................... 19
●6.2 KNOCKDOWN OF CHILLER ........................................................................................................... 21
●6.3 PIPING OF THE CHILLERS ............................................................................................................. 22
●6.4 ELECTRIC WORKS ...................................................................................................................... 24
■7. MATTERS TO BE CONFIRMED BEFORE TEST RUN......................................................... 26
●7.1 INSPECT THE POWER CIRCUIT (PLEASE CONFIRM BEFORE IT BEING POWERED UP)........................... 26
●7.2 ACKNOWLEDGEMENT OF CABLES (BEFORE BEING POWERED UP).................................................... 26
●7.3 POWER SUPPLY CHECK ............................................................................................................... 26
●7.4 WATER SYSTEM CHECK ............................................................................................................... 27
●7.5 CHECK CHILLER .......................................................................................................................... 27
●7.6 PANEL SETTING CHECK................................................................................................................ 28
■8. FUNCTIONS OF CHILLER .................................................................................................... 29
●8.1 AUTOMATIC CONTROL OF WATER-TEMPERATURE FOR THE CHILLERS............................................... 29
●8.2 CHILLER CAPACITY CONTROL UNDER LOW COOLING LOAD.............................................................. 29
●8.3 LIMITS OF START/STOP ............................................................................................................... 30
■9. MAINTENANCE...................................................................................................................... 31
●9.1 REGULAR MAINTENANCE OF PROTECTIVE DEVICE,ETC. ............................................................... 31
●9.2 PRE-MAINTENANCE ..................................................................................................................... 31
●9.3 REGULAR MAINTENANCE............................................................................................................. 31
●9.4 MAINTENANCE CONTRACT........................................................................................................... 31
●9.5 ABOUT REFRIGERANT AND REFRIGERATION OIL ............................................................................ 31
●9.6 ROUTINE MAINTENANCE.............................................................................................................. 32
■10. PRECAUTIONS FOR LONG-TIME STOP ........................................................................... 33
■11. OPERATING RANGE ........................................................................................................... 34
●11.1 STANDARD OPERATING ENVIRONMENT....................................................................................... 34
●11.2 MINIMUM RETAINING WATER CAPACITY OF SYSTEM .................................................................... 34